Hi there,
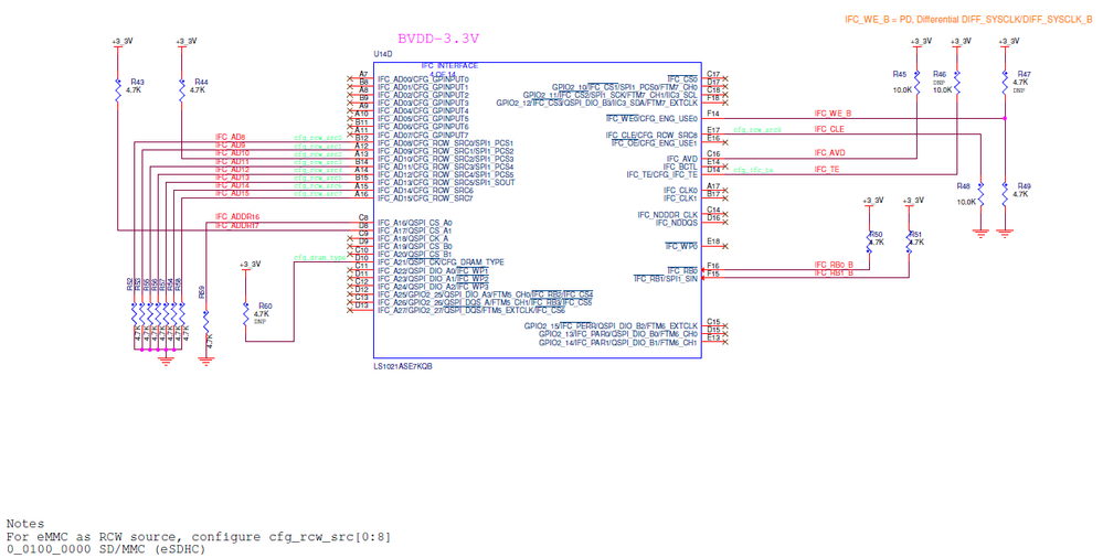
Just trying to get right to the issue here. If we have strapping already in place, for example cfg_rcw_src[0:8] =
0_0100_0000 for booting from SD/MMC (eSDHC) with resistors, how do we program a virgin un-programmed board using JTAG tools?
Is it possible to override the RCW strapping settings as described below?

The scenario here is when the target board arrives from the PCB supplier with the strapping already in place as shown in the attachment.

Other items to note here,
- We are using the CodeWarrior TAP (CWH-CTP-BASE-HE) with the Probe Tip CWH-CTP-CTX10-YE for flashing the LS1021A device.
- The clock synthesizer is strapped for 100 MHz system and DDR clocks.
- It is currently not possible to dynamically reassign the CFG_RCW_SRC pins.
Thank you