Hi,
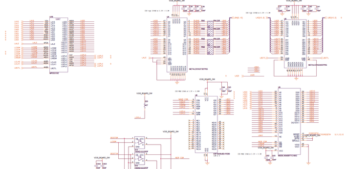
We are currently using MPC8314E in our design and are using a 256MB Nor Flash in X8 Mode, we are planning to change the NOR flash to operate in X16 Mode and have doubt regarding the Data buffer used in the Evaluation board provided for MPC8315E, can you please let us know the need for this buffer in this design and impact on performance if the buffer is omitted.
schematics reference attached below
