Hi Team,
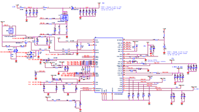
I am having difficulties setting up the S32K344 + FS26 (MFS2613AMDA2AD) combination. The HW design is EVB based (so I can discard issues with the HW setup)
MCU Part No : S32K344EHT1VPBST (IC MCU 32BIT 4MB FLASH 172QFP)
PMIC Part No : MFS2613AMDA2AD
My problem is that, PMIC all voltage outputs not stable.
Schematic followed as per EVB (S32K3X4EVB-T172)
Please let me know the issue.


Thanks.
Regards,
Gopala