FS86 Debug mode

キャンセル
次の結果を表示 
表示  限定  | 次の代わりに検索 
もしかして: 

FS86 Debug mode

2,366件の閲覧回数
libra_z
Contributor I

hi,

When the FS86 enters DEBUG mode through the DBG pin, can it skip the FS_INIT state without refreshing the watchdog?
At this time, the state of the FS0B pin and the RSTB pin is high or low.

thank you.

0 件の賞賛
返信
3 返答(返信)

2,360件の閲覧回数
guoweisun
NXP TechSupport
NXP TechSupport

No you can't do that,FS_INIT state can't be skipped.

 

0 件の賞賛
返信

2,348件の閲覧回数
libra_z
Contributor I

thank you for your reply.

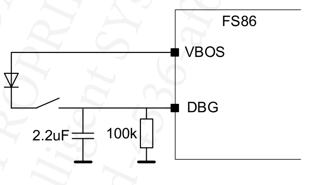
According to the connection method in the figure, connect the DBG pin to VBOS through a diode to enter the debug mode. Can FS86 work normally at this time? Does the watchdog need to be refreshed in this mode to skip the INIT_FS state machine?屏幕截图 2022-10-17 100722.png

0 件の賞賛
返信

2,211件の閲覧回数
cuongnguyenvan
NXP Employee
NXP Employee

Hello
A little bit support
(VDBG = VBOS – Vd ≈ 4.5V) Entry the debug mode.
 The DEBUG mode disables the Watchdog, lock FS0B low.
In the InitFSstate, you cannot use the watchdog, and release the safety path pin FS0b.
If you want to use the device, you should switch it to NORMAL_FS where you need to refresh watchdog, exit debug mode, and release FS0b pin

Regards
Cuong

0 件の賞賛
返信