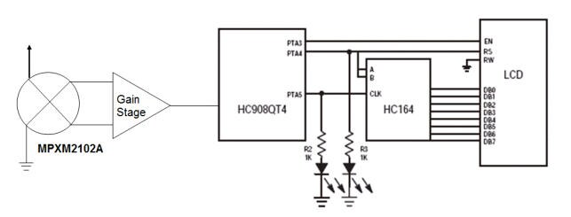
The Altimeter Barometer Reference Design is used for directly measuring the barometric pressure, determining altitude and making simple weather predictions. The barometer pressure readings are achieved using the compensated MPX2102A pressure sensor, a HCXX series of Flash microcontroller unit (MCU), and an LCD display.
This reference design enables the user to evaluate a pressure sensor for barometer, personal weather station and altimeter applications. This design can be used for altimetry features in wrist watches, cell phones, GPS systems and other electronic devices. In addition, many systems require barometric pressure data to correct system response errors. This application note describes the reliability and accuracy that our sensors can provide in a barometer or altimeter system.
Archived content is no longer updated and is made available for historical reference only.
Features
- Demonstrates barometric pressure and altitude
- Pressure Sensor: MPXM2102A
- MPAK Package
- Sensitivity: 0.4 mV / kPa
- Pressure Rating: 100kPa (Max)
- Microprocessor: MC68HC908QT4
- 4.0K Bytes of in-application reprogrammable Flash and 128 Bytes of RAM
- High performance, easy to use, HC08 CPU
- 4 Channel 8-bit analog to digital converter
- 8-pin DIP or SOIC packages

Design Resources