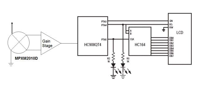
The Water Level Reference design continuously monitors water level and water flow using the temperature compensated MPXM2010GS pressure sensor in the low cost MPAK package, a dual op–amp, and the MC68HC908QT4, 8–pin microcontroller. This system uses very few components, reducing the overall system cost. This allows for a solution to compete with a mechanical switch for water level detection but also offer additional applications such as monitoring water flow for leak detection, and the other applications for smart washing machines.
Archived content is no longer updated and is made available for historical reference only.
Features
- Demonstrate Water Level Monitor plus additional features such as water flow monitoring and leak
- Pressure Sensor - MPXM2010
- MPAK Package
- Sensitivity 2.5 mV / kPa
- Pressure Rating 10kPa (Max)
- Microprocessor MC68HC908QT4
- 40K Bytes of in-application reprogrammable Flash and 128 Bytes of RAM
- High performance, easy to use, HC08 CPU
- 4 Channel 8-bit analog to digital converter
- 8-pin DIP or SOIC packages
Design Considerations
Media
- Isolate pressure sensor from water by using a head tube
Accuracy
- To prevent overflow and control consumption of water
- Auto-zeroing concept can eliminate offset errors
- Tank/tub diameter is irrelevant, the important part is to have an accuracte look up table to correlate water height versus pressure


Printed Circuit Boards and Schematics
RD1950MPXM2010SCHEM
RD1950MPXM2010SCHEMATIC
RD1950MPXM2010DGRBR