Gerber file usage - AN11276

cancel
Showing results for 
Show  only  | Search instead for 
Did you mean: 

Gerber file usage - AN11276

Jump to solution
2,565 Views
EthanMathew25
Contributor III

Hi, 
Can I use the Gerber files provided along with NXP NTAG I2C NFC IC as it is without making any modifications to them ?
Can I use them on different substrates ? how much performance degrade will be there ? How to overcome those ? 

0 Kudos
Reply
1 Solution
2,438 Views
Tomas_Parizek
NXP Employee
NXP Employee

Hello,

Ok, it should be fine. 

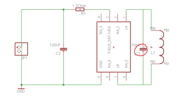
Anyhow, once you produce the antennas, it is recommended to measure them with the help of the VNA and potentially tune the tag by a parallel capacitor as shown below. 

Tomas_Parizek_0-1707201529860.png

BR

Tomas 

 

View solution in original post

0 Kudos
Reply
6 Replies
2,500 Views
Tomas_Parizek
NXP Employee
NXP Employee

Hello EthanMathew25

Do you mean the following files located in AN11276?

Tomas_Parizek_0-1706606231071.png

BR 

Tomas

0 Kudos
Reply
2,488 Views
EthanMathew25
Contributor III
yess! those files...
can I use them on any substrate or do I have to make any changes?
0 Kudos
Reply
2,455 Views
Tomas_Parizek
NXP Employee
NXP Employee

Hello EthanMathew25, 

What substrate are you planning to use? 

Yes, as the antenna turns are only on one layer, the different substrates should not have any major impact. 

We typically use a standard FR4 or Flex. 

BR

Tomas 

 

2,448 Views
EthanMathew25
Contributor III
Polyimide substrate
0 Kudos
Reply
2,439 Views
Tomas_Parizek
NXP Employee
NXP Employee

Hello,

Ok, it should be fine. 

Anyhow, once you produce the antennas, it is recommended to measure them with the help of the VNA and potentially tune the tag by a parallel capacitor as shown below. 

Tomas_Parizek_0-1707201529860.png

BR

Tomas 

 

0 Kudos
Reply
2,538 Views
EthanMathew25
Contributor III

@Tomas_Parizek Help me out...

0 Kudos
Reply