The decay period after commutating for BLDC

キャンセル
次の結果を表示 
表示  限定  | 次の代わりに検索 
もしかして: 

The decay period after commutating for BLDC

5,422件の閲覧回数
xgy_upc
Contributor III

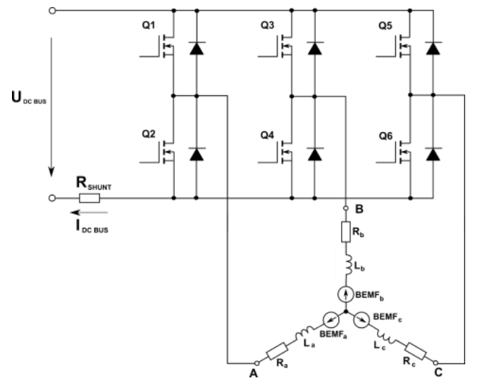
During the motor rotation.In a sector, A is connected to the positive power source and B to the negative power source.After the following commutations (A connected to the positive, C connected to the negative), there was a decay period.Now, what is the current going to be flowing in?

figure.PNG

0 件の賞賛
返信
9 返答(返信)

5,367件の閲覧回数
diego_charles
NXP TechSupport
NXP TechSupport

Hi 相国 尹 ,

 

If my understanding of your question is correct:

 

The phase current can be measured reading the voltage across the R shunt resistor. However, this measurement cannot always be performed.  To get further details please refer to:

 

AN12435 3-Phase Sensorless BLDC Motor Control Kit with S32K144

section : 3.3.2. BEMF zero-crossing event detection and phase current measurement.

 

I apologize for my delayed reply and I hope this helps!

In the case you need further help, please let me know

Yours,

Charles

0 件の賞賛
返信

5,367件の閲覧回数
xgy_upc
Contributor III

Hi  Charles,

I mean, after commutation, what would the current loop look like during decay,

0 件の賞賛
返信

5,367件の閲覧回数
xiangjun_rong
NXP TechSupport
NXP TechSupport

Hi, XiangGuo,

Regarding your question, I think it is dependent the current flow direction. Based on your above figure,assume at a time, the Q1 and Q4 are ON, the current flows from A phase to B phase. For example , after the commutation, if the Q5 is ON, Q1 off, the desired current flows from Phase C to Phase B, and the Phase A is unpowered, in the case, Q2 diode will flow current and decays with time, the decay time is dependent on the motor phase resistor, inductor and the momentary current(load of the motor).  For example , after the commutation, if the Q6 is ON, Q4 off, the desired current flows from Phase A to Phase C, and the Phase B is unpowered, in the case, Q3 diode will flow current and charge the DC bus, decays with time.

Hope it can help you

BR

Xiangjun Rong

5,345件の閲覧回数
xgy_upc
Contributor III

1、Is the midpoint voltage of the three-phase winding constant?for UDCB/2?

2、After Q5 is on and Q1 is off, the B phase current is twice normal?

3、The current at Rshunt is bidirectional, right?

0 件の賞賛
返信

5,318件の閲覧回数
diego_charles
NXP TechSupport
NXP TechSupport

Hi XiangGuo,

 

Here is the feedback that @xiangjun_rong kindly provide me:

Is the midpoint voltage of the three-phase winding constant?for UDCB/2?

You can check the AN12435  equation[6].

Where you can see the expression  for the voltage of the unpowered phase being equal to the  (UDBC/2) + (3/2*BEMF voltage of the unpowered phase)

 

2 After Q5 is on and Q1 is off, the B phase current is twice normal?

We do not think the current will be double in the branch switch, because the motor winding is an inductor, the current flowing an inductor can NOT increase immediately, it needs time.

Please check the following equation:

The inductor current increment=  (V) *  (Ton / L)

Where: V is voltage to inductor, Ton is turning on time and  L is winding inductor.

 

3. The current at Rshunt is bidirectional, right?

Yes, the current at the Rshunt  is bi-directional.

But it is dependent on the layout and PWM waveform, based on the circuit that you provided us,

Lets take this scenario :

Assume that Q1/Q2 PWM signals are complementary, Q3/Q4 PWM signals are complementary,

Assume that at an instant, Q1/Q4 turn on, the current flows from DC bus to A winding via Q1, to B winding, to Q4, to GND to Rshunt.

At next instant, Q1/Q4 turn off, Q2/Q3 turn on, because of winding inductor, the current will keep from A winding to B Winding, this is the current flowing direction: A winding to B winding, to Q3 parallel diode, to DC bus(charging the power supply capacitor), to Rshunt, to Q2 parallel diode, to A winding.

So in ONE PWM cycle, the current flowing into Rshunt is in two directions.

 

I hope this helps !

Best regards,

Diego.

 

 

0 件の賞賛
返信

5,229件の閲覧回数
xgy_upc
Contributor III

1. It can be seen from AN12435 that uN = uDCB + eC / 2. So does the midpoint voltage change?

2. Assume at a time, the Q1 and Q4 are ON, the current flows from A phase to B phase. after the commutation, if Q5 conduction, Q1 is off.

Therefore, in the decay period, there is current in all three phases of A, B and C. What is the current direction on the DC bus?

0 件の賞賛
返信

5,111件の閲覧回数
xiangjun_rong
NXP TechSupport
NXP TechSupport

Hi, XiangGuo,

Q1)It can be seen from AN12435 that uN = uDCB + eC / 2. So does the midpoint voltage change?

>>>>>Let's discuss based on Figure 7 Basic BLDC motor circuit topology in AN12435, the B phase is connected to U_DCB, A phase to GND, C phase is float. Because C phase is float, so C phase back-emf does not take effect on the middle point voltage.

As the AN points out, this is the middle point voltage, it is dependent on U_DCB,back-emf Ea and Eb.

 
 

Q2) Assume at a time, the Q1 and Q4 are ON, the current flows from A phase to B phase. after the commutation, if Q5 conduction, Q1 is off.

Therefore, in the decay period, there is current in all three phases of A, B and C. What is the current direction on the DC bus?

>>>>>

case 1)

In the case, before the current of A phase attenuates to zero(Q1/Q2 are always off in the step),for phase A, current flows from GND to A node via diode of Q2, to middle point. when both Q5/Q4 are on, for phase C, current flows Q5 to C node, then  to middle point. For B phase, current flows from middle point to B node to GND via Q4.

case 2)

In the case, before the current of A phase attenuates to zero(Q1/Q2 are always off in the step),for phase A, current flows from GND to A node via diode of Q2, to middle point. When both Q5/Q4 are off and Q3/Q6 are on, for phase C, current flows from GND to C node via diode of Q6, then to middle point. For B phase, current flows from middle point to B bode, to DC bus via diode of Q4.

case 3)

After current of A phase attenuates to zero, .....

I think the transient process is complicated.

Hope it can help you

BR

Xiangjun Rong

 

 

 

5,110件の閲覧回数
xiangjun_rong
NXP TechSupport
NXP TechSupport

xiangjun_rong_0-1604043783722.png

 

0 件の賞賛
返信

5,107件の閲覧回数
xiangjun_rong
NXP TechSupport
NXP TechSupport

Hi,

I post the middle point voltage formula here:

 

xiangjun_rong_0-1604044089716.png

BR

XiangJun Rong

 

0 件の賞賛
返信