Hi amosxue,
The FOC model for ZVM is using a dual shunt current measurement method.
Inside the FastLoopInput subsystem, there are 2 currents IA, IB that are read from ADC0 and ADC1 respectively.

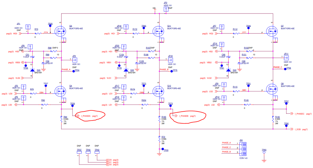
From the board schematic, we are reading the I_PHASEA and I_PHASEB

These 2 shunt drop voltages are routed to AMP0 and AMP1 pins

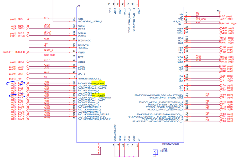
That are feed via PAD0 and PAD5 into the microprocessor

These input pins corresponds to ADC0 -> AN0_0 and ADC1 -> AN1_0 channels:

According with ADC Select table, AN0_0 and AN1_0 corresponds to value 16.

This is why you see ADC input channel 16 for both ADC lists.

Both ADC0/1 are read in the same time.
Hope this clarify your concerns.
Best regards,
Daniel