S12ZVM FOC - How ADC works ?

キャンセル
次の結果を表示 
表示  限定  | 次の代わりに検索 
もしかして: 

S12ZVM FOC - How ADC works ?

2,291件の閲覧回数
Daniel_Popa
NXP Employee
NXP Employee

Hi, Daniel, 
    The example model: S12ZVM FOC Sensorless Motor Control is with one current shunt or two current shunt?
    In the ADC0_Command_List model and the ADC1Command_List, the Input Channels are all 16. I am confused.
   I am expecting your reply!
    
   Amos.

タグ(2)
0 件の賞賛
返信
3 返答(返信)

2,024件の閲覧回数
Daniel_Popa
NXP Employee
NXP Employee

Hi amosxue‌,

The FOC model for ZVM is using a dual shunt current measurement method.

Inside the FastLoopInput subsystem, there are 2 currents IA, IB that are read from ADC0 and ADC1 respectively.

pastedImage_1.png

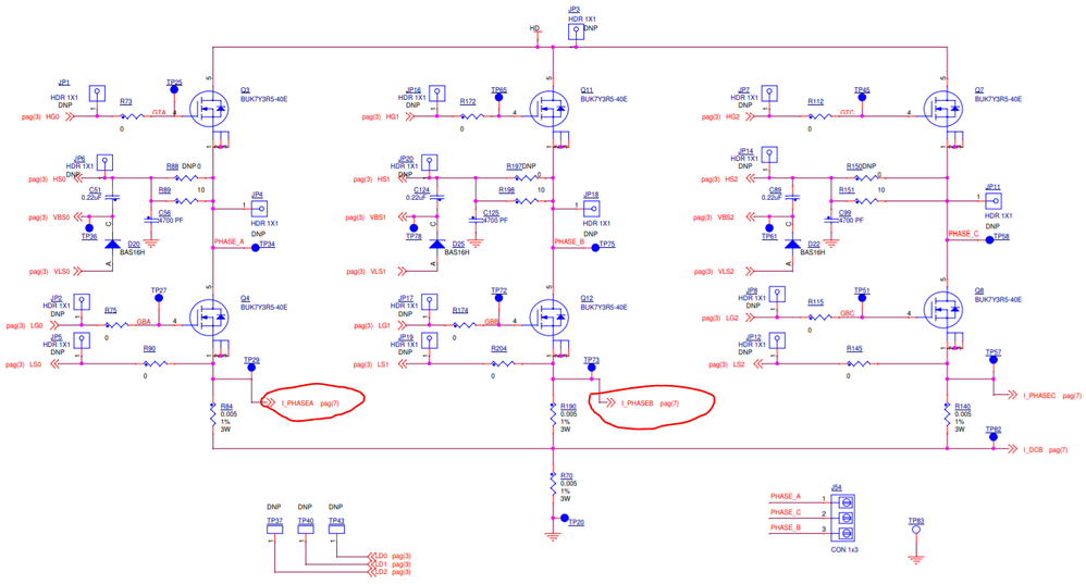
From the board schematic, we are reading the I_PHASEA and I_PHASEB

pastedImage_2.png

These 2 shunt drop voltages are routed to AMP0 and AMP1 pins

pastedImage_3.png

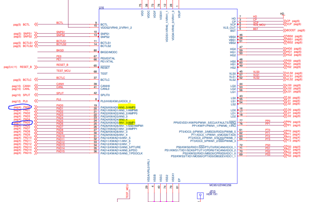
That are feed via PAD0 and PAD5 into the microprocessor

pastedImage_4.png

These input pins corresponds to ADC0 -> AN0_0 and ADC1 -> AN1_0 channels:

 pastedImage_5.png

According with ADC Select table, AN0_0 and AN1_0 corresponds to value 16.

pastedImage_6.png

This is why you see ADC input channel 16 for both ADC lists. 

pastedImage_7.png

Both ADC0/1 are read in the same time.

Hope this clarify your concerns.

Best regards,

Daniel

0 件の賞賛
返信

2,024件の閲覧回数
amosxue
Contributor II

The internal AMP1 is disable, I think  Phase B current is sampled by External Amplifier (Phase B).

0 件の賞賛
返信

2,024件の閲覧回数
amosxue
Contributor II

Yes, it woks! Thank you for your reply in detail~~~:)

0 件の賞賛
返信