Model-Based Design Toolbox for S32K1xx Series Matlab Compatability

cancel
Showing results for 
Show  only  | Search instead for 
Did you mean: 

Model-Based Design Toolbox for S32K1xx Series Matlab Compatability

2,757 Views
kobbs1
Contributor I

Hello,

I have a setup of Matlab 2022b and the Model-Based Design Toolbox for S32K1xx Series Version 4.3.0.

When I installed it earlier this year, It said they were compatable, but looking at this recently, I see that version 4.3.9 is only compatible with the following versions.

(R2016a-R2022a)

I have not run into any issues with the toolbox developing or deploying the software, but I am worried about compatibility issues. Can anyone tell me what the known compatibility issues are for this toolbox and Matlab 2022b? 

Tags (1)
0 Kudos
Reply
3 Replies

2,695 Views
mariuslucianand
NXP Employee
NXP Employee

Hello @kobbs1,

We test our MBDT packages up to the latest MATLAB version available at the release date of the MBDT. In this case, the MBDT for S32K1 4.3.0 was released last year in September and the latest available MATLAB version was R2022a. To be honest, for now, there is no planned MBDT for S32K1 4.4.0.

However, in our general experience, most of the functionalities of the toolbox are compatible with newer MATLAB versions. Things that may be affected are usually related to automatic verification techniques like SIL or PIL.

So you could continue to use our toolbox in newer versions of MATLAB with no worries related to the generated code. But if you encounter any issues or errors or you think that something is not working as expected due to the toolbox compatibility, I would kindly ask you to report the behavior on the Community and we will analyze and if needs be provide a hotfix.

Regards,

Marius

0 Kudos
Reply

2,007 Views
AKA94
Contributor I

I am also facing a similar issue. I have installed all the required toolboxes. MBD toolbox S32k3 and also MBD toolbox S32k1xx. Also, I have installed the support packages for this. In the Model-based development lecture on the NXP website, I downloaded the Simulink file "M7.Zip" from the MBD-Torque control topic. I am working on a project of FOC control for the PMSM motor. When I opened this file in my MATLAB version R2022b its not showing all the details. It's giving the "Unresolved Link" error message. Please tell me what the issue is. I am attaching the screenshot of that model below.

Tags (1)
0 Kudos
Reply

1,964 Views
stefanvlad
NXP Employee
NXP Employee

Hi @AKA94 ,

 

Thank you for using the latest NXP Model-Based Design Toolbox for S32K1xx MCUs - version 4.3.0 - NXP Community

Unfortunately the M7.zip part of the course Module 7: Torque Control - NXP Community was released in a previous version S32K 2018.R1 for the S32K1xx family.

That is why, when opening the model you will see missing links:

FOC_TC_M7.slx.png

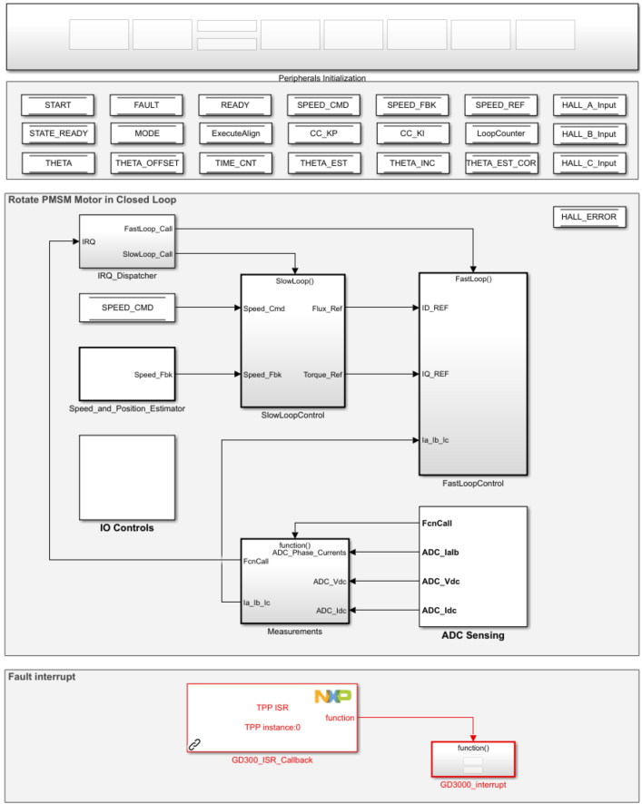
My advice is to use the newer model, found in the newer S32K1xx 4.3.0, in C:\MathWorks\Toolboxes\NXP_MBDToolbox_S32K1xx\S32_Examples\s32k14x\mc\PMSM_Demo\PMSM_ClosedLoop:

PMSM_ClosedLoop_s32k144.mdl.png

This model is similar to the one in the Module 7: Torque Control but it also has a few more improvements regarding the Alignment, Speed Control and GD3000 Fault implementation.

 

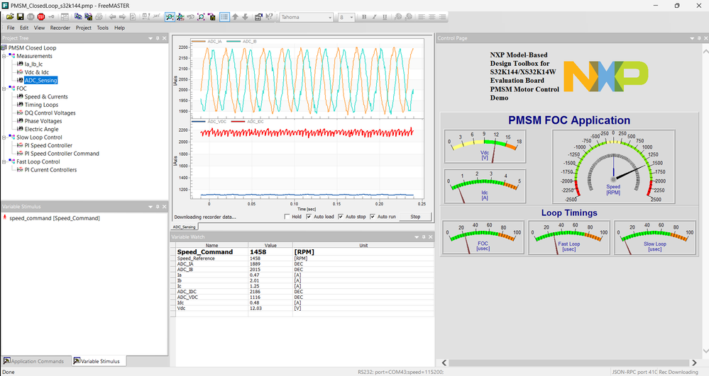
PS: I was able to build and run the model with MATLAB R2021a and R2023b, it should work also with R2022b:

PMSM_ClosedLoop_s32k144 FreeMASTER.png

 

Hope this works and let me know,

Stefan V.

0 Kudos
Reply