Hello andrewweiss,
Firstly, please download our latest release (S32K14x 2018.R1) - available here .
Secondly, regarding the clock options - in the new toolbox you will find them in the main configuration block - MBDTBX_EC_S32K14, under the MCU tab. As you can see in the image below, you have 2 options available: Clock Frequency and XTAL Frequency.

I will briefly present the 2 options:
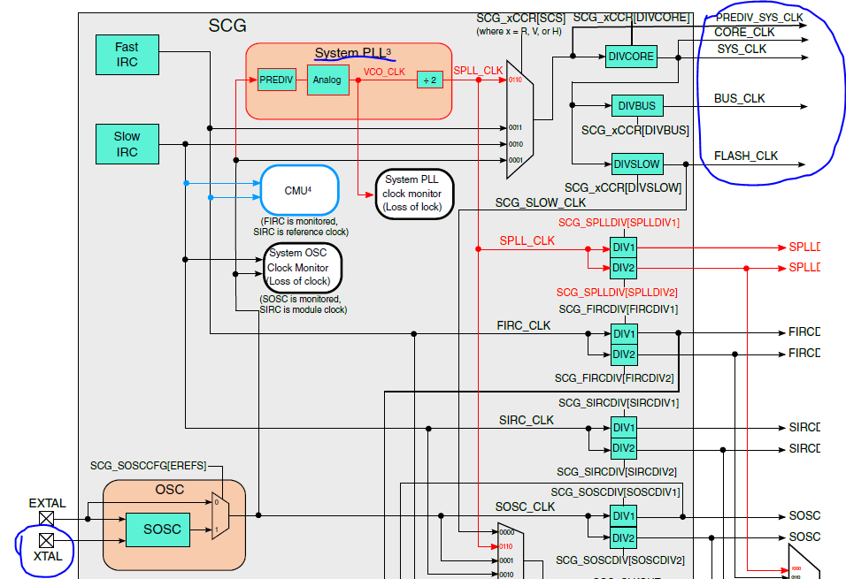
- XTAL Frequency - the one that you were having issues with - I must mention that we only use the Internal oscillator for OSC. There might be some ambiguity with the word "External" before the frequency. Let me try and make it a bit more clear:
Starting from the beginning - the internal oscillator (XTAL) has 2 options available: 8MHz and 40MHz. We have EREFS set to 1 (hard-coded), so the System OSC is always XTAL - basically 8MHz or 40MHz set in XTAL Frequency option. As we go further, this SOSC is used as input in the System PLL - so this makes it an External Reference Clock for the PLL. This is why we use the word "external" in the option itself - we'll discuss if we'll keep it this way or not for our future releases.
- As for the Clock Frequency option - we're using System PLL to drive the Core clock - so when you set this to 80MHz or 112MHz we set appropriate values to some dividers and multipliers to get the desired value out.
As for the peripherals, we're dynamically checking the system/core clocks and setting the appropriate values for each peripheral - so this should not be an issue when selecting another option than the default one for either clock settings.
Please let us know if you are still having issues with any model after installing our latest toolbox (2018.R1). Feel free to attach a model that you have issues with - this way we can check hands-on.
Hope this helps,
Razvan.