Hello june_android@163.com,
I'm not sure I understand what the problem is. If you are trying to send data over CAN using our toolbox, you can just send the data directly, and the rest will be handled inside the generated code - there is no need to make the entire CAN frame.
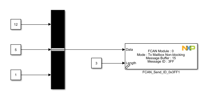
For example, using those 3 Constant blocks from your example, just put them inside a Bus Creator (with 3 inputs) and send the output of this block to the FCAN_Send block. All you have to do is add the length (another Constant block with value 3). Now this data will be put inside a CAN frame and sent over the network.

Let me know if you have further questions.
Kind regards,
Razvan.