Hi jjacp,
That is not enough. The BLDC Workshop was designed for beginners and i tried to add some features inside just for awareness - but is did not had time to discuss all of them in details since that was not in the scope of the lecture. One of these features is how to measure the currents - especially the ones that varies depending on the PWM.
Since you seems to be a more advanced user - i think you should be able to manage the correct way of implemented the current measurements (i'll touch that in lecture of PMSM Workshop later on)
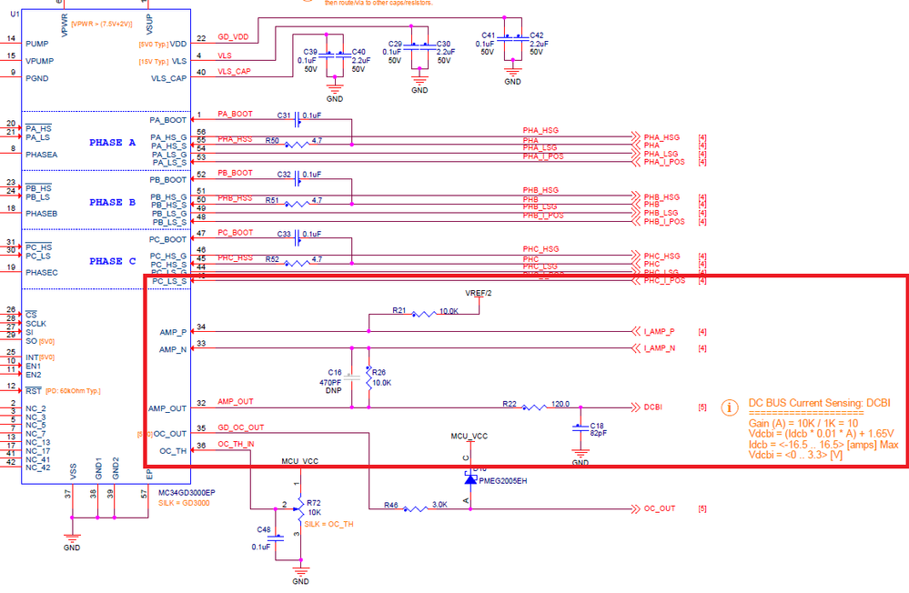
So, here is what you need to know in respect with Vdc Current and Voltage HW circuit schematics:


As a hint, please check Motor Control Class: Lecture 4 - BLDC Motor Theory
A correct DC current implementation should take into consideration 3 things:
- Commutation method (2 out of 3)
- PWM strategy
- Motor Speed, basically the PWM duty factor
For example this pictures shows commutation sequence in ideal conditions (100% duty cycle). In normal circumstances the currents will not look like that - therefore affecting the measurements.

Hope it helps - and i look forward to see your implementation
Best regards,
Daniel