MPC5777C Baud Rates for Serial Boot

cancel
Showing results for 
Show  only  | Search instead for 
Did you mean: 

MPC5777C Baud Rates for Serial Boot

4,548 Views
KarlS
Contributor II

Hi,

I'm currently working with the development board (SCH-27237 REV C) and 416DS daughter board that utilizes the MPC5777C. I believe I've set the boot configuration into serial boot mode but am having difficulty communicating via eSCI. I found a list of fixed baud rates in the MPC5777C documentation but have had little luck with these settings thus far. Are these the correct baud rates and settings?

The documentation states: "The eSCI is configured for 1 start bit, 8 data bits, no parity, 1 stop bit and operates at a baud rate equal to system clock divided by 416. See Table 51-9 for examples of baud
rates.

The BAM program ignores the eSCI errors. All data received is assumed to be good and
is sent back through the TXD pin. The host processor must compare the MCU
transmitted data with the sent data and restart the process if an error is detected.

The download protocol follows four steps:
1. Host sends 64-bit password.
2. Host sends start address, size of download code in bytes, and VLE bit.
3. Host sends the application code data. "

- Thank you

0 Kudos
Reply
3 Replies

4,526 Views
lukaszadrapa
NXP TechSupport
NXP TechSupport

Hi Karl,

first, you need to force BOOTCFG1 to '1'. This signal is available only on SIPI connector, pin 9.

To confirm you are really in serial boot mode, you can connect a debugger and check SIU_RSR register. BOOTCFG bit field should be 0b01.

I confirmed the baud rates listed in the reference manual are correct. There's 40MHz crystal, so the baud rate is fixed to 48000.

 

Notice that we have Rappid bootloader utility:

https://www.nxp.com/webapp/Download?colCode=RAPPID_BOOTLOADER_UTILITY&appType=license

In case of MPC5777C, there's only RBF version. It does not use this serial boot of BAM, it's flash resident bootloder. So, you need to program it via JTAG to flash and then you can use the utility to program an application either via UART or CAN.

Some additional custom RBF files can be found here:

https://community.nxp.com/t5/S32-Design-Studio-Knowledge-Base/RAppID-Bootloader-custom-rbf-files/ta-...

Notice that it's proprietary code, we do not share the source files.

Regards,

Lukas

0 Kudos
Reply

4,501 Views
KarlS
Contributor II

Hi Lukas,

Thank you for your response. I was in fact able to verify that I have forced serial boot using the method you mentioned with the debugger. I am still having issues though communicating via UART. I believe I have configured everything right and have set the baud rate to 48000. I am connected to the SCI RX and TX pins located on Port D of User Connectors. When attempting to send over the 64-bit password (FEED - FACE - CAFE - BEEF) I am still receiving random characters back. Is there something more I need to do? I included some pictures as to what I am seeing on my side. 

Thank you, 

Karl 

0 Kudos
Reply

4,463 Views
lukaszadrapa
NXP TechSupport
NXP TechSupport

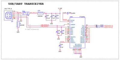
Hi Karl,

you are connected to TXDC/RXDC, not to TXDA/RXDA.

TXDA/RXDA (balls M2 and M3 on 416pin package) are connected only to USB/UART transceiver:

lukaszadrapa_0-1637588135755.png

These pins are not available on pin headers on the motherboard.

Regards,

Lukas

0 Kudos
Reply