what this usart error exactly mean?

cancel
Showing results for 
Show  only  | Search instead for 
Did you mean: 

what this usart error exactly mean?

Jump to solution
1,738 Views
navidansari
Contributor III

hi

i receive this error on lpc1768

ARM_USART_EVENT_RX_OVERFLOW

in api it says Receive data overflow

why should it overflow?everything is right on oscope

this usart connected to ADM485 that its output level is 5v and i maybe noise on input of ADM485 is leveled up and make this error happen?

Labels (1)
1 Solution
1,576 Views
jeremyzhou
NXP Employee
NXP Employee

Hi navid ansari,

Thank you for your interest in NXP Semiconductor products and 
the opportunity to serve you.
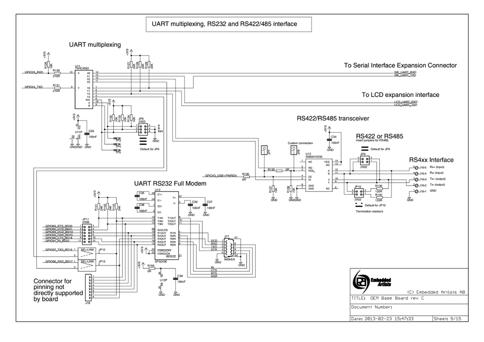
I'd highly recommend you to refer the RS485 demo in the ~\lpc407x_8x_177x_8x\lpc407x_8x_177x_8x\Examples\UART after the library installed. The demo illustrate how to use RS485 functionality on UART of LPC1788 Develop Kit, and Fig 1 is the sch of the RS485 transceiver.
pastedImage_7.png
Fig 1
You can download the library via the link below.
Have a great day,

TIC

-----------------------------------------------------------------------------------------------------------------------
Note: If this post answers your question, please click the Correct Answer button. Thank you!
-----------------------------------------------------------------------------------------------------------------------

View solution in original post

2 Replies
1,577 Views
jeremyzhou
NXP Employee
NXP Employee

Hi navid ansari,

Thank you for your interest in NXP Semiconductor products and 
the opportunity to serve you.
I'd highly recommend you to refer the RS485 demo in the ~\lpc407x_8x_177x_8x\lpc407x_8x_177x_8x\Examples\UART after the library installed. The demo illustrate how to use RS485 functionality on UART of LPC1788 Develop Kit, and Fig 1 is the sch of the RS485 transceiver.
pastedImage_7.png
Fig 1
You can download the library via the link below.
Have a great day,

TIC

-----------------------------------------------------------------------------------------------------------------------
Note: If this post answers your question, please click the Correct Answer button. Thank you!
-----------------------------------------------------------------------------------------------------------------------

1,576 Views
navidansari
Contributor III

thanks allot 

0 Kudos
Reply