RTC input

cancel
Showing results for 
Show  only  | Search instead for 
Did you mean: 

RTC input

1,887 Views
Leon797
Contributor I

Is it possible to insert LVCMO signal into the RTC input?

0 Kudos
Reply
4 Replies

1,875 Views
xiangjun_rong
NXP TechSupport
NXP TechSupport

Hi, Leon,

I  never hear about the "LVCMO" signal, can you tell us the part number you are using? where the "LVCMO" signal is?

BR

XiangJun Rong

0 Kudos
Reply

1,869 Views
Leon797
Contributor I

I meant LVCMOS

0 Kudos
Reply

1,860 Views
xiangjun_rong
NXP TechSupport
NXP TechSupport

Hi,

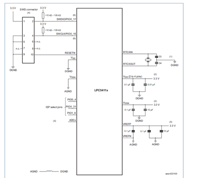
As you can see in the following Fig, the RTCXIN/RTCXOUT pins can only connect to Crystal, it can not connect to clock source which outputs squarewave clock signal directly.

Hope it can help you

BR

XiangJun Rong

 

xiangjun_rong_0-1608008841021.png

 

0 Kudos
Reply

1,856 Views
Leon797
Contributor I

Thank you for your response

0 Kudos
Reply