OBTENER ACCESO DEBUG LPC1102

cancel
Showing results for 
Show  only  | Search instead for 
Did you mean: 

OBTENER ACCESO DEBUG LPC1102

Jump to solution
4,149 Views
froux
Contributor II

Estoy trabajando con el LPC1102 conectado a través de un LPCLink y en el firmware configuré los pines de SWDIO y SWDCLK como GPIOs. Ahora no lo puedo programar, pero entiendo que al hacer reset con el pin de RESET, las funcionalidades de estos pines vuelven a ser de SWD momentáneamente hasta que el firmware vuelve a configurarlos como GPIO.

Al comenzar la sesión de debug, no se hace un reset desde el pin de reset del LPCLink?

IN ENGLISH:

I'm working with the LPC1102 mcu, connected to the PC through an LPCLink. The firmware configures SWDIO and SWDCLK pins as GPIOs. So, the debugger can't connect to the target anymore. But I understand that the Reset state of that pins are SWD function, so, when the debugger starts, why it doesn't send a low state to the RESET pin before start the flashing of the mcu? How can I do that?

Labels (1)
1 Solution
3,840 Views
jeremyzhou
NXP Employee
NXP Employee

Hi Federico Roux,

The reset pin is the optional feature, in general, we would strongly recommend also including RESET in addition to SWDIO, CLK and GND. For debugging, the tools may try to pull this in certain circumstances which depending upon debug probe, debug configuration settings and tools.

It has been confirmed that the LPCXpresso doesn't provide the feature, but the IDE and LPC-link2 have an alternative way to implement the purpose, please refer to this thread:

ISP Reset over debug
Have a great day,
TIC

-----------------------------------------------------------------------------------------------------------------------
Note: If this post answers your question, please click the Correct Answer button. Thank you!
-----------------------------------------------------------------------------------------------------------------------

View solution in original post

8 Replies
3,840 Views
froux
Contributor II

THanks Jeremy.

I'll read that thread.

0 Kudos
Reply
3,840 Views
jeremyzhou
NXP Employee
NXP Employee

Hi Federico Roux ,

Thank you for your interest in NXP Semiconductor products and 
for the opportunity to serve you.
The reset core operation is executed after correct connection validated.
However you can manually press the reset button to force the MCU in reset state.

Have a great day,
TIC

-----------------------------------------------------------------------------------------------------------------------
Note: If this post answers your question, please click the Correct Answer button. Thank you!
-----------------------------------------------------------------------------------------------------------------------

3,840 Views
froux
Contributor II

Hi jeremyzhou

thanks for your answer!

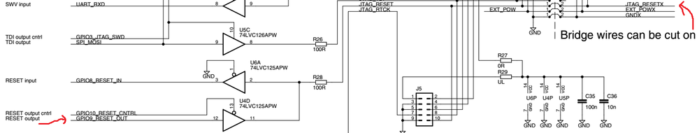
In the LPCXpresso LPC1114 schematics I see that the LPCLink microcontroller, the LPC3154 has one pin, MGPIO9 called "RESET_OUT", with a pull-up resistor, connected through a buffer (74LVC125APW)to the JTAG-RESETX pin of the connector that links to the target. The buffer one habilitation pin (GPIO10_RESET_CNTRL). I attach two images showing this, so you don't have to look up for it.

pastedImage_2.png

pastedImage_3.png

My question is how can you control that pin than connects directly to the reset pin of the target, without having to validate the connection to the core. In other words, I want to control that pin through the debugger, not send the reset request to the core. Only put the RESET pin down through the debugger. Is that possible? and if not, why has the LPC3154 that output connected?

best regards!

0 Kudos
Reply
3,840 Views
jeremyzhou
NXP Employee
NXP Employee

Hi Federico Roux,

After contact with the ARM technical support engineer, the Reset bin is able to reset the MCU depend on IDE configuration, noting with the SWD or JTA protocol , for instance, KEIL.

You can find similar information in your IDE user's guide.

pastedImage_1.png
Have a great day,
TIC

-----------------------------------------------------------------------------------------------------------------------
Note: If this post answers your question, please click the Correct Answer button. Thank you!
-----------------------------------------------------------------------------------------------------------------------

0 Kudos
Reply
3,840 Views
froux
Contributor II

Is there a way to do this in LPCXpresso IDE? or with redlink or gdb using command line?

0 Kudos
Reply
3,840 Views
jeremyzhou
NXP Employee
NXP Employee

Hi Federico Roux,

Thanks for your reply.

In the LPCXpreeso user's guide, I don't find the similar feature.
Have a great day,
TIC

-----------------------------------------------------------------------------------------------------------------------
Note: If this post answers your question, please click the Correct Answer button. Thank you!
-----------------------------------------------------------------------------------------------------------------------

0 Kudos
Reply
3,840 Views
froux
Contributor II

Hi jeremyzhou‌. Are you from NXP?

because if NXP developed the LPCLink with that pin for RESET, I think, what is the usage of that pin? maybe is a feature that is not documented in the LPCXpresso user's guide. I don't think that NXP designed the LPCLink with a JTAG-Reset pin that you can't use with the NXP software, or with a GNU tool.

0 Kudos
Reply
3,841 Views
jeremyzhou
NXP Employee
NXP Employee

Hi Federico Roux,

The reset pin is the optional feature, in general, we would strongly recommend also including RESET in addition to SWDIO, CLK and GND. For debugging, the tools may try to pull this in certain circumstances which depending upon debug probe, debug configuration settings and tools.

It has been confirmed that the LPCXpresso doesn't provide the feature, but the IDE and LPC-link2 have an alternative way to implement the purpose, please refer to this thread:

ISP Reset over debug
Have a great day,
TIC

-----------------------------------------------------------------------------------------------------------------------
Note: If this post answers your question, please click the Correct Answer button. Thank you!
-----------------------------------------------------------------------------------------------------------------------