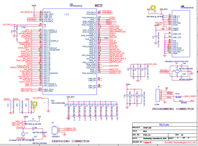
Currently we are developing a product that requires sleep mode, and the controller itself is consuming 1.1mA but when we remove the power only for VDD pins, the functionality is still working, and the current consumption is dropped to 0.15 mA.
This scenario we have seen in 2 boards out of 3 boards. where the 3rd board functionality itself failed when we removed the VDD connection
Attached the schematics snap
