LPC55S69 FLEXCOMM3 RX not working

cancel
Showing results for 
Show  only  | Search instead for 
Did you mean: 

LPC55S69 FLEXCOMM3 RX not working

Jump to solution
1,719 Views
nxf51434
NXP Employee
NXP Employee

As the title, customer test the uart3(flexcomm3) on EVK and found the uart3 can send data successfully but can't receive data. They test other uarts like uart1 and uart7, all can work properly. @Logiase.song

 

0 Kudos
Reply
1 Solution
1,713 Views
Logiase
NXP Employee
NXP Employee

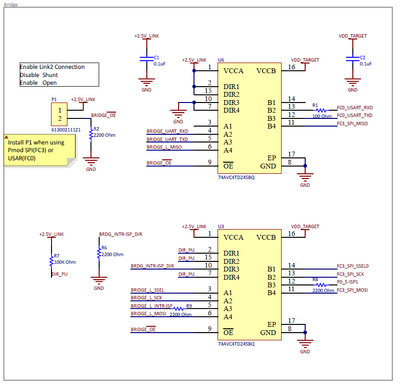
Logiase_0-1701671885803.png

connect P1 solve this problem.

The level translator change the pull level of P0_3 (rx). 

View solution in original post

0 Kudos
Reply
2 Replies
1,714 Views
Logiase
NXP Employee
NXP Employee

Logiase_0-1701671885803.png

connect P1 solve this problem.

The level translator change the pull level of P0_3 (rx). 

0 Kudos
Reply
1,705 Views
xiangjun_rong
NXP TechSupport
NXP TechSupport

Hi,

I see your phenomenon, close P1, the BRIDGE_OE pin will be high, U6 and U3 will be disabled, the pins of U3 and U6 will be float, if you connect the external uart transmit signal to FC3_RXD pin(PIO0_3), in detail  pin 3 of P20, it will function.

BR

XiangJun Rong

0 Kudos
Reply