Hi,
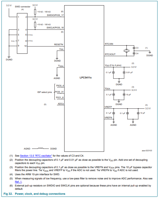
Below you can find the Power, clock, and debug connections:

I suggets to check the datasheet for more information about the cap values and RTC design guidelines
https://www.nxp.com/docs/en/data-sheet/LPC5411X.pdf
In addition you can check the LPCXpresso54114 schematic file as reference:
https://www.nxp.com/downloads/en/design-support/LPCX5411x_Schematic_Rev_A1.pdf
I hope this helps
Have a great day,
Sol
-----------------------------------------------------------------------------------------------------------------------
Note: If this post answers your question, please click the Correct Answer button. Thank you!
-----------------------------------------------------------------------------------------------------------------------