Hi Jeremey,
thank you for your support.
The following picture shows the box "adaptor" from USB to target PIN header. It is just a cable conversor with some push buttons that allows reset and push ISP pin down operations manualy.

On the target board, the following PIN header is mounted:

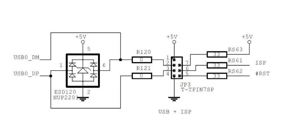
And the schematics of this connector is the following:

The target board, has got a 3.3V regulator powered from the 5V provided from the USB. This 3.3V powers the uC. Apart, the ISP and RST lines have got an external weak Pullup in the target board.
This phenomenon does not always happens. But when it happens, the uC dies, and until now, in all cases the Xtal does not oscillate, and in some cases besides the ISP pin are pulled down from the uC.
I guess it could be something with the pin connection order. The USB connector's shape garantees a fix connection order. But a PIN header don't. But it is just a supposition.
I can send you a schematic of the hole board, but I have to do it through a private way. The company does not allow me to publish in a public forum. As well, if you desire, I can send you one board with a crashed uC.
Best regards.