Hi __PLACEHOLDER__ __PLACEHOLDER__,
1) Are pins USB0_VSSA_TERM, USB0_VSSA_REF, USB0_VDDA3V3, USB0_VDDA3V3_DRIVER and USB0_RREF used for both device & host mode, or just host/OTG?
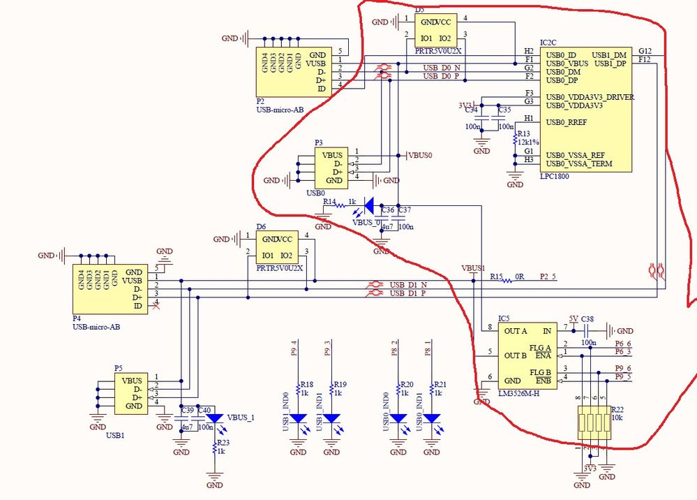
These pins connection are same in different modes, the portion circuit is needed for device mode, you can connect the 5V to VBUS pin of USB0 directly, then the LM3526M is able to be removed too.

Have a great day,
TIC
-----------------------------------------------------------------------------------------------------------------------
Note: If this post answers your question, please click the Correct Answer button. Thank you!
-----------------------------------------------------------------------------------------------------------------------