LPC11E67 SWD: Directly into Hardfault Handler from Debug

cancel
Showing results for 
Show  only  | Search instead for 
Did you mean: 

LPC11E67 SWD: Directly into Hardfault Handler from Debug

Jump to solution
1,997 Views
andrew_murfin
Contributor II

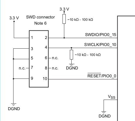
I am attempting to debug an offboard LPC11E67JBD48 from an OM13058 board.  The SWD connections are made exactly following the schematics of page 75 of the LPC11E6X datasheet.  Photo below:

Screenshot from 2019-02-28 15-26-16.png

When attempting to load ANY code at all from the LPCOpen 11U68 API, the debugger runs, appears to show successful connection with the MCU, appears to successfully write to flash, then goes directly into a Hardfault Handler.  Please see the debug messages console results below:

Screenshot from 2019-02-28 15-32-59.png

Any help is appreciated!

-Andrew Murfin

Labels (1)
0 Kudos
Reply
1 Solution
1,920 Views
andrew_murfin
Contributor II

Solved!  

I removed the 25MHz external oscillator on my board, and adjusted the Board_SetupClocking() function (in board_sysinit.c) to call the Chip_SetupIrcClocking(); function, thereby running clocking from the internal oscillator.  I will now be researching how to utilize an external oscillator, if necessary.  

View solution in original post

0 Kudos
Reply
2 Replies
1,921 Views
andrew_murfin
Contributor II

Solved!  

I removed the 25MHz external oscillator on my board, and adjusted the Board_SetupClocking() function (in board_sysinit.c) to call the Chip_SetupIrcClocking(); function, thereby running clocking from the internal oscillator.  I will now be researching how to utilize an external oscillator, if necessary.  

0 Kudos
Reply
1,920 Views
andrew_murfin
Contributor II

I should note I am using 10k resistors for the pullup and pulldown.

0 Kudos
Reply