Hello Chico,
I've seen this problem a lot of times, most of the time is due to the bad connection of the pin A11 (Bank select address) of the memory that you are using, to which pin of the MCU are you connecting the pin A11 of the memory?
In the user manual, section 33.13.19 you can see the following information.
The SDRAM bank select pins BA1 and BA0 are connected to address lines A14 and A13, respectively.
In your case, you only have BA0 (A11 of your memory) so you have to connect this to the pin A13 of the LPC.
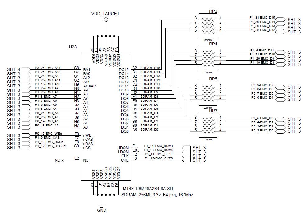
You can use as a guide to verify your connections the schematics of the OM13098 development board.

Link to the user manual.
Link to the schematics of the development board.
Hope it helps!
Victor.
-----------------------------------------------------------------------------------------------------------------------
Note: If this post answers your question, please click the Correct Answer button. Thank you!
-----------------------------------------------------------------------------------------------------------------------