Hi Andrew,
In the Reference Manual, in the Clock Distribution Chapter, the internal clocking requirements says that the FlexBus clock frequency must be programmed to 50 Mhz or less and an integer divide of the core clock.
If you are using the SDK, you can know the FlexBus frequency. Use this function from the fsl_clock driver with the kCLOCK_FlexBusClk parameter :
/*!
* @brief Gets the clock frequency for a specific clock name.
*
* This function checks the current clock configurations and then calculates
* the clock frequency for a specific clock name defined in clock_name_t.
* The MCG must be properly configured before using this function.
*
* @param clockName Clock names defined in clock_name_t
* @return Clock frequency value in Hertz
*/
uint32_t CLOCK_GetFreq(clock_name_t clockName);
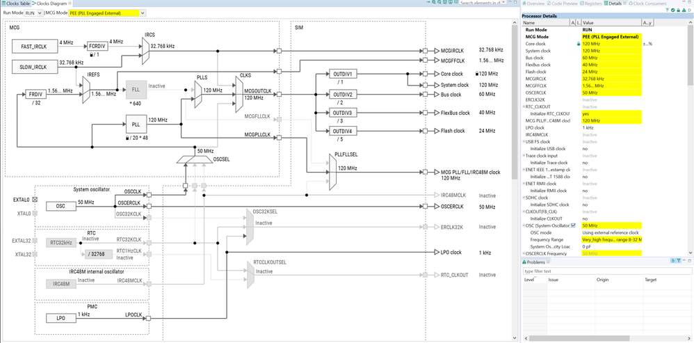
If you need to configurate your clocks, in the MCUXpresso, there is a way to do it in a friendly way, using the ConfigTools.

This tool gives you the clock diagram, where you can see the clocks frequency and configurate them.

You can download the ConfigTools User Guide to know more about this tool.
Best Regards,
Ricardo