Hi all!
Recently I developt a board using MKW36A512VHT4R micro.
I followed demoboard FRDM-KW36 schematic, in Bypass mode (I use an LDO power supply).
So, I can run example software on my personal board, but none of the interrupts run. When I program the demoboard with the same software, it's work perfectly. Another thing that I realize is that the software can't stay in the flash: when I restart my personal board, the application was gone. In demoboard, obviously, no.
There's something that can affect the functional behavior of MCU in hardware configuration, excluding the basic things like voltage range of MCU (it's 3V3)?
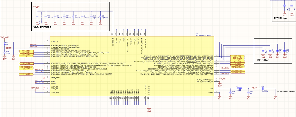
Below it's possible to see a screenshot of MCU connection. VDD its 3V3 from a LDO.
Thanks in advance.

