Hello,
Thank you so much for any advice and answers that help me.
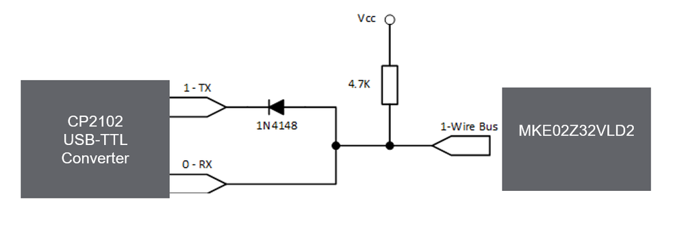
As per your advice, I tested the diode connection on the cp2102 RX pin line.
I tried adding a connection to the RX pin and the 1N4148 diode towards the anode as you advised. But the loopback problem keeps occurring. So, for just a test, I connected the RX pin towards the cathode of the 1N4148 diode to the RX pin. The loopback problem is removed, but I am unable to receive a response message from MKE02. It seems that no current is flowing through the RX pin on the PC side by the diode.
I have answered the question you asked me as follows.
1. The CP2102 UART to TTL converter is a converter product from the link below.
It is a USB converter and when connected to a PC, it recognizes it as a virtual COM port.
https://www.amazon.com/HiLetgo-CP2102-Converter-Adapter-Downloader/dp/B00LODGRV8
RX pin: receive pin from MKE02Z to the PC side
TX pin: transmit pin from the PC side to MKE02Z
https://www.amazon.com/HiLetgo-CP2102-Converter-Adapter-Downloader/dp/B00LODGRV8

2. I got information about the circuit from the links below.
I got the information from the link below, connected a 1N4148 diode to the TX pin, and put a 4.7KOHM pull-up on the TX PIN of UART1 of MKE02Z.
https://community.nxp.com/t5/Kinetis-Microcontrollers/1Wire-UART-circuit/td-p/931697
https://cnnblike.com/post/stm32-OneWire/

3. The software I used is a Modbus master software called Modbus Poll from the link below. By accessing the virtual COM port created when the CP2102 converter was connected, an 8-byte (01 03 00 0A 00 01 A4 08) message was sent from the PC to the MKE02.
https://www.modbustools.com/modbus_poll.html
Thanks again for the helpful reply.