MK22FN1M0AVLH12 | programming issue using buffer on the jtag

cancel
Showing results for 
Show  only  | Search instead for 
Did you mean: 

MK22FN1M0AVLH12 | programming issue using buffer on the jtag

6,737 Views
shai_b
Senior Contributor II

Hello team,

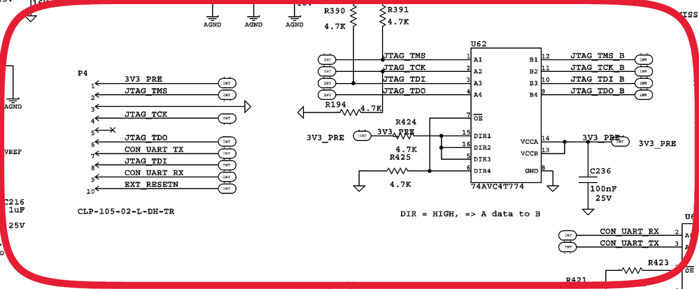
My customer using the MK22FN1M0AVLH12 in his design (I can provide the schematic if needed).

And he used a buffer (74AVC4T774) on the JTAG signals – partly schematic attached below:

74AVC4T774 on the JTAG signals74AVC4T774 on the JTAG signals

 

They have trouble to programming the MCU when they use the buffer.

BTW, When they bypass the buffer the programming pass successfully.

 

Also when we probe the TMS signal after the buffer we saw the following – see attachments

TMS after BufferTMS after Buffer

See also during or after the programming fails the  TMS toggle like clock for a period of time – see attached

TMS after Buffer and TCKTMS after Buffer and TCK

 

 

Please advise back what could be the issues, waiting fro your kind feedback, thanks.

Regards,

Shai

 

Labels (1)
Tags (2)
0 Kudos
Reply
9 Replies

6,709 Views
Pavel_Hernandez
NXP TechSupport
NXP TechSupport

Hello, my name is Pavel, and I will be supporting your case, about your case do not recommend using this channel to share information about your customer in a public community.

If you want to open a new case in a private channel and pin my name or use the reference link of this.

Best regards,
Pavel

 

0 Kudos
Reply

6,700 Views
shai_b
Senior Contributor II

@Pavel_Hernandez Hello,

In general, you are right, but because this problem can appear for others and I really do not reveal details about the project except for the issue of the buffer component.
I would be happy to receive your help so that others can also be exposed to the solution.

Can you please advise what could be the issue, thanks in advance.

regards,

Shai

0 Kudos
Reply

6,688 Views
Pavel_Hernandez
NXP TechSupport
NXP TechSupport

Hello, could you tell me about your connector, the Reset_b is controlled by the Debugger? tell me about the state of the NMI. I attached the KQRUG has some recommendations.

Best regards,
Pavel

0 Kudos
Reply

6,558 Views
shai_b
Senior Contributor II

@Pavel_Hernandez Hello,

There is any update?

Wating for your kind feedback, thanks,

regards,

Shai

0 Kudos
Reply

6,656 Views
shai_b
Senior Contributor II

@Pavel_Hernandez Hello

The reset _b connects to the debugger

In the schematic, it connects to the reset device that controlled the device pin but as part of the debug I connect it straight to the connector

The NMI pin connects with an external Pull up of 10K

JTAG_K22_BUFFER.jpg

Do you want me to measure it?

Waiting for your kind feedback, Thanks a lot.

Regards,

Shai

0 Kudos
Reply

6,545 Views
Pavel_Hernandez
NXP TechSupport
NXP TechSupport

Hello, sorry about this inconvenience, could you available to share an image with the signal of the JTAG in the oscilloscope? this is to review the behavior at a time to prepare to flash. 

What kind of debugger are you using?
Are you using a special flash config?
Are you using a custom bootloader?
What kind of IDE are you using for flashing or how you are trying to flashing? I mean with a command or other method.

Best regards,
Pavel

0 Kudos
Reply

6,521 Views
shai_b
Senior Contributor II

Hi @Pavel_Hernandez,

Please find my comment below:

the signal of the JTAG in the oscilloscope? -> [shai]

TMS after Buffer and TCK TMS after Buffer and TCKTMS after Buffer and TCK

TMS after Buffer TMS after BufferTMS after Buffer



TMS after Buffer and TMS before buffer

TMS after Buffer and TMS before bufferTMS after Buffer and TMS before bufferTMS after Buffer and TMS before bufferTMS after Buffer and TMS before buffer

What kind of debugger are you using? -> [shai] USB Multilink Universal

Are you using a special flash config? -> [shai] We got the files from our partners, they do not know.

Are you using a custom bootloader? -> [shai] MCUXpressoIDE 11.6.1

 

Waiting for your kind feedback, many thank.

Shai

0 Kudos
Reply

6,429 Views
Pavel_Hernandez
NXP TechSupport
NXP TechSupport

Hello, sorry at this point is inconvenient to follow this case in the community please open a private case to follow the support.

Best regards,
Pavel

0 Kudos
Reply

6,333 Views
shai_b
Senior Contributor II

@Pavel_Hernandez ,

Can you please open the ticket and associate the current thread/post so that it will have all the details of a question?

Thanks in advance

KR,

Shai

0 Kudos
Reply