Yes you are right. In the data sheet, it is written.
This limitation (if true) is also found in the "Reference Manual Rev.4" (p.104):

So summarizing, these may be the points that would not allow me to do my trick:
- If it is mandatory to have between the System clock and the Fast Peripheral Clock the ratio of /2, /4 or x2, x4.
- If you use nanoEdge question is whether it is true the limitation that we wrote a little higher.
Small comment:
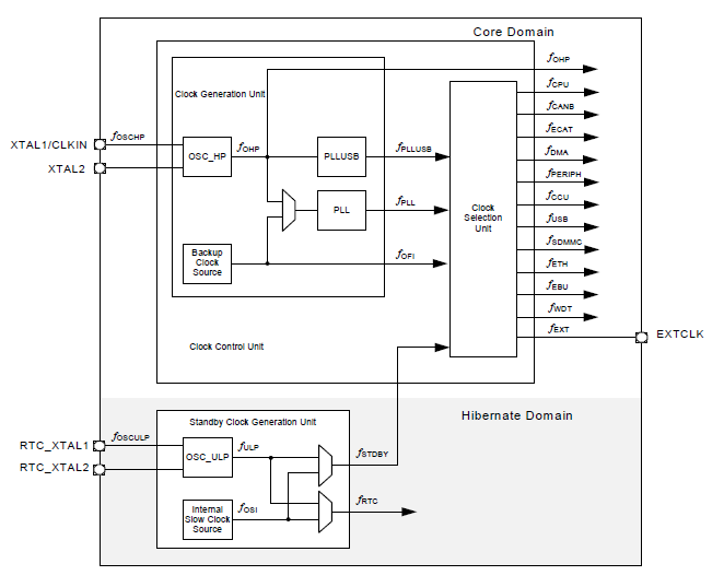
This MCU contains two internal clock generators: one at 4 MHz and the other at 32.768 KHz.
As PLL and FLL have been placed, it is impossible to use the 4 MHz internal clock to generate the MCGOUTCLK main clock at a frequency greater than 4 MHz. What is the point of this thing? Why should I run a 240 MHz CPU to 4 MHz? Maybe to reduce consumption? This is acceptable on battery applications, but not if we are talking about industrial engine control. Therefore, the 4 MHz internal clock is unusable.
Add all these limitations and rules to be observed between the various clocks of the system, to configure the clocks of this MCU is to go crazy.
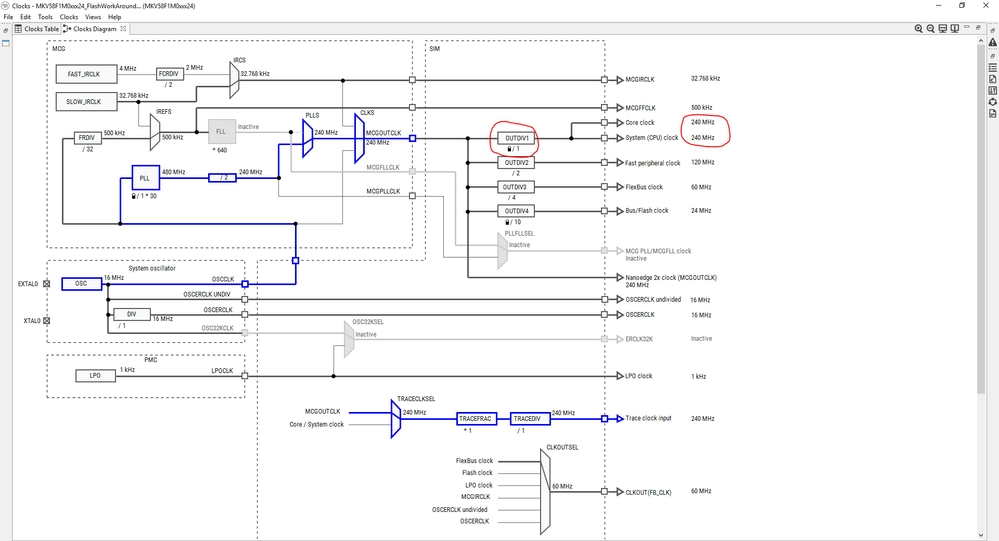
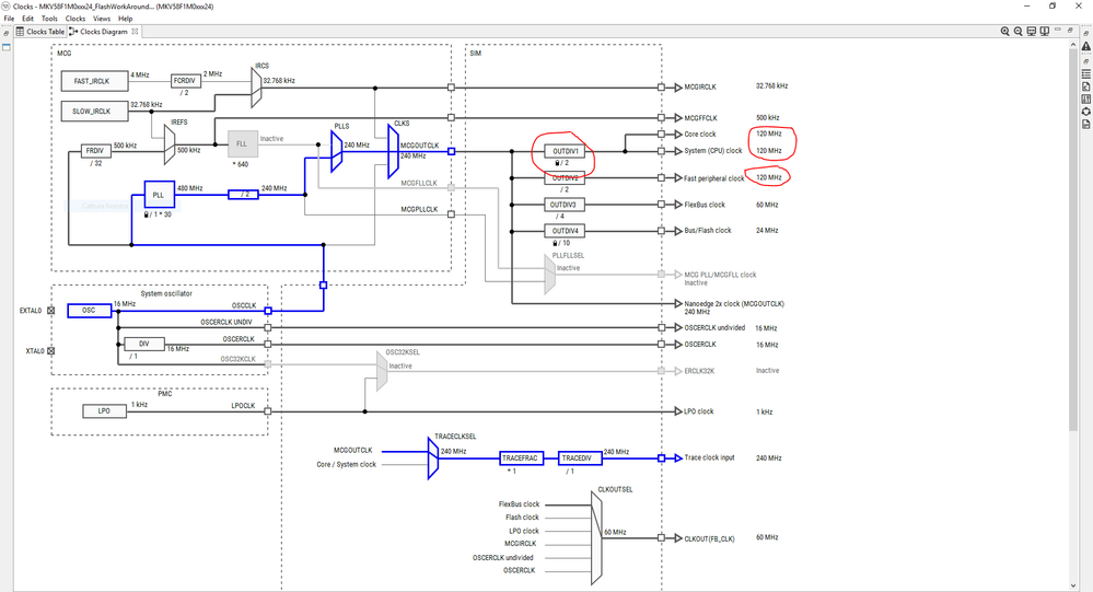
This simple clock example to configure:

What problem could you create in KV5x if you made a simple clock configuration like this example?
I am aware that NXP can say to me: "If you do not like this product, do not use it and go elsewhere".
Instead my criticism wants to be constructive and improve the product. I work with Motorola / Freescale / Nxp products for 15 years, and I've always been fine.
Andrea Canepa.