K82 : optimal clock tree

cancel
Showing results for 
Show  only  | Search instead for 
Did you mean: 

K82 : optimal clock tree

1,324 Views
EugeneHiihtaja
Senior Contributor I

Hello !

I would like to create optimal clock tree for my configuration. I think by using it I can have less power consumption

in RUN mode and LLS mode. And have fast wakeup from LLS3 to RUN by using external/internal LLWU as wakeup source.

I have both crystal oscillators and use couple I2C ( mastrer and slave), RTC, WDOG and LPUART for debug terminal.

LTC and TRNG in use as well. LPO is need for LLWU.

I can see from DS that IRC48 if used consume something and better to avoid usage of it.

I need core/system clock 120 Mhz and Bus clock 60 Mhz.  

But MCG might have different configuration.

LPUART can take clock from crystal oscillator directly.

What can be overall clocking scheme recommendations what lead to lower power consumption and fast wakeup

from LLS3 by using LLWU ?

Regards,

Eugene

0 Kudos
Reply
2 Replies

1,228 Views
kerryzhou
NXP TechSupport
NXP TechSupport

Hi Eugene Hiihtaja,

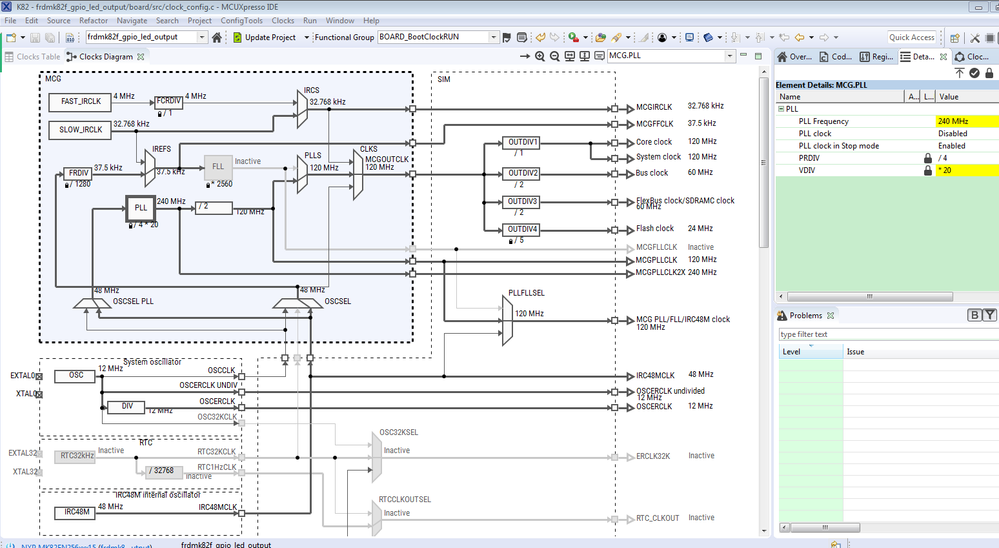
     If you want to use internal IRC48M, you can use the IRC48Mhz as the PLL input ,then configure it like this :

pastedImage_1.png

You also can use the MCUxpresso Config Tool to configure it.

But about the low power consumption, if you work with 120Mhz, the power consumption won't be very low, unless you enter the low power mode.

Wish it helps you!


Have a great day,
Kerry

-----------------------------------------------------------------------------------------------------------------------
Note: If this post answers your question, please click the Correct Answer button. Thank you!
-----------------------------------------------------------------------------------------------------------------------

0 Kudos
Reply

1,228 Views
EugeneHiihtaja
Senior Contributor I

Hi Kerry !

Yes I'm using MCUxpresso Config Tool as initial configurator for my project.

MCU wakeup to 120Mhz quite rare and other time stay in LLS3 mode.

But in documentation mentioned that wakeup time is depends from clock configuration due stabilisation time for some clock units.

And I also believe that minimal path in clocking tree should bring some saving.

In LLS3 mode , proper GPIO pin configuration for all unused pin might have major effect.

Regards,

Eugene

0 Kudos
Reply