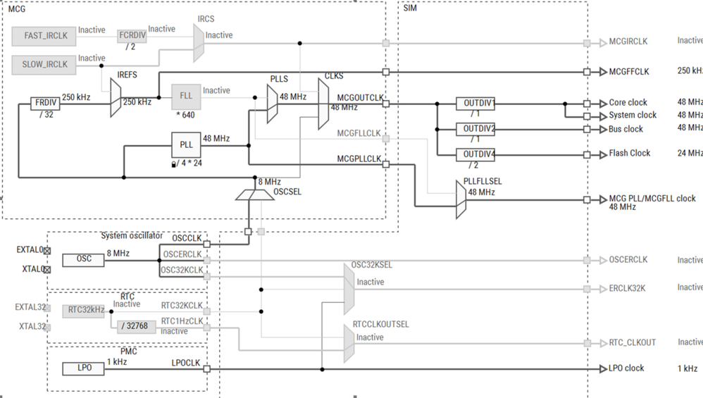
We are using the MK22DX256VMC5, with external crystal + internal PLL as shown below. Our question is how to select the tolerance of the crystal?
for example, we select the 8MHz external crystal, whose freq tolerance is 100ppm, and the main clock is 48MHz using PLL. When we use UART(115200Hz, 1 start, 1 stop, 8 data, no parity, totally 10 bits), how previous mentioned 8MHz crystal 100ppm tolerance will affect the UART communication?
Is the crystal tolerance OK?
How to calculate the tolerance at the UART viewpoint? ( tolerance of crystal -> OSCSEL -> PLL -> PLLS? -> MCGOUTCLK? -> OUTDIV? -> System clock? -> UART error)
