Hello,
I have a KV56 project and I'm trying to get the clock tool running with it to generate the clock_config files but when I click on MCUXpresso Config Tools I get this message:

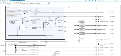
I took the clock_config files from the sdk examples and modified my oscillator frequency to me external oscillator of 12MHz.

This does allow the debug console to work, but I'm afraid I missed something. I also set board XTAL_FREQ to 12MHz

However, when I check CLOCK_GetCoreSysClkFreq it is not close to 240MHz for the HS clock.

