Quadrature-mode requires interleaved edges on BOTH PHA and PHB to count -- the direction being defined by the interplay of 'high'/'low' 'rising'/falling' on both inputs. Toggling just one input will simply make the counter go 'up' and 'down' 1 count on successive edges.
You don't explain further how you want to define whether you count 'up' or 'down' on any given edge of your 'clock'. If you generally just want 'one way or the other' you simply select an external clock for the FTM in question and supply your signal to such external-clock-capable pin. FTM will then count 'up' on one of 'rising' or 'falling' edges, and you can programmatically compute counts in an interval as 'one way or the other'. If you want to supply a faster, externally-defined understanding of 'up' vs. 'down' you will have to build a bit of external hardware that will convert 'count & direction' into the 'PHA/PHB' sequence.
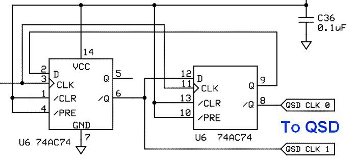
This will make rising-edges into quadrature:

Direction control can be implemented by letting it control a pair of 2to1 muxes that select either these /Q, Q feedback points OR their inverse (Q, /Q) (or exclusive-or gates).