Hi,
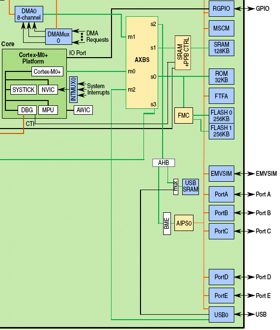
On fig.1 with block diagram from K32L2A datasheet is USB RAM with dedicated connection (black line over mux) to USB module.

Let say that BDT with EP buffer's are placed in USB RAM. In moment of receiving 64 bytes EP packet (K32L2A as USB device) from master (PC) all USB module data access will go over that dedicated connection (black line), or USB module will request access also to (non-USB) RAM. If core executing program from (non-USB) RAM that processing some data stored inside (non-USB) RAM, USB module will steal some cycles (due to non-USB RAM access) or not?
Regards,
Josip