Hi Emiko,
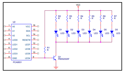
each channel can be controlled individually. If you connect more LEDs to one channel, you will not be able to control each LED connected to this channel individually.

The LEDs above cannot be controlled individually.
The LEDs below can be controlled individually.

If you want to connect more LEDs to one channel, please use a bipolar transistor.

However we also have 24 channels LED controllers. E.g. PCA9956B with I2C interface or PCA9957HN with SPI interface. Please refer to this link for our LED controllers portfolio.

With Best Regards,
Jozef