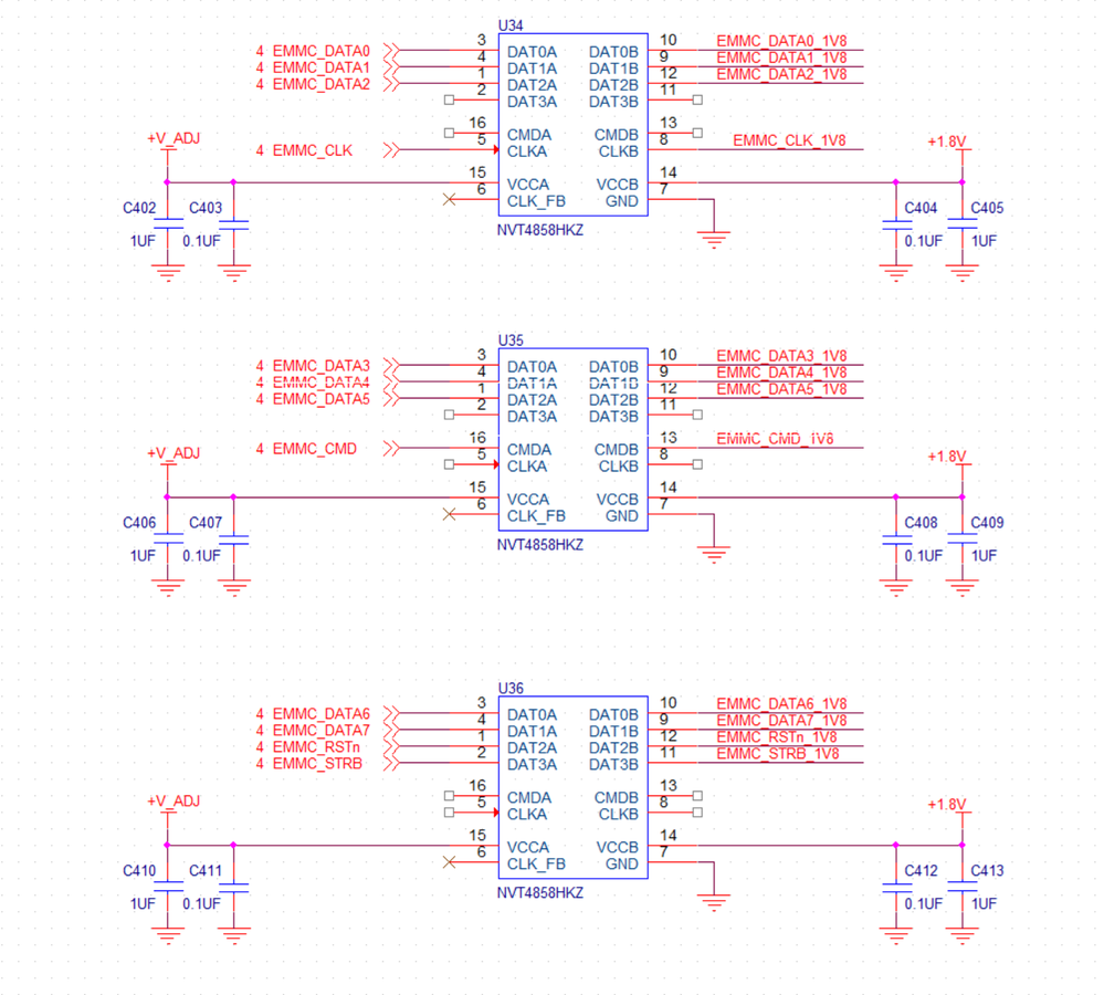
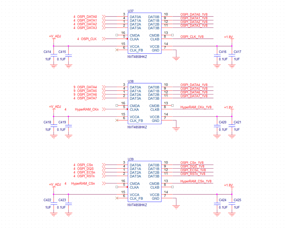
Hi,
I am using NVT4858 as the level shifter for eMMC and OSPI. The circuit schematic is as follows: May I ask how to deal with the unused CLK, CMD and DATA pins? Is it OK just to unconnected? Please give your suggestions on the following circuit. Thank you.

