Hello,
I could not find anything in the datasheet.
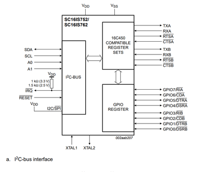
What is the best practice for unused pins for SC16IS752?
I currently do not need TXB, RXB, /RTSB, /CTSB and GPIO0 to GPIO7.

(I know a lot of unused pins, I am using this IC for another project already which makes it easier.)
Thanks!