Hello Antonh,
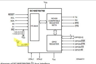
I am missing pull-up resistors on the SCL, SDA and IRQ pins. For the IRQ pin, the required pull-up resistor is 1kOhm to VDD, for VDD=3.3V.

The SCL and SDA pull-up resistors, they should be calculated from the I2C communication speed (maximum allowed for the SC16IS740 is 400kHz). Please let me know your I2C communication speed and approximate length of the SDA and SCL PCB traces and/or cables, so I can estimate the bus capacitance for the pull-up resistors calculation.

Also please remove the 10k pull-up resistor from the I2C/SPI pin and connect it directly to VDD=3V3.

With Best Regards,
Jozef