Hi,
Thank you for your interest in NXP Semiconductor products and for the opportunity to serve you.
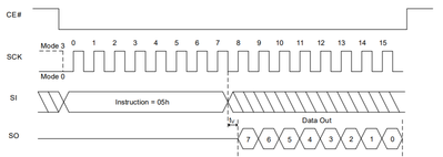
1) Why does the reading status register clocks 4 data byte out?
-- To be honest, I don't know, the phenomenon is definitely inconsistent with the datasheet for IS25LP128. I think it needs to contact ISSI for confirming.

2) Is there any differences (e.g. which is executed first or only on power-up, HW reset, ...) between device mode configuration and config command, which are both parts of FlexSPI boot configuration?
-- No, I'm afraid not.
3) Is the ROM bootloader using a fixed LUT sequence for status register reading or the configured entries in boot configuration?
-- I think we use a fixed LUT sequence for status register reading even I don't know the source code of the ROM code.
Have a great day,
TIC
-------------------------------------------------------------------------------
Note:
- If this post answers your question, please click the "Mark Correct" button. Thank you!
- We are following threads for 7 weeks after the last post, later replies are ignored
Please open a new thread and refer to the closed one, if you have a related question at a later point in time.
-------------------------------------------------------------------------------