How to change the CPU clock on MXRT595

キャンセル
次の結果を表示 
表示  限定  | 次の代わりに検索 
もしかして: 

How to change the CPU clock on MXRT595

ソリューションへジャンプ
1,760件の閲覧回数
Wayne2
Contributor II

Hello NXP team

Now I used the MXRT 595, I want to change the CPU clock from 192MHz to 96MHz.

I have referred some power examples, I didn't find the interface which can change the CPU clock.

And in the IDE clock table, there are two similar clocks, FRO and system clock. 

The FRO could be changed 192MHz to 96MHz, Is this the right place to modify the CPU clock?

Wayne2_0-1669083971525.png

 

タグ(1)
0 件の賞賛
返信
1 解決策
1,724件の閲覧回数
jingpan
NXP TechSupport
NXP TechSupport

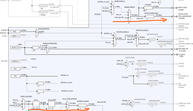
Hi @Wayne2 ,

You can set in this way.

jingpan_0-1670210213502.png

You'd better use config tool to set clock if you are not familiar with RT600 clock tree.

 

Regards,

Jing

 

元の投稿で解決策を見る

0 件の賞賛
返信
3 返答(返信)
1,753件の閲覧回数
jay_heng
NXP Employee
NXP Employee

You can refer to CLOCK_GetMainClkFreq() function in SDK fsl_clock.c driver to know the clock source of CPU, then set the divider value.

CPU Clk Source from MAINCLKSELA 2'b01 - FRODIVSEL Clock,      CLKCTL0->FRODIVSEL

CPU Clk Source from MAINCLKSELB 2'b01 - Main System PLL Clock,     CLKCTL0->MAINPLLCLKDIV

0 件の賞賛
返信
1,741件の閲覧回数
Wayne2
Contributor II

Hi NXP team

We have checked our CPU clock is from the MAINCLKSELB 2'b01 - Main System PLL Clock.

We want to change the CPU clock to 192MHz or 96MHz.

Could you tell me how to change it use the CLKCTL0->MAINPLLCLKDIV?

Thanks!

0 件の賞賛
返信
1,725件の閲覧回数
jingpan
NXP TechSupport
NXP TechSupport

Hi @Wayne2 ,

You can set in this way.

jingpan_0-1670210213502.png

You'd better use config tool to set clock if you are not familiar with RT600 clock tree.

 

Regards,

Jing

 

0 件の賞賛
返信