question about use MFGtools

キャンセル
次の結果を表示 
表示  限定  | 次の代わりに検索 
もしかして: 

question about use MFGtools

ソリューションへジャンプ
31,773件の閲覧回数
eddyliu
Contributor I

hi all,

I am working on PCIMX6S6AVM08AB and use Mfgtools-Rel-4.1.0_130816_MX6DL_UPDATER to down load u-boot uImage and fs to eMMC.

in my ucl2.xml:

Header 1
<LIST name="i.MX6SOLO-SABRESD-SD" desc="Choose SD as media">
    <CMD state="BootStrap" type="boot" body="BootStrap" file ="u-boot-mx6solo-sabresd.bin" >Loading U-boot</CMD>
    <CMD state="BootStrap" type="load" file="uImage" address="0x10800000"
        loadSection="OTH" setSection="OTH" HasFlashHeader="FALSE" >Loading Kernel.</CMD>
    <CMD state="BootStrap" type="load" file="initramfs.cpio.gz.uboot" address="0x10C00000"
        loadSection="OTH" setSection="OTH" HasFlashHeader="FALSE" >Loading Initramfs.</CMD>
    <CMD state="BootStrap" type="jump" > Jumping to OS image. </CMD>
  
    <CMD state="Updater" type="push" body="$ ls /dev/">ls -l /dev/</CMD>

on terminal:

Header 1
U-Boot 2009.08 (Aug 16 2013 - 15:02:51)

CPU: Freescale i.MX6 family TO1.1 at 792 MHz
Thermal sensor with ratio = 188
Temperature:   40 C, calibration data 0x5a34e87d
mx6q pll1: 792MHz
mx6q pll2: 528MHz
mx6q pll3: 480MHz
mx6q pll8: 50MHz
ipg clock     : 66000000Hz
ipg per clock : 66000000Hz
uart clock    : 80000000Hz
cspi clock    : 60000000Hz
ahb clock     : 132000000Hz
axi clock   : 198000000Hz
emi_slow clock: 99000000Hz
ddr clock     : 396000000Hz
usdhc1 clock  : 198000000Hz
usdhc2 clock  : 198000000Hz
usdhc3 clock  : 198000000Hz
usdhc4 clock  : 198000000Hz
nfc clock     : 24000000Hz
Board: i.MX6DL/Solo-SABRESD: unknown-board Board: 0x61011 [POR ]
Boot Device: MMC
I2C:   ready
DRAM:  512 MB
MMC:   FSL_USDHC: 0,FSL_USDHC: 1,FSL_USDHC: 2,FSL_USDHC: 3
Using default environment

In:    serial
Out:   serial
Err:   serial
Net:   got MAC address from IIM: 00:00:00:00:00:00
FEC0 [PRIME]
Hit any key to stop autoboot:  0
## Booting kernel from Legacy Image at 10800000 ...
   Image Name:   Linux-3.0.35-2666-gbdde708
   Image Type:   ARM Linux Kernel Image (uncompressed)
   Data Size:    3165516 Bytes =  3 MB
   Load Address: 10008000
   Entry Point:  10008000
   Verifying Checksum ... OK
## Loading init Ramdisk from Legacy Image at 10c00000 ...
   Image Name:   uboot initramfs rootfs
   Image Type:   ARM Linux RAMDisk Image (gzip compressed)
   Data Size:    4545326 Bytes =  4.3 MB
   Load Address: 00000000
   Entry Point:  00000000
   Verifying Checksum ... OK
   Loading Kernel Image ... OK
OK

Starting kernel ...

Uncompressing Linux... done, booting the kernel.
Linux version 3.0.35-2666-gbdde708 (r65388@shlinux3) (gcc version 4.6.2 20110630 (prerelease) (Freescale MAD -- Linaro 2011.07 -- Built at 2011/08/10 09
:20) ) #1 SMP PREEMPT Fri Aug 16 14:34:30 CST 2013
CPU: ARMv7 Processor [412fc09a] revision 10 (ARMv7), cr=10c53c7d
CPU: VIPT nonaliasing data cache, VIPT aliasing instruction cache
Machine: Freescale i.MX 6Quad/DualLite/Solo Sabre-SD Board
Memory policy: ECC disabled, Data cache writealloc
CPU identified as i.MX6DL/SOLO, silicon rev 1.1
PERCPU: Embedded 7 pages/cpu @8bc06000 s5184 r8192 d15296 u32768
Built 1 zonelists in Zone order, mobility grouping on.  Total pages: 97280
Kernel command line: console=ttymxc0,115200 rdinit=/linuxrc enable_wait_mode=off nosmp
PID hash table entries: 2048 (order: 1, 8192 bytes)
Dentry cache hash table entries: 65536 (order: 6, 262144 bytes)
Inode-cache hash table entries: 32768 (order: 5, 131072 bytes)
Memory: 384MB = 384MB total
Memory: 377924k/377924k available, 146364k reserved, 0K highmem
Virtual kernel memory layout:
    vector  : 0xffff0000 - 0xffff1000   (   4 kB)
    fixmap  : 0xfff00000 - 0xfffe0000   ( 896 kB)
    DMA     : 0xf4600000 - 0xffe00000   ( 184 MB)
    vmalloc : 0xa0800000 - 0xf2000000   (1304 MB)
    lowmem  : 0x80000000 - 0xa0000000   ( 512 MB)
    pkmap   : 0x7fe00000 - 0x80000000   (   2 MB)
    modules : 0x7f000000 - 0x7fe00000   (  14 MB)
      .init : 0x80008000 - 0x8003a000   ( 200 kB)
      .text : 0x8003a000 - 0x805ada70   (5583 kB)
      .data : 0x805ae000 - 0x805fc880   ( 315 kB)
       .bss : 0x805fc8a4 - 0x806277f4   ( 172 kB)
SLUB: Genslabs=13, HWalign=32, Order=0-3, MinObjects=0, CPUs=1, Nodes=1
Preemptible hierarchical RCU implementation.
NR_IRQS:624
MXC GPIO hardware
sched_clock: 32 bits at 3000kHz, resolution 333ns, wraps every 1431655ms
Set periph_clk's parent to pll2_pfd_400M!
arm_max_freq=800MHz
MXC_Early serial console at MMIO 0x2020000 (options '115200')
bootconsole [ttymxc0] enabled
Console: colour dummy device 80x30
Calibrating delay loop... 1581.05 BogoMIPS (lpj=7905280)
pid_max: default: 32768 minimum: 301
Mount-cache hash table entries: 512
CPU: Testing write buffer coherency: ok
hw perfevents: enabled with ARMv7 Cortex-A9 PMU driver, 7 counters available
Brought up 1 CPUs
SMP: Total of 1 processors activated (1581.05 BogoMIPS).
print_constraints: dummy:
NET: Registered protocol family 16
print_constraints: vddpu: 725 <--> 1300 mV at 700 mV fast normal
print_constraints: vddcore: 725 <--> 1300 mV at 1150 mV fast normal
print_constraints: vddsoc: 725 <--> 1300 mV at 1200 mV fast normal
print_constraints: vdd2p5: 2000 <--> 2775 mV at 2400 mV fast normal
print_constraints: vdd1p1: 800 <--> 1400 mV at 1100 mV fast normal
print_constraints: vdd3p0: 2625 <--> 3400 mV at 3000 mV fast normal
hw-breakpoint: found 6 breakpoint and 1 watchpoint registers.
hw-breakpoint: 1 breakpoint(s) reserved for watchpoint single-step.
hw-breakpoint: maximum watchpoint size is 4 bytes.
L310 cache controller enabled
l2x0: 16 ways, CACHE_ID 0x410000c8, AUX_CTRL 0x02050000, Cache size: 524288 B
bio: create slab <bio-0> at 0
mxs-dma mxs-dma-apbh: initialized
print_constraints: SPKVDD: 4200 mV
print_constraints: vmmc: 3300 mV
SCSI subsystem initialized
spi_imx imx6q-ecspi.0: probed
usbcore: registered new interface driver usbfs
usbcore: registered new interface driver hub
usbcore: registered new device driver usb
mc_pfuze 1-0008: recv failed!:-5,80
mc_pfuze: probe of 1-0008 failed with error -1
imx-ipuv3 imx-ipuv3.0: IPU DMFC NORMAL mode: 1(0~1), 5B(4,5), 5F(6,7)
Advanced Linux Sound Architecture Driver Version 1.0.24.
Bluetooth: Core ver 2.16
NET: Registered protocol family 31
Bluetooth: HCI device and connection manager initialized
Bluetooth: HCI socket layer initialized
Bluetooth: L2CAP socket layer initialized
Bluetooth: SCO socket layer initialized
max17135 2-0048: PMIC MAX17135 for eInk display
i2c-core: driver [max17135] using legacy suspend method
i2c-core: driver [max17135] using legacy resume method
Switching to clocksource mxc_timer1
NET: Registered protocol family 2
IP route cache hash table entries: 4096 (order: 2, 16384 bytes)
TCP established hash table entries: 16384 (order: 5, 131072 bytes)
TCP bind hash table entries: 16384 (order: 5, 196608 bytes)
TCP: Hash tables configured (established 16384 bind 16384)
TCP reno registered
UDP hash table entries: 256 (order: 1, 8192 bytes)
UDP-Lite hash table entries: 256 (order: 1, 8192 bytes)
NET: Registered protocol family 1
RPC: Registered named UNIX socket transport module.
RPC: Registered udp transport module.
RPC: Registered tcp transport module.
RPC: Registered tcp NFSv4.1 backchannel transport module.
Unpacking initramfs...
Freeing initrd memory: 4436K
PMU: registered new PMU device of type 0
Static Power Management for Freescale i.MX6
wait mode is disabled for i.MX6
cpaddr = a0820000 suspend_iram_base=a08b4000
PM driver module loaded
IMX usb wakeup probe
cpu regulator mode:ldo_enable
i.MXC CPU frequency driver
JFFS2 version 2.2. (NAND) © 2001-2006 Red Hat, Inc.
msgmni has been set to 746
cryptodev: driver loaded.
io scheduler noop registered
io scheduler deadline registered
io scheduler cfq registered (default)
mxc_sdc_fb mxc_sdc_fb.0: register mxc display driver ldb
_regulator_get: get() with no identifier
imx-ipuv3 imx-ipuv3.0: IPU DMFC DP HIGH RESOLUTION: 1(0,1), 5B(2~5), 5F(6,7)
Console: switching to colour frame buffer device 128x48
mxc_sdc_fb mxc_sdc_fb.1: register mxc display driver ldb
imx-sdma imx-sdma: loaded firmware 1.1
imx-sdma imx-sdma: initialized
Serial: IMX driver
imx-uart.2: ttymxc2 at MMIO 0x21ec000 (irq = 60) is a IMX
imx-uart.0: ttymxc0 at MMIO 0x2020000 (irq = 58) is a IMX
console [ttymxc0] enabled, bootconsole disabled
console [ttymxc0] enabled, bootconsole disabled
loop: module loaded
m25p80 spi0.0: unrecognized JEDEC id ffffff
GPMI NAND driver registered. (IMX)
vcan: Virtual CAN interface driver
FEC Ethernet Driver
fec_enet_mii_bus: probed
Initializing USB Mass Storage driver...
usbcore: registered new interface driver usb-storage
USB Mass Storage support registered.
ARC USBOTG Device Controller driver (1 August 2005)
add wake up source irq 75
g_file_storage gadget: controller 'fsl-usb2-udc' not recognized
check_parameters:UTP settings are in place now, overriding defaults
g_file_storage gadget: No serial-number string provided!
g_file_storage gadget: File-backed Storage Gadget, version: 1 September 2010
g_file_storage gadget: Number of LUNs=1
fsl-usb2-udc: bind to driver g_file_storage
mousedev: PS/2 mouse device common for all mice
egalax_ts 1-0004: egalax_ts: failed to read firmware version
egalax_ts: probe of 1-0004 failed with error -5
egalax_ts 2-0004: egalax_ts: failed to read firmware version
egalax_ts: probe of 2-0004 failed with error -5
snvs_rtc snvs_rtc.0: rtc core: registered snvs_rtc as rtc0
i2c /dev entries driver
Linux video capture interface: v2.00
mxc_v4l2_output mxc_v4l2_output.0: V4L2 device registered as video16
mxc_v4l2_output mxc_v4l2_output.0: V4L2 device registered as video17
mxc_v4l2_output mxc_v4l2_output.0: V4L2 device registered as video18
imx2-wdt imx2-wdt.0: IMX2+ Watchdog Timer enabled. timeout=60s (nowayout=1)
Bluetooth: Virtual HCI driver ver 1.3
Bluetooth: Generic Bluetooth USB driver ver 0.6
usbcore: registered new interface driver btusb
sdhci: Secure Digital Host Controller Interface driver
sdhci: Copyright(c) Pierre Ossman
mmc0: SDHCI controller on platform [sdhci-esdhc-imx.3] using ADMA
mmc1: SDHCI controller on platform [sdhci-esdhc-imx.1] using ADMA
mmc2: SDHCI controller on platform [sdhci-esdhc-imx.2] using ADMA
mxc_vdoa mxc_vdoa: i.MX Video Data Order Adapter(VDOA) driver probed
VPU initialized
mxc_asrc registered
usbcore: registered new interface driver usbhid
usbhid: USB HID core driver
Cirrus Logic CS42888 ALSA SoC Codec Driver
i2c-core: driver [cs42888] using legacy suspend method
i2c-core: driver [cs42888] using legacy resume method
imx-hdmi-soc-dai imx-hdmi-soc-dai.0: Failed: Load HDMI-video first.
imx_3stack asoc driver
ALSA device list:
  No soundcards found.
TCP cubic registered
NET: Registered protocol family 17
can: controller area network core (rev 20090105 abi 8)
NET: Registered protocol family 29
can: raw protocol (rev 20090105)
can: broadcast manager protocol (rev 20090105 t)
Bluetooth: RFCOMM TTY layer initialized
Bluetooth: RFCOMM socket layer initialized
Bluetooth: RFCOMM ver 1.11
Bluetooth: BNEP (Ethernet Emulation) ver 1.3
Bluetooth: BNEP filters: protocol multicast
Bluetooth: HIDP (Human Interface Emulation) ver 1.2
VFP support v0.3: implementor 41 architecture 3 part 30 variant 9 rev 4
Bus freq driver module loaded
Bus freq driver Enabled
mxc_dvfs_core_probe
DVFS driver module loaded
regulator_init_complete: SPKVDD: incomplete constraints, leaving on
snvs_rtc snvs_rtc.0: setting system clock to 1970-01-01 00:00:00 UTC (0)
Freeing init memory: 200K
Starting UTP
ln: /etc/mtab: File exists
disable turn off display
Starting the hotplug events dispatcher udevd
Synthesizing initial hotplug events
udevd (2079): /proc/2079/oom_adj is deprecated, please use /proc/2079/oom_score_adj instead.
g_file_storage gadget: high speed config #1
uuc 0.4 [built Aug 16 2013 01:24:08]
UTP: Waiting for device to appear
UTP: file/device node /dev/utp already exists
cpu_id is 0
UTP: received command '$ ls /dev/'
UTP: executing "ls /dev/"
XOR                 ptyra               tty25               ttyr0
apm_bios            ptyrb               tty26               ttyr1
console             ptyrc               tty27               ttyr2
cpu_dma_latency     ptyrd               tty28               ttyr3
crypto              ptyre               tty29               ttyr4
fb                  ptyrf               tty3                ttyr5
fb0                 ptys0               tty30               ttyr6
fb1                 ptys1               tty31               ttyr7
fb2                 ptys2               tty32               ttyr8
full                ptys3               tty33               ttyr9
i2c-0               ptys4               tty34               ttyra
i2c-1               ptys5               tty35               ttyrb
i2c-2               ptys6               tty36               ttyrc
i2c-3               ptys7               tty37               ttyrd
input               ptys8               tty38               ttyre
kmem                ptys9               tty39               ttyrf
kmsg                ptysa               tty4                ttys0
loop0               ptysb               tty40               ttys1
loop1               ptysc               tty41               ttys2
loop2               ptysd               tty42               ttys3
loop3               ptyse               tty43               ttys4
loop4               ptysf               tty44               ttys5
loop5               ptyt0               tty45               ttys6
loop6               ptyt1               tty46               ttys7
loop7               ptyt2               tty47               ttys8
mem                 ptyt3               tty48               ttys9
mxc_asrc            ptyt4               tty49               ttysa
mxc_hdmi            ptyt5               tty5                ttysb
mxc_ipu             ptyt6               tty50               ttysc
mxc_mem             ptyt7               tty51               ttysd
mxc_vpu             ptyt8               tty52               ttyse
mxs_viim            ptyt9               tty53               ttysf
network_latency     ptyta               tty54               ttyt0
network_throughput  ptytb               tty55               ttyt1
null                ptytc               tty56               ttyt2
psaux               ptytd               tty57               ttyt3
ptmx                ptyte               tty58               ttyt4
pts                 ptytf               tty59               ttyt5
ptya0               ptyu0               tty6                ttyt6
ptya1               ptyu1               tty60               ttyt7
ptya2               ptyu2               tty61               ttyt8
ptya3               ptyu3               tty62               ttyt9
ptya4               ptyu4               tty63               ttyta
ptya5               ptyu5               tty7                ttytb
ptya6               ptyu6               tty8                ttytc
ptya7               ptyu7               tty9                ttytd
ptya8               ptyu8               ttya0               ttyte
ptya9               ptyu9               ttya1               ttytf
ptyaa               ptyua               ttya2               ttyu0
ptyab               ptyub               ttya3               ttyu1
ptyac               ptyuc               ttya4               ttyu2
ptyad               ptyud               ttya5               ttyu3
ptyae               ptyue               ttya6               ttyu4
ptyaf               ptyuf               ttya7               ttyu5
ptyb0               ptyv0               ttya8               ttyu6
ptyb1               ptyv1               ttya9               ttyu7
ptyb2               ptyv2               ttyaa               ttyu8
ptyb3               ptyv3               ttyab               ttyu9
ptyb4               ptyv4               ttyac               ttyua
ptyb5               ptyv5               ttyad               ttyub
ptyb6               ptyv6               ttyae               ttyuc
ptyb7               ptyv7               ttyaf               ttyud
ptyb8               ptyv8               ttyb0               ttyue
ptyb9               ptyv9               ttyb1               ttyuf
ptyba               ptyva               ttyb2               ttyv0
ptybb               ptyvb               ttyb3               ttyv1
ptybc               ptyvc               ttyb4               ttyv2
ptybd               ptyvd               ttyb5               ttyv3
ptybe               ptyve               ttyb6               ttyv4
ptybf               ptyvf               ttyb7               ttyv5
ptyc0               ptyw0               ttyb8               ttyv6
ptyc1               ptyw1               ttyb9               ttyv7
ptyc2               ptyw2               ttyba               ttyv8
ptyc3               ptyw3               ttybb               ttyv9
ptyc4               ptyw4               ttybc               ttyva
ptyc5               ptyw5               ttybd               ttyvb
ptyc6               ptyw6               ttybe               ttyvc
ptyc7               ptyw7               ttybf               ttyvd
ptyc8               ptyw8               ttyc0               ttyve
ptyc9               ptyw9               ttyc1               ttyvf
ptyca               ptywa               ttyc2               ttyw0
ptycb               ptywb               ttyc3               ttyw1
ptycc               ptywc               ttyc4               ttyw2
ptycd               ptywd               ttyc5               ttyw3
ptyce               ptywe               ttyc6               ttyw4
ptycf               ptywf               ttyc7               ttyw5
ptyd0               ptyx0               ttyc8               ttyw6
ptyd1               ptyx1               ttyc9               ttyw7
ptyd2               ptyx2               ttyca               ttyw8
ptyd3               ptyx3               ttycb               ttyw9
ptyd4               ptyx4               ttycc               ttywa
ptyd5               ptyx5               ttycd               ttywb
ptyd6               ptyx6               ttyce               ttywc
ptyd7               ptyx7               ttycf               ttywd
ptyd8               ptyx8               ttyd0               ttywe
ptyd9               ptyx9               ttyd1               ttywf
ptyda               ptyxa               ttyd2               ttyx0
ptydb               ptyxb               ttyd3               ttyx1
ptydc               ptyxc               ttyd4               ttyx2
ptydd               ptyxd               ttyd5               ttyx3
ptyde               ptyxe               ttyd6               ttyx4
ptydf               ptyxf               ttyd7               ttyx5
ptye0               ptyy0               ttyd8               ttyx6
ptye1               ptyy1               ttyd9               ttyx7
ptye2               ptyy2               ttyda               ttyx8
ptye3               ptyy3               ttydb               ttyx9
ptye4               ptyy4               ttydc               ttyxa
ptye5               ptyy5               ttydd               ttyxb
ptye6               ptyy6               ttyde               ttyxc
ptye7               ptyy7               ttydf               ttyxd
ptye8               ptyy8               ttye0               ttyxe
ptye9               ptyy9               ttye1               ttyxf
ptyea               ptyya               ttye2               ttyy0
ptyeb               ptyyb               ttye3               ttyy1
ptyec               ptyyc               ttye4               ttyy2
ptyed               ptyyd               ttye5               ttyy3
ptyee               ptyye               ttye6               ttyy4
ptyef               ptyyf               ttye7               ttyy5
ptyp0               ptyz0               ttye8               ttyy6
ptyp1               ptyz1               ttye9               ttyy7
ptyp2               ptyz2               ttyea               ttyy8
ptyp3               ptyz3               ttyeb               ttyy9
ptyp4               ptyz4               ttyec               ttyya
ptyp5               ptyz5               ttyed               ttyyb
ptyp6               ptyz6               ttyee               ttyyc
ptyp7               ptyz7               ttyef               ttyyd
ptyp8               ptyz8               ttymxc0             ttyye
ptyputp_poll: pass returned.
9               ptyz9               ttymxc2             ttyyf
ptypa               ptyza               ttyp0               ttyz0
ptypb               ptyzb               ttyp1               ttyz1
ptypc               ptyzc               ttyp2               ttyz2
ptypd               ptyzd               ttyp3               ttyz3
ptype               ptyze               ttyp4               ttyz4
ptypf               ptyzf               ttyp5               ttyz5
ptyq0               random              ttyp6               ttyz6
ptyq1               rfkill              ttyp7               ttyz7
ptyq2               rtc                 ttyp8               ttyz8
ptyq3               rtc0                ttyp9               ttyz9
ptyq4               shm                 ttypa               ttyza
ptyq5               snd                 ttypb               ttyzb
ptyq6               tracebuf            ttypc               ttyzc
ptyq7               tty                 ttypd               ttyzd
ptyq8               tty0                ttype               ttyze
ptyq9               tty1                ttypf               ttyzf
ptyqa               tty10               ttyq0               ubi_ctrl
ptyqb               tty11               ttyq1               urandom
ptyqc               tty12               ttyq2               utp
ptyqd               tty13               ttyq3               vcs
ptyqe               tty14               ttyq4               vcs1
ptyqf               tty15               ttyq5               vcsa
ptyr0               tty16               ttyq6               vcsa1
ptyr1               tty17               ttyq7               vhci
ptyr2               tty18               ttyq8               video16
ptyr3               tty19               ttyq9               video17
ptyr4               tty2                ttyqa               video18
ptyr5               tty20               ttyqb               watchdog
ptyr6               tty21               ttyqc               zero
ptyr7               tty22               ttyqd
ptyr8               tty23               ttyqe
ptyr9               tty24               ttyqf
UTP: sending Success to kernel for command $ ls /dev/.

No eMMC relative device node is found in /dev/. now I want to use eMMC as  boot device, can you tell me what I can do for that?

thanks sincerely.

Message was edited by: Eddy Liu

ラベル(1)
タグ(1)
0 件の賞賛
返信
1 解決策
29,098件の閲覧回数
GraceH
Senior Contributor II

Hi Eddy,

You need set boot parameters.  Please reference 9.2 Running the Image from MMC/SD of i.MX_6Solo6DualLite_SABRE-AI_Linux_User's_Guide.pdf to set your boot command.

Grace

元の投稿で解決策を見る

0 件の賞賛
返信
17 返答(返信)
29,098件の閲覧回数
GraceH
Senior Contributor II

Your log shows your board has no eMMC device. During kernel boot, you should see eMMC device is scanned.

DVFS driver module loaded

regulator_init_complete: PFUZE100_VGEN6: incomplete constraints, leaving on

mmc0: new high speed DDR MMC card at address 0001

mmcblk0: mmc0:0001 SEM08G 7.39 GiB

mmcblk0boot0: mmc0:0001 SEM08G partition 1 2.00 MiB

regulator_init_complete: PFUZE100_VGEN3: incomplete constraints, leaving on

mmcblk0boot1: mmc0:0001 SEM08G partition 2 2.00 MiB

mmcblk0: p1 p2 p3 < p5 p6 p7 p8 p9 > p4

Grace

0 件の賞賛
返信
29,098件の閲覧回数
eddyliu
Contributor I

Hi Grace Si,

Thanks for your response. In my Log. No eMMC device is found. But I am wondering why eMMC device can not be found on my hardware board. On my hardware board eMMC device layout is same as SABRE-AI_DualLite_CPUcard which is EV kit of freescale:

On my hardware board:

nl3.PNG.png

On SABRE-AI_DualLite_CPUcard:

freescale.PNG.png

I can make sure eMMC device is working on my hardware board because QNX system can run my hardware board which use eMMC device as boot program storage space.

0 件の賞賛
返信
29,098件の閲覧回数
GraceH
Senior Contributor II

Hi Eddy,

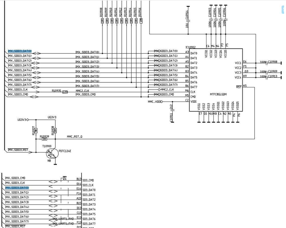
Except pin CLK, CMD, DAT0-7, you need also check whether SD3_CD and SD3_WP are correctly muxed.

static iomux_v3_cfg_t mx6dl_sabreauto_pads[] = {

/* SD3 */

MX6DL_PAD_SD3_CLK__USDHC3_CLK_50MHZ,

MX6DL_PAD_SD3_CMD__USDHC3_CMD_50MHZ,

MX6DL_PAD_SD3_DAT0__USDHC3_DAT0_50MHZ,

MX6DL_PAD_SD3_DAT1__USDHC3_DAT1_50MHZ,

MX6DL_PAD_SD3_DAT2__USDHC3_DAT2_50MHZ,

MX6DL_PAD_SD3_DAT3__USDHC3_DAT3_50MHZ,

MX6DL_PAD_SD3_DAT4__USDHC3_DAT4_50MHZ,

MX6DL_PAD_SD3_DAT5__USDHC3_DAT5_50MHZ,

MX6DL_PAD_SD3_DAT6__USDHC3_DAT6_50MHZ,

MX6DL_PAD_SD3_DAT7__USDHC3_DAT7_50MHZ,

/* SD3 VSelect */

MX6DL_PAD_GPIO_18__USDHC3_VSELECT,

/* SD3_CD and SD3_WP */

MX6DL_PAD_NANDF_CS2__GPIO_6_15,

MX6DL_PAD_SD2_DAT2__GPIO_1_13,

}

Grace

0 件の賞賛
返信
29,098件の閲覧回数
eddyliu
Contributor I

Hi Grace Si,

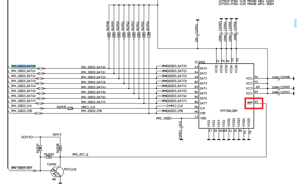
Under your reminding. I checked pins between my hardware board and freescale board except pins CLK, CMD and DAT0-7. I am notified SD3_CD and SD3_WP is not existed on my hardware board, while RST pin is on my hardware board which is not existed on freescale board. What does this two pins do? Is it necessary for eMMC or eMMC has many different hardware interface?

freescale.PNG.png

nl3.PNG.png

I check eMMC hardware interface on line which is same as my hardware board

net.PNG.png

0 件の賞賛
返信
29,098件の閲覧回数
GraceH
Senior Contributor II

Hi Eddy,

If your board is not same as FSL board, you need modify mx6q_sabreauto_sd3_data in

/arch/arm/mach-mx6/board-mx6q_sabreauto.c

original:

static const struct esdhc_platform_data mx6q_sabreauto_sd3_data __initconst = {

  .cd_gpio = SABREAUTO_SD3_CD,

  .wp_gpio = SABREAUTO_SD3_WP,

  .keep_power_at_suspend = 1,

  .support_18v = 1,

  .support_8bit = 1,

  .delay_line = 0,

  .platform_pad_change = plt_sd_pad_change,

};

change to ->

static const struct esdhc_platform_data mx6q_sabreauto_sd3_data __initconst = {

  .always_present = 1,

  .keep_power_at_suspend = 1,

  .support_8bit = 1,

  .delay_line = 0,

  .cd_type = ESDHC_CD_PERMANENT,

};


Grace

0 件の賞賛
返信
29,098件の閲覧回数
eddyliu
Contributor I

Hi Grace,

Maybe you are right, I need to modify my code for porting linux on my board. But first I do not understand the hardware design of FSL board. The only difference between my hardware board and FSL board is the RST pin and CD pin WP pin. Why does FSL board use CD pin and WP pin instead of RST pin. Can you tell me the function of CD pin and WP pin on FSL board? I do not think it is necessary for eMMC device.

0 件の賞賛
返信
29,098件の閲覧回数
GraceH
Senior Contributor II

Hi Eddy,

CD( card detect) pin and WP (write protect) pin are needed for removable SD card, but NOT needed for non-removable eMMC.

Regards,

Grace

0 件の賞賛
返信
29,098件の閲覧回数
eddyliu
Contributor I

Hi Grace,

As you say, CD pin and WP pin is not needed for non-removable eMMC. So no difference in hardware between my hardware board and FSL board. Why eMMC device can not be found on my hardware board which can be found on FSL board? Does FSL board not support non-removable eMMC?

0 件の賞賛
返信
29,098件の閲覧回数
GraceH
Senior Contributor II

In FSL board, SD3 is configured for removable card, so CD pin and WP pin are defined in mx6q_sabreauto_sd3. If you use SD3 as non-removable, you must modify the structure of mx6q_sabreauto_sd3.


Grace

0 件の賞賛
返信
29,098件の閲覧回数
eddyliu
Contributor I

Hi Grace,

Thanks for your patient help. I have realized it is necessary to modify code to adapt for my hardware board. I modified structure of mx6q_sabreauto_sd3 and compiled linux code:

Header 1

#make ARCH=arm CROSS_COMPILE=/opt/freescale/usr/local/gcc-4.6.2-glibc-2.13-linaro-multilib-2011.12/fsl-linaro-toolchain/bin/arm-none-linux-gnueabi- distclean

#make ARCH=arm CROSS_COMPILE=/opt/freescale/usr/local/gcc-4.6.2-glibc-2.13-linaro-multilib-2011.12/fsl-linaro-toolchain/bin/arm-none-linux-gnueabi- imx6s_defconfig

#make ARCH=arm CROSS_COMPILE=/opt/freescale/usr/local/gcc-4.6.2-glibc-2.13-linaro-multilib-2011.12/fsl-linaro-toolchain/bin/arm-none-linux-gnueabi- uImage

I copied uImage to "Mfgtools-Rel-4.1.0_130816_MX6DL_UPDATER\Profiles\MX6DL Linux Update\OS Firmware\" and replaced the old uImage. ucl2.xml configration is as blow:

Header 1

<LIST name="i.MX6SOLO-SABRESD-SD" desc="Choose SD as media"> 

    <CMD state="BootStrap" type="boot" body="BootStrap" file ="u-boot-mx6solo-sabresd.bin" >Loading U-boot</CMD>

    <CMD state="BootStrap" type="load" file="uImage" address="0x10800000" 

        loadSection="OTH" setSection="OTH" HasFlashHeader="FALSE" >Loading Kernel.</CMD>

    <CMD state="BootStrap" type="load" file="initramfs.cpio.gz.uboot" address="0x10C00000"

        loadSection="OTH" setSection="OTH" HasFlashHeader="FALSE" >Loading Initramfs.</CMD>

    <CMD state="BootStrap" type="jump" > Jumping to OS image. </CMD>

   

    <CMD state="Updater" type="push" body="$ ls /dev/">ls -l /dev/</CMD>

When I downloaded uboot and uImage using MFGtools, error appeared:

Header 1

U-Boot 2009.08 (Aug 16 2013 - 15:02:51)

CPU: Freescale i.MX6 family TO1.1 at 792 MHz

Thermal sensor with ratio = 188

Temperature:   37 C, calibration data 0x5a34e87d

mx6q pll1: 792MHz

mx6q pll2: 528MHz

mx6q pll3: 480MHz

mx6q pll8: 50MHz

ipg clock     : 66000000Hz

ipg per clock : 66000000Hz

uart clock    : 80000000Hz

cspi clock    : 60000000Hz

ahb clock     : 132000000Hz

axi clock   : 198000000Hz

emi_slow clock: 99000000Hz

ddr clock     : 396000000Hz

usdhc1 clock  : 198000000Hz

usdhc2 clock  : 198000000Hz

usdhc3 clock  : 198000000Hz

usdhc4 clock  : 198000000Hz

nfc clock     : 24000000Hz

Board: i.MX6DL/Solo-SABRESD: unknown-board Board: 0x61011 [POR ]

Boot Device: MMC

I2C:   ready

DRAM:  512 MB

MMC:   FSL_USDHC: 0,FSL_USDHC: 1,FSL_USDHC: 2,FSL_USDHC: 3

Using default environment

In:    serial

Out:   serial

Err:   serial

Net:   got MAC address from IIM: 00:00:00:00:00:00

FEC0 [PRIME]

Hit any key to stop autoboot:  0

## Booting kernel from Legacy Image at 10800000 ...

   Image Name:   Linux-3.0.35-2508-g54750ff

   Image Type:   ARM Linux Kernel Image (uncompressed)

   Data Size:    3584948 Bytes =  3.4 MB

   Load Address: 10008000

   Entry Point:  10008000

   Verifying Checksum ... OK

## Loading init Ramdisk from Legacy Image at 10c00000 ...

   Image Name:   uboot initramfs rootfs

   Image Type:   ARM Linux RAMDisk Image (gzip compressed)

   Data Size:    4545326 Bytes =  4.3 MB

   Load Address: 00000000

   Entry Point:  00000000

   Verifying Checksum ... OK

   Loading Kernel Image ... OK

OK

Starting kernel ...

Uncompressing Linux... done, booting the kernel.

Linux version 3.0.35-2508-g54750ff (eddy@eddy-virtual-machine) (gcc version 4.6.2 20110630 (prerelease) (Freescale MAD -- Linaro 2011.07 -- Built at 201

1/08/10 09:20) ) #1 PREEMPT Wed Apr 2 04:38:35 EDT 2014

CPU: ARMv7 Processor [412fc09a] revision 10 (ARMv7), cr=10c53c7d

CPU: VIPT nonaliasing data cache, VIPT aliasing instruction cache

Machine: Freescale i.MX 6Quad/DualLite/Solo Sabre-SD Board

Memory policy: ECC disabled, Data cache writeback

CPU identified as i.MX6DL/SOLO, silicon rev 1.1

Built 1 zonelists in Zone order, mobility grouping on.  Total pages: 97280

Kernel command line: console=ttymxc0,115200 rdinit=/linuxrc enable_wait_mode=off nosmp

PID hash table entries: 2048 (order: 1, 8192 bytes)

Dentry cache hash table entries: 65536 (order: 6, 262144 bytes)

Inode-cache hash table entries: 32768 (order: 5, 131072 bytes)

Memory: 384MB = 384MB total

Memory: 373308k/373308k available, 150980k reserved, 0K highmem

Virtual kernel memory layout:

    vector  : 0xffff0000 - 0xffff1000   (   4 kB)

    fixmap  : 0xfff00000 - 0xfffe0000   ( 896 kB)

    DMA     : 0xf4600000 - 0xffe00000   ( 184 MB)

    vmalloc : 0xa0800000 - 0xf2000000   (1304 MB)

    lowmem  : 0x80000000 - 0xa0000000   ( 512 MB)

    pkmap   : 0x7fe00000 - 0x80000000   (   2 MB)

    modules : 0x7f000000 - 0x7fe00000   (  14 MB)

      .init : 0x80008000 - 0x80036000   ( 184 kB)

      .text : 0x80036000 - 0x80a30cb8   (10220 kB)

      .data : 0x80a32000 - 0x80a86480   ( 338 kB)

       .bss : 0x80a864a4 - 0x80aab438   ( 148 kB)

SLUB: Genslabs=13, HWalign=32, Order=0-3, MinObjects=0, CPUs=1, Nodes=1

Preemptible hierarchical RCU implementation.

NR_IRQS:624

MXC GPIO hardware

sched_clock: 32 bits at 3000kHz, resolution 333ns, wraps every 1431655ms

Set periph_clk's parent to pll2_pfd_400M!

arm_max_freq=800MHz

MXC_Early serial console at MMIO 0x2020000 (options '115200')

bootconsole [ttymxc0] enabled

Console: colour dummy device 80x30

Calibrating delay loop... 1581.05 BogoMIPS (lpj=7905280)

pid_max: default: 32768 minimum: 301

Mount-cache hash table entries: 512

CPU: Testing write buffer coherency: ok

hw perfevents: enabled with ARMv7 Cortex-A9 PMU driver, 7 counters available

print_constraints: dummy:

NET: Registered protocol family 16

print_constraints: vddpu: 725 <--> 1300 mV at 700 mV fast normal

print_constraints: vddcore: 725 <--> 1300 mV at 1150 mV fast normal

print_constraints: vddsoc: 725 <--> 1300 mV at 1200 mV fast normal

print_constraints: vdd2p5: 2000 <--> 2775 mV at 2400 mV fast normal

print_constraints: vdd1p1: 800 <--> 1400 mV at 1100 mV fast normal

print_constraints: vdd3p0: 2625 <--> 3400 mV at 3000 mV fast normal

hw-breakpoint: found 6 breakpoint and 1 watchpoint registers.

hw-breakpoint: 1 breakpoint(s) reserved for watchpoint single-step.

hw-breakpoint: maximum watchpoint size is 4 bytes.

L310 cache controller enabled

l2x0: 16 ways, CACHE_ID 0x410000c8, AUX_CTRL 0x02050000, Cache size: 524288 B

bio: create slab <bio-0> at 0

print_constraints: SPKVDD: 4200 mV

print_constraints: vmmc: 3300 mV

SCSI subsystem initialized

spi_imx imx6q-ecspi.0: probed

usbcore: registered new interface driver usbfs

usbcore: registered new interface driver hub

usbcore: registered new device driver usb

Freescale USB OTG Driver loaded, $Revision: 1.55 $

mc_pfuze 1-0008: recv failed!:-5,80

mc_pfuze: probe of 1-0008 failed with error -1

mxc_mipi_csi2 mxc_mipi_csi2: i.MX MIPI CSI2 driver probed

mxc_mipi_csi2 mxc_mipi_csi2: i.MX MIPI CSI2 dphy version is 0x3130302a

MIPI CSI2 driver module loaded

Advanced Linux Sound Architecture Driver Version 1.0.24.

Bluetooth: Core ver 2.16

NET: Registered protocol family 31

Bluetooth: HCI device and connection manager initialized

Bluetooth: HCI socket layer initialized

Bluetooth: L2CAP socket layer initialized

Bluetooth: SCO socket layer initialized

cfg80211: Calling CRDA to update world regulatory domain

max17135 2-0048: PMIC MAX17135 for eInk display

i2c-core: driver [max17135] using legacy suspend method

i2c-core: driver [max17135] using legacy resume method

Switching to clocksource mxc_timer1

NET: Registered protocol family 2

IP route cache hash table entries: 4096 (order: 2, 16384 bytes)

TCP established hash table entries: 16384 (order: 5, 131072 bytes)

TCP bind hash table entries: 16384 (order: 4, 65536 bytes)

TCP: Hash tables configured (established 16384 bind 16384)

TCP reno registered

UDP hash table entries: 256 (order: 0, 4096 bytes)

UDP-Lite hash table entries: 256 (order: 0, 4096 bytes)

NET: Registered protocol family 1

RPC: Registered named UNIX socket transport module.

RPC: Registered udp transport module.

RPC: Registered tcp transport module.

RPC: Registered tcp NFSv4.1 backchannel transport module.

Unpacking initramfs...

Initramfs unpacking failed: junk in compressed archive

Freeing initrd memory: 4436K

PMU: registered new PMU device of type 0

Static Power Management for Freescale i.MX6

wait mode is disabled for i.MX6

cpaddr = a0820000 suspend_iram_base=a087c000

PM driver module loaded

IMX usb wakeup probe

add wake up source irq 75

IMX usb wakeup probe

cpu regulator mode:ldo_enable

i.MXC CPU frequency driver

JFFS2 version 2.2. (NAND) ?? 2001-2006 Red Hat, Inc.

msgmni has been set to 737

io scheduler noop registered

io scheduler deadline registered

io scheduler cfq registered (default)

i2c-core: driver [sii902x] using legacy suspend method

i2c-core: driver [sii902x] using legacy resume method

imx-sdma imx-sdma: loaded firmware 1.1

imx-sdma imx-sdma: initialized

Serial: IMX driver

imx-uart.2: ttymxc2 at MMIO 0x21ec000 (irq = 60) is a IMX

imx-uart.0: ttymxc0 at MMIO 0x2020000 (irq = 58) is a IMX

console [ttymxc0] enabled, bootconsole disabled

console [ttymxc0] enabled, bootconsole disabled

loop: module loaded

m25p80 spi0.0: unrecognized JEDEC id ffffff

vcan: Virtual CAN interface driver

CAN device driver interface

flexcan netdevice driver

FEC Ethernet Driver

fec_enet_mii_bus: probed

ehci_hcd: USB 2.0 'Enhanced' Host Controller (EHCI) Driver

fsl-ehci fsl-ehci.0: Freescale On-Chip EHCI Host Controller

fsl-ehci fsl-ehci.0: new USB bus registered, assigned bus number 1

fsl-ehci fsl-ehci.0: irq 75, io base 0x02184000

fsl-ehci fsl-ehci.0: USB 2.0 started, EHCI 1.00

hub 1-0:1.0: USB hub found

hub 1-0:1.0: 1 port detected

add wake up source irq 72

fsl-ehci fsl-ehci.1: Freescale On-Chip EHCI Host Controller

fsl-ehci fsl-ehci.1: new USB bus registered, assigned bus number 2

fsl-ehci fsl-ehci.1: irq 72, io base 0x02184200

fsl-ehci fsl-ehci.1: USB 2.0 started, EHCI 1.00

hub 2-0:1.0: USB hub found

hub 2-0:1.0: 1 port detected

Initializing USB Mass Storage driver...

usbcore: registered new interface driver usb-storage

USB Mass Storage support registered.

ARC USBOTG Device Controller driver (1 August 2005)

mousedev: PS/2 mouse device common for all mice

input: gpio-keys as /devices/platform/gpio-keys/input/input0

egalax_ts 1-0004: egalax_ts: failed to read firmware version

egalax_ts: probe of 1-0004 failed with error -5

egalax_ts 2-0004: egalax_ts: failed to read firmware version

egalax_ts: probe of 2-0004 failed with error -5

elan - Read Hello Packet Failed

elan-touch: probe of 2-0010 failed with error -22

i2c-core: driver [isl29023] using legacy suspend method

i2c-core: driver [isl29023] using legacy resume method

snvs_rtc snvs_rtc.0: rtc core: registered snvs_rtc as rtc0

i2c /dev entries driver

Linux video capture interface: v2.00

Unable to handle kernel NULL pointer dereference at virtual address 00000000

pgd = 80004000

[00000000] *pgd=00000000

Internal error: Oops: 5 [#1] PREEMPT

Modules linked in:

CPU: 0    Not tainted  (3.0.35-2508-g54750ff #1)

PC is at csi_mclk_enable+0x18/0x28

LR is at clk_enable+0x60/0xa0

pc : [<80344a88>]    lr : [<8005caec>]    psr: 60000013

sp : 94031ea8  ip : 00000000  fp : 00000000

r10: 9427d000  r9 : 8034758c  r8 : 9427d020

r7 : 00000000  r6 : 9427d000  r5 : 00000001  r4 : 80aa2fbc

r3 : 00000000  r2 : 00000000  r1 : 00000001  r0 : 00000000

Flags: nZCv  IRQs on  FIQs on  Mode SVC_32  ISA ARM  Segment kernel

Control: 10c53c7d  Table: 10004059  DAC: 00000015

Process swapper (pid: 1, stack limit = 0x940302e8)

Stack: (0x94031ea8 to 0x94032000)

1ea0:                   00000001 80344ac8 8005a85c 80aa3028 80a48e34 80347714

1ec0: 00000000 00000000 9427d020 804f2778 804f2760 804f2778 9427d004 8031fbd0

1ee0: 9427d020 80aa0b88 9427d054 00000000 80a71d0c 00000000 80022f2c 80277f34

1f00: 9427d020 80a71d0c 9427d054 00000000 00000000 802780cc 80a71d0c 00000000

1f20: 80278040 80277154 940bcc38 94111c90 80a71d0c 80a6e6c0 9430e420 80277908

1f40: 809c58e0 80a71d0c 94030000 80a71d0c 94030000 8003c670 00000000 00000000

1f60: 80022f2c 802785ac 80a71ce4 94030000 8003c670 00000000 00000000 80321830

1f80: 00000000 80a864c0 94030000 80022f3c 80a864c0 8003635c 00000000 940564e0

1fa0: 8009e878 80022f2c 80a58078 8009e8a8 000001df 8003c670 00000013 37340000

1fc0: 00000039 8002b6f0 8002b84c 8003c670 00000013 00000000 00000000 00000000

1fe0: 00000000 800089b4 00000000 00000000 80008930 8003c670 6ebdf65b f33fd9dd

[<80344a88>] (csi_mclk_enable+0x18/0x28) from [<80344ac8>] (csi_enable_mclk+0x14/0x54)

[<80344ac8>] (csi_enable_mclk+0x14/0x54) from [<80347714>] (ov5640_probe+0x188/0x2f0)

[<80347714>] (ov5640_probe+0x188/0x2f0) from [<8031fbd0>] (i2c_device_probe+0xc0/0xfc)

[<8031fbd0>] (i2c_device_probe+0xc0/0xfc) from [<80277f34>] (driver_probe_device+0x90/0x19c)

[<80277f34>] (driver_probe_device+0x90/0x19c) from [<802780cc>] (__driver_attach+0x8c/0x90)

[<802780cc>] (__driver_attach+0x8c/0x90) from [<80277154>] (bus_for_each_dev+0x5c/0x88)

[<80277154>] (bus_for_each_dev+0x5c/0x88) from [<80277908>] (bus_add_driver+0x17c/0x244)

[<80277908>] (bus_add_driver+0x17c/0x244) from [<802785ac>] (driver_register+0x78/0x13c)

[<802785ac>] (driver_register+0x78/0x13c) from [<80321830>] (i2c_register_driver+0x2c/0xb4)

[<80321830>] (i2c_register_driver+0x2c/0xb4) from [<80022f3c>] (ov5640_init+0x10/0x40)

[<80022f3c>] (ov5640_init+0x10/0x40) from [<8003635c>] (do_one_initcall+0x34/0x174)

[<8003635c>] (do_one_initcall+0x34/0x174) from [<800089b4>] (kernel_init+0x84/0x124)

[<800089b4>] (kernel_init+0x84/0x124) from [<8003c670>] (kernel_thread_exit+0x0/0x8)

Code: e34840aa e2840008 ebf46001 e5943000 (e5932000)

---[ end trace c0aaf267c1d7dce3 ]---

Kernel panic - not syncing: Attempted to kill init!

[<80041518>] (unwind_backtrace+0x0/0xf8) from [<804c1f04>] (panic+0x74/0x188)

[<804c1f04>] (panic+0x74/0x188) from [<8006bca0>] (do_exit+0x668/0x6ec)

[<8006bca0>] (do_exit+0x668/0x6ec) from [<8003f1ec>] (die+0x234/0x2a8)

[<8003f1ec>] (die+0x234/0x2a8) from [<804c1e14>] (__do_kernel_fault.part.5+0x54/0x74)

[<804c1e14>] (__do_kernel_fault.part.5+0x54/0x74) from [<80044f70>] (do_page_fault+0x2b4/0x31c)

[<80044f70>] (do_page_fault+0x2b4/0x31c) from [<800361a0>] (do_DataAbort+0x34/0x9c)

[<800361a0>] (do_DataAbort+0x34/0x9c) from [<8003b790>] (__dabt_svc+0x70/0xa0)

Exception stack(0x94031e60 to 0x94031ea8)

1e60: 00000000 00000001 00000000 00000000 80aa2fbc 00000001 9427d000 00000000

1e80: 9427d020 8034758c 9427d000 00000000 00000000 94031ea8 8005caec 80344a88

1ea0: 60000013 ffffffff

[<8003b790>] (__dabt_svc+0x70/0xa0) from [<80344a88>] (csi_mclk_enable+0x18/0x28)

[<80344a88>] (csi_mclk_enable+0x18/0x28) from [<80344ac8>] (csi_enable_mclk+0x14/0x54)

[<80344ac8>] (csi_enable_mclk+0x14/0x54) from [<80347714>] (ov5640_probe+0x188/0x2f0)

[<80347714>] (ov5640_probe+0x188/0x2f0) from [<8031fbd0>] (i2c_device_probe+0xc0/0xfc)

[<8031fbd0>] (i2c_device_probe+0xc0/0xfc) from [<80277f34>] (driver_probe_device+0x90/0x19c)

[<80277f34>] (driver_probe_device+0x90/0x19c) from [<802780cc>] (__driver_attach+0x8c/0x90)

[<802780cc>] (__driver_attach+0x8c/0x90) from [<80277154>] (bus_for_each_dev+0x5c/0x88)

[<80277154>] (bus_for_each_dev+0x5c/0x88) from [<80277908>] (bus_add_driver+0x17c/0x244)

[<80277908>] (bus_add_driver+0x17c/0x244) from [<802785ac>] (driver_register+0x78/0x13c)

[<802785ac>] (driver_register+0x78/0x13c) from [<80321830>] (i2c_register_driver+0x2c/0xb4)

[<80321830>] (i2c_register_driver+0x2c/0xb4) from [<80022f3c>] (ov5640_init+0x10/0x40)

[<80022f3c>] (ov5640_init+0x10/0x40) from [<8003635c>] (do_one_initcall+0x34/0x174)

[<8003635c>] (do_one_initcall+0x34/0x174) from [<800089b4>] (kernel_init+0x84/0x124)

[<800089b4>] (kernel_init+0x84/0x124) from [<8003c670>] (kernel_thread_exit+0x0/0x8)

0 件の賞賛
返信
29,098件の閲覧回数
GraceH
Senior Contributor II

imx6s_defconfig is for i.MX 6SoloLite.

export ARCH=arm

export CROSS_COMPILE=/opt/freescale/usr/local/gcc-4.6.2-glibc-2.13-linaro-multilib-2011.12/fsl-linaro-toolchain/bin/arm-none-linux-gnueabi-

make imx6_updater_defconfig  // this is for MFG tool.

Grace

0 件の賞賛
返信
29,098件の閲覧回数
eddyliu
Contributor I

Hi Grace,

I have modified data struct mx6q_sabreauto_sd3_data in /arch/arm/mach-mx6/board-mx6q_sabreauto.c:

datastruct.PNG.png

and compiled linux kernel using command below:

Header 1

#make ARCH=arm CROSS_COMPILE=/opt/freescale/usr/local/gcc-4.6.2-glibc-2.13-linaro-multilib-2011.12/fsl-linaro-toolchain/bin/arm-none-linux-gnueabi- distclean

#make ARCH=arm CROSS_COMPILE=/opt/freescale/usr/local/gcc-4.6.2-glibc-2.13-linaro-multilib-2011.12/fsl-linaro-toolchain/bin/arm-none-linux-gnueabi- imx6_updater_defconfig 

#make ARCH=arm CROSS_COMPILE=/opt/freescale/usr/local/gcc-4.6.2-glibc-2.13-linaro-multilib-2011.12/fsl-linaro-toolchain/bin/arm-none-linux-gnueabi- uImage

but still no eMMC device is found after uboot and uImage is downloaded by MFGtools:

Header 1

U-Boot 2009.08 (Aug 16 2013 - 15:02:51)

CPU: Freescale i.MX6 family TO1.1 at 792 MHz

Thermal sensor with ratio = 188

Temperature:   35 C, calibration data 0x5a34e87d

mx6q pll1: 792MHz

mx6q pll2: 528MHz

mx6q pll3: 480MHz

mx6q pll8: 50MHz

ipg clock     : 66000000Hz

ipg per clock : 66000000Hz

uart clock    : 80000000Hz

cspi clock    : 60000000Hz

ahb clock     : 132000000Hz

axi clock   : 198000000Hz

emi_slow clock: 99000000Hz

ddr clock     : 396000000Hz

usdhc1 clock  : 198000000Hz

usdhc2 clock  : 198000000Hz

usdhc3 clock  : 198000000Hz

usdhc4 clock  : 198000000Hz

nfc clock     : 24000000Hz

Board: i.MX6DL/Solo-SABRESD: unknown-board Board: 0x61011 [POR ]

Boot Device: MMC

I2C:   ready

DRAM:  512 MB

MMC:   FSL_USDHC: 0,FSL_USDHC: 1,FSL_USDHC: 2,FSL_USDHC: 3

Using default environment

In:    serial

Out:   serial

Err:   serial

Net:   got MAC address from IIM: 00:00:00:00:00:00

FEC0 [PRIME]

Hit any key to stop autoboot:  0

## Booting kernel from Legacy Image at 10800000 ...

   Image Name:   Linux-3.0.35-2508-g54750ff

   Image Type:   ARM Linux Kernel Image (uncompressed)

   Data Size:    3161456 Bytes =  3 MB

   Load Address: 10008000

   Entry Point:  10008000

   Verifying Checksum ... OK

## Loading init Ramdisk from Legacy Image at 10c00000 ...

   Image Name:   uboot initramfs rootfs

   Image Type:   ARM Linux RAMDisk Image (gzip compressed)

   Data Size:    4545326 Bytes =  4.3 MB

   Load Address: 00000000

   Entry Point:  00000000

   Verifying Checksum ... OK

   Loading Kernel Image ... OK

OK

Starting kernel ...

Uncompressing Linux... done, booting the kernel.

Linux version 3.0.35-2508-g54750ff (eddy@eddy-virtual-machine) (gcc version 4.6.2 20110630 (prerelease) (Freescale MAD -- Linaro 2011.07 -- Built at 201

1/08/10 09:20) ) #1 SMP PREEMPT Thu Apr 3 01:56:31 EDT 2014

CPU: ARMv7 Processor [412fc09a] revision 10 (ARMv7), cr=10c53c7d

CPU: VIPT nonaliasing data cache, VIPT aliasing instruction cache

Machine: Freescale i.MX 6Quad/DualLite/Solo Sabre-SD Board

Memory policy: ECC disabled, Data cache writealloc

CPU identified as i.MX6DL/SOLO, silicon rev 1.1

PERCPU: Embedded 7 pages/cpu @8bc06000 s5184 r8192 d15296 u32768

Built 1 zonelists in Zone order, mobility grouping on.  Total pages: 130048

Kernel command line: console=ttymxc0,115200 rdinit=/linuxrc enable_wait_mode=off nosmp

PID hash table entries: 2048 (order: 1, 8192 bytes)

Dentry cache hash table entries: 65536 (order: 6, 262144 bytes)

Inode-cache hash table entries: 32768 (order: 5, 131072 bytes)

Memory: 512MB = 512MB total

Memory: 508996k/508996k available, 15292k reserved, 0K highmem

Virtual kernel memory layout:

    vector  : 0xffff0000 - 0xffff1000   (   4 kB)

    fixmap  : 0xfff00000 - 0xfffe0000   ( 896 kB)

    DMA     : 0xf4600000 - 0xffe00000   ( 184 MB)

    vmalloc : 0xa0800000 - 0xf2000000   (1304 MB)

    lowmem  : 0x80000000 - 0xa0000000   ( 512 MB)

    pkmap   : 0x7fe00000 - 0x80000000   (   2 MB)

    modules : 0x7f000000 - 0x7fe00000   (  14 MB)

      .init : 0x80008000 - 0x8003a000   ( 200 kB)

      .text : 0x8003a000 - 0x805ac9f8   (5579 kB)

      .data : 0x805ae000 - 0x805fc520   ( 314 kB)

       .bss : 0x805fc544 - 0x80627494   ( 172 kB)

SLUB: Genslabs=13, HWalign=32, Order=0-3, MinObjects=0, CPUs=1, Nodes=1

Preemptible hierarchical RCU implementation.

NR_IRQS:624

MXC GPIO hardware

sched_clock: 32 bits at 3000kHz, resolution 333ns, wraps every 1431655ms

Set periph_clk's parent to pll2_pfd_400M!

arm_max_freq=800MHz

MXC_Early serial console at MMIO 0x2020000 (options '115200')

bootconsole [ttymxc0] enabled

Console: colour dummy device 80x30

Calibrating delay loop... 1581.05 BogoMIPS (lpj=7905280)

pid_max: default: 32768 minimum: 301

Mount-cache hash table entries: 512

CPU: Testing write buffer coherency: ok

hw perfevents: enabled with ARMv7 Cortex-A9 PMU driver, 7 counters available

Brought up 1 CPUs

SMP: Total of 1 processors activated (1581.05 BogoMIPS).

print_constraints: dummy:

NET: Registered protocol family 16

print_constraints: vddpu: 725 <--> 1300 mV at 700 mV fast normal

print_constraints: vddcore: 725 <--> 1300 mV at 1150 mV fast normal

print_constraints: vddsoc: 725 <--> 1300 mV at 1200 mV fast normal

print_constraints: vdd2p5: 2000 <--> 2775 mV at 2400 mV fast normal

print_constraints: vdd1p1: 800 <--> 1400 mV at 1100 mV fast normal

print_constraints: vdd3p0: 2625 <--> 3400 mV at 3000 mV fast normal

hw-breakpoint: found 6 breakpoint and 1 watchpoint registers.

hw-breakpoint: 1 breakpoint(s) reserved for watchpoint single-step.

hw-breakpoint: maximum watchpoint size is 4 bytes.

L310 cache controller enabled

l2x0: 16 ways, CACHE_ID 0x410000c8, AUX_CTRL 0x02050000, Cache size: 524288 B

bio: create slab <bio-0> at 0

mxs-dma mxs-dma-apbh: initialized

print_constraints: SPKVDD: 4200 mV

print_constraints: vmmc: 3300 mV

SCSI subsystem initialized

spi_imx imx6q-ecspi.0: probed

usbcore: registered new interface driver usbfs

usbcore: registered new interface driver hub

usbcore: registered new device driver usb

mc_pfuze 1-0008: recv failed!:-5,80

mc_pfuze: probe of 1-0008 failed with error -1

imx-ipuv3 imx-ipuv3.0: IPU DMFC NORMAL mode: 1(0~1), 5B(4,5), 5F(6,7)

Advanced Linux Sound Architecture Driver Version 1.0.24.

Bluetooth: Core ver 2.16

NET: Registered protocol family 31

Bluetooth: HCI device and connection manager initialized

Bluetooth: HCI socket layer initialized

Bluetooth: L2CAP socket layer initialized

Bluetooth: SCO socket layer initialized

max17135 2-0048: PMIC MAX17135 for eInk display

i2c-core: driver [max17135] using legacy suspend method

i2c-core: driver [max17135] using legacy resume method

Switching to clocksource mxc_timer1

NET: Registered protocol family 2

IP route cache hash table entries: 4096 (order: 2, 16384 bytes)

TCP established hash table entries: 16384 (order: 5, 131072 bytes)

TCP bind hash table entries: 16384 (order: 5, 196608 bytes)

TCP: Hash tables configured (established 16384 bind 16384)

TCP reno registered

UDP hash table entries: 256 (order: 1, 8192 bytes)

UDP-Lite hash table entries: 256 (order: 1, 8192 bytes)

NET: Registered protocol family 1

RPC: Registered named UNIX socket transport module.

RPC: Registered udp transport module.

RPC: Registered tcp transport module.

RPC: Registered tcp NFSv4.1 backchannel transport module.

Unpacking initramfs...

Freeing initrd memory: 4436K

PMU: registered new PMU device of type 0

Static Power Management for Freescale i.MX6

wait mode is disabled for i.MX6

cpaddr = a0820000 suspend_iram_base=a08b4000

PM driver module loaded

IMX usb wakeup probe

cpu regulator mode:ldo_enable

i.MXC CPU frequency driver

JFFS2 version 2.2. (NAND) ?? 2001-2006 Red Hat, Inc.

msgmni has been set to 1002

cryptodev: driver loaded.

io scheduler noop registered

io scheduler deadline registered

io scheduler cfq registered (default)

mxc_sdc_fb mxc_sdc_fb.0: register mxc display driver ldb

_regulator_get: get() with no identifier

imx-ipuv3 imx-ipuv3.0: IPU DMFC DP HIGH RESOLUTION: 1(0,1), 5B(2~5), 5F(6,7)

Console: switching to colour frame buffer device 128x48

mxc_sdc_fb mxc_sdc_fb.1: register mxc display driver ldb

imx-sdma imx-sdma: loaded firmware 1.1

imx-sdma imx-sdma: initialized

Serial: IMX driver

imx-uart.2: ttymxc2 at MMIO 0x21ec000 (irq = 60) is a IMX

imx-uart.0: ttymxc0 at MMIO 0x2020000 (irq = 58) is a IMX

console [ttymxc0] enabled, bootconsole disabled

console [ttymxc0] enabled, bootconsole disabled

loop: module loaded

m25p80 spi0.0: unrecognized JEDEC id ffffff

GPMI NAND driver registered. (IMX)

vcan: Virtual CAN interface driver

FEC Ethernet Driver

fec_enet_mii_bus: probed

Initializing USB Mass Storage driver...

usbcore: registered new interface driver usb-storage

USB Mass Storage support registered.

ARC USBOTG Device Controller driver (1 August 2005)

add wake up source irq 75

g_file_storage gadget: controller 'fsl-usb2-udc' not recognized

check_parameters:UTP settings are in place now, overriding defaults

g_file_storage gadget: No serial-number string provided!

g_file_storage gadget: File-backed Storage Gadget, version: 1 September 2010

g_file_storage gadget: Number of LUNs=1

fsl-usb2-udc: bind to driver g_file_storage

mousedev: PS/2 mouse device common for all mice

egalax_ts 1-0004: egalax_ts: failed to read firmware version

egalax_ts: probe of 1-0004 failed with error -5

egalax_ts 2-0004: egalax_ts: failed to read firmware version

egalax_ts: probe of 2-0004 failed with error -5

snvs_rtc snvs_rtc.0: rtc core: registered snvs_rtc as rtc0

i2c /dev entries driver

Linux video capture interface: v2.00

mxc_v4l2_output mxc_v4l2_output.0: V4L2 device registered as video16

mxc_v4l2_output mxc_v4l2_output.0: V4L2 device registered as video17

mxc_v4l2_output mxc_v4l2_output.0: V4L2 device registered as video18

imx2-wdt imx2-wdt.0: IMX2+ Watchdog Timer enabled. timeout=60s (nowayout=1)

Bluetooth: Virtual HCI driver ver 1.3

Bluetooth: Generic Bluetooth USB driver ver 0.6

usbcore: registered new interface driver btusb

sdhci: Secure Digital Host Controller Interface driver

sdhci: Copyright(c) Pierre Ossman

mmc0: SDHCI controller on platform [sdhci-esdhc-imx.3] using ADMA

mmc1: SDHCI controller on platform [sdhci-esdhc-imx.1] using ADMA

mmc2: SDHCI controller on platform [sdhci-esdhc-imx.2] using ADMA

mxc_vdoa mxc_vdoa: i.MX Video Data Order Adapter(VDOA) driver probed

VPU initialized

mxc_asrc registered

usbcore: registered new interface driver usbhid

usbhid: USB HID core driver

Cirrus Logic CS42888 ALSA SoC Codec Driver

i2c-core: driver [cs42888] using legacy suspend method

i2c-core: driver [cs42888] using legacy resume method

imx-hdmi-soc-dai imx-hdmi-soc-dai.0: Failed: Load HDMI-video first.

imx_3stack asoc driver

ALSA device list:

  No soundcards found.

TCP cubic registered

NET: Registered protocol family 17

can: controller area network core (rev 20090105 abi 8)

NET: Registered protocol family 29

can: raw protocol (rev 20090105)

can: broadcast manager protocol (rev 20090105 t)

Bluetooth: RFCOMM TTY layer initialized

Bluetooth: RFCOMM socket layer initialized

Bluetooth: RFCOMM ver 1.11

Bluetooth: BNEP (Ethernet Emulation) ver 1.3

Bluetooth: BNEP filters: protocol multicast

Bluetooth: HIDP (Human Interface Emulation) ver 1.2

VFP support v0.3: implementor 41 architecture 3 part 30 variant 9 rev 4

Bus freq driver module loaded

Bus freq driver Enabled

mxc_dvfs_core_probe

DVFS driver module loaded

regulator_init_complete: SPKVDD: incomplete constraints, leaving on

snvs_rtc snvs_rtc.0: setting system clock to 1970-01-01 00:00:00 UTC (0)

Freeing init memory: 200K

Starting UTP

ln: /etc/mtab: File exists

disable turn off display

Starting the hotplug events dispatcher udevd

Synthesizing initial hotplug events

udevd (2072): /proc/2072/oom_adj is deprecated, please use /proc/2072/oom_score_adj instead.

g_file_storage gadget: high speed config #1

uuc 0.4 [built Aug 16 2013 01:24:08]

UTP: Waiting for device to appear

UTP: file/device node /dev/utp already exists

cpu_id is 0

UTP: received command '$ ls /dev/'

UTP: executing "ls /dev/"

XOR                 ptyrb               tty25               ttyqf

apm_bios            ptyrc               tty26               ttyr0

console             ptyrd               tty27               ttyr1

cpu_dma_latency     ptyre               tty28               ttyr2

crypto              ptyrf               tty29               ttyr3

fb                  ptys0               tty3                ttyr4

fb0                 ptys1               tty30               ttyr5

fb1                 ptys2               tty31               ttyr6

fb2                 ptys3               tty32               ttyr7

full                ptys4               tty33               ttyr8

i2c-0               ptys5               tty34               ttyr9

i2c-1               ptys6               tty35               ttyra

i2c-2               ptys7               tty36               ttyrb

input               ptys8               tty37               ttyrc

kmem                ptys9               tty38               ttyrd

kmsg                ptysa               tty39               ttyre

loop0               ptysb               tty4                ttyrf

loop1               ptysc               tty40               ttys0

loop2               ptysd               tty41               ttys1

loop3               ptyse               tty42               ttys2

loop4               ptysf               tty43               ttys3

loop5               ptyt0               tty44               ttys4

loop6               ptyt1               tty45               ttys5

loop7               ptyt2               tty46               ttys6

mem                 ptyt3               tty47               ttys7

mxc_asrc            ptyt4               tty48               ttys8

mxc_ipu             ptyt5               tty49               ttys9

mxc_mem             ptyt6               tty5                ttysa

mxc_vpu             ptyt7               tty50               ttysb

mxs_viim            ptyt8               tty51               ttysc

network_latency     ptyt9               tty52               ttysd

network_throughput  ptyta               tty53               ttyse

null                ptytb               tty54               ttysf

psaux               ptytc               tty55               ttyt0

ptmx                ptytd               tty56               ttyt1

pts                 ptyte               tty57               ttyt2

ptya0               ptytf               tty58               ttyt3

ptya1               ptyu0               tty59               ttyt4

ptya2               ptyu1               tty6                ttyt5

ptya3               ptyu2               tty60               ttyt6

ptya4               ptyu3               tty61               ttyt7

ptya5               ptyu4               tty62               ttyt8

ptya6               ptyu5               tty63               ttyt9

ptya7               ptyu6               tty7                ttyta

ptya8               ptyu7               tty8                ttytb

ptya9               ptyu8               tty9                ttytc

ptyaa               ptyu9               ttya0               ttytd

ptyab               ptyua               ttya1               ttyte

ptyac               ptyub               ttya2               ttytf

ptyad               ptyuc               ttya3               ttyu0

ptyae               ptyud               ttya4               ttyu1

ptyaf               ptyue               ttya5               ttyu2

ptyb0               ptyuf               ttya6               ttyu3

ptyb1               ptyv0               ttya7               ttyu4

ptyb2               ptyv1               ttya8               ttyu5

ptyb3               ptyv2               ttya9               ttyu6

ptyb4               ptyv3               ttyaa               ttyu7

ptyb5               ptyv4               ttyab               ttyu8

ptyb6               ptyv5               ttyac               ttyu9

ptyb7               ptyv6               ttyad               ttyua

ptyb8               ptyv7               ttyae               ttyub

ptyb9               ptyv8               ttyaf               ttyuc

ptyba               ptyv9               ttyb0               ttyud

ptybb               ptyva               ttyb1               ttyue

ptybc               ptyvb               ttyb2               ttyuf

ptybd               ptyvc               ttyb3               ttyv0

ptybe               ptyvd               ttyb4               ttyv1

ptybf               ptyve               ttyb5               ttyv2

ptyc0               ptyvf               ttyb6               ttyv3

ptyc1               ptyw0               ttyb7               ttyv4

ptyc2               ptyw1               ttyb8               ttyv5

ptyc3               ptyw2               ttyb9               ttyv6

ptyc4               ptyw3               ttyba               ttyv7

ptyc5               ptyw4               ttybb               ttyv8

ptyc6               ptyw5               ttybc               ttyv9

ptyc7               ptyw6               ttybd               ttyva

ptyc8               ptyw7               ttybe               ttyvb

ptyc9               ptyw8               ttybf               ttyvc

ptyca               ptyw9               ttyc0               ttyvd

ptycb               ptywa               ttyc1               ttyve

ptycc               ptywb               ttyc2               ttyvf

ptycd               ptywc               ttyc3               ttyw0

ptyce               ptywd               ttyc4               ttyw1

ptycf               ptywe               ttyc5               ttyw2

ptyd0               ptywf               ttyc6               ttyw3

ptyd1               ptyx0               ttyc7               ttyw4

ptyd2               ptyx1               ttyc8               ttyw5

ptyd3               ptyx2               ttyc9               ttyw6

ptyd4               ptyx3               ttyca               ttyw7

ptyd5               ptyx4               ttycb               ttyw8

ptyd6               ptyx5               ttycc               ttyw9

ptyd7               ptyx6               ttycd               ttywa

ptyd8               ptyx7               ttyce               ttywb

ptyd9               ptyx8               ttycf               ttywc

ptyda               ptyx9               ttyd0               ttywd

ptydb               ptyxa               ttyd1               ttywe

ptydc               ptyxb               ttyd2               ttywf

ptydd               ptyxc               ttyd3               ttyx0

ptyde               ptyxd               ttyd4               ttyx1

ptydf               ptyxe               ttyd5               ttyx2

ptye0               ptyxf               ttyd6               ttyx3

ptye1               ptyy0               ttyd7               ttyx4

ptye2               ptyy1               ttyd8               ttyx5

ptye3               ptyy2               ttyd9               ttyx6

ptye4               ptyy3               ttyda               ttyx7

ptye5               ptyy4               ttydb               ttyx8

ptye6               ptyy5               ttydc               ttyx9

ptye7               ptyy6               ttydd               ttyxa

ptye8               ptyy7               ttyde               ttyxb

ptye9               ptyy8               ttydf               ttyxc

ptyea               ptyy9               ttye0               ttyxd

ptyeb               ptyya               ttye1               ttyxe

ptyec               ptyyb               ttye2               ttyxf

ptyed               ptyyc               ttye3               ttyy0

ptyee               ptyyd               ttye4               ttyy1

ptyef               ptyye               ttye5               ttyy2

ptyp0               ptyyf               ttye6               ttyy3

ptyp1               ptyz0               ttye7               ttyy4

ptyp2               ptyz1               ttye8               ttyy5

ptyp3               ptyz2               ttye9               ttyy6

ptyp4               ptyz3               ttyea               ttyy7

ptyp5               ptyz4               ttyeb               ttyy8

ptyp6               ptyz5               ttyec               ttyy9

ptyp7               ptyz6               ttyed               ttyya

ptyp8               ptyz7               ttyee               ttyyb

ptyp9               ptyz8               ttyef               ttyyc

ptypa               ptyz9               ttymxc0             ttyyd

utp_poll: pass returned.

ptypb               ptyza               ttymxc2             ttyye

ptypc               ptyzb               ttyp0               ttyyf

ptypd               ptyzc               ttyp1               ttyz0

ptype               ptyzd               ttyp2               ttyz1

ptypf               ptyze               ttyp3               ttyz2

ptyq0               ptyzf               ttyp4               ttyz3

ptyq1               random              ttyp5               ttyz4

ptyq2               rfkill              ttyp6               ttyz5

ptyq3               rtc                 ttyp7               ttyz6

ptyq4               rtc0                ttyp8               ttyz7

ptyq5               shm                 ttyp9               ttyz8

ptyq6               snd                 ttypa               ttyz9

ptyq7               tracebuf            ttypb               ttyza

ptyq8               tty                 ttypc               ttyzb

ptyq9               tty0                ttypd               ttyzc

ptyqa               tty1                ttype               ttyzd

ptyqb               tty10               ttypf               ttyze

ptyqc               tty11               ttyq0               ttyzf

ptyqd               tty12               ttyq1               ubi_ctrl

ptyqe               tty13               ttyq2               urandom

ptyqf               tty14               ttyq3               utp

ptyr0               tty15               ttyq4               vcs

ptyr1               tty16               ttyq5               vcs1

ptyr2               tty17               ttyq6               vcsa

ptyr3               tty18               ttyq7               vcsa1

ptyr4               tty19               ttyq8               vhci

ptyr5               tty2                ttyq9               video16

ptyr6               tty20               ttyqa               video17

ptyr7               tty21               ttyqb               video18

ptyr8               tty22               ttyqc               watchdog

ptyr9               tty23               ttyqd               zero

ptyra               tty24               ttyqe

UTP: sending Success to kernel for command $ ls /dev/.

0 件の賞賛
返信
29,098件の閲覧回数
GraceH
Senior Contributor II

If you use 6DL SarbeSD, you should modify /arch/arm/mach-mx6/board-mx6q_sabresd.c. In your post, you said you compared SABRE-AI_DualLite_CPUcard,  If you use SarbeSD config, you should compare SarbeSD reference design.

Grace

0 件の賞賛
返信
29,098件の閲覧回数
eddyliu
Contributor I

Hi Grace,

Can you give more feedback about this issue?

0 件の賞賛
返信
29,099件の閲覧回数
GraceH
Senior Contributor II

Hi Eddy,

You need set boot parameters.  Please reference 9.2 Running the Image from MMC/SD of i.MX_6Solo6DualLite_SABRE-AI_Linux_User's_Guide.pdf to set your boot command.

Grace

0 件の賞賛
返信
29,098件の閲覧回数
eddyliu
Contributor I

Hi Grace,

Now my hardware board can run uboot uImage and fs from Freescale LTIB. Thanks for your patient help. Best wishes for you.

0 件の賞賛
返信
29,098件の閲覧回数
eddyliu
Contributor I

Hi Grace,

With your patiently direction, I modified file board-mx6_sabresd.c. Now eMMC device can be found:

Header 1

U-Boot 2009.08 (Aug 16 2013 - 15:02:51)

CPU: Freescale i.MX6 family TO1.1 at 792 MHz

Thermal sensor with ratio = 188

Temperature:   35 C, calibration data 0x5a34e87d

mx6q pll1: 792MHz

mx6q pll2: 528MHz

mx6q pll3: 480MHz

mx6q pll8: 50MHz

ipg clock     : 66000000Hz

ipg per clock : 66000000Hz

uart clock    : 80000000Hz

cspi clock    : 60000000Hz

ahb clock     : 132000000Hz

axi clock   : 198000000Hz

emi_slow clock: 99000000Hz

ddr clock     : 396000000Hz

usdhc1 clock  : 198000000Hz

usdhc2 clock  : 198000000Hz

usdhc3 clock  : 198000000Hz

usdhc4 clock  : 198000000Hz

nfc clock     : 24000000Hz

Board: i.MX6DL/Solo-SABRESD: unknown-board Board: 0x61011 [POR ]

Boot Device: MMC

I2C:   ready

DRAM:  512 MB

MMC:   FSL_USDHC: 0,FSL_USDHC: 1,FSL_USDHC: 2,FSL_USDHC: 3

Using default environment

In:    serial

Out:   serial

Err:   serial

Net:   got MAC address from IIM: 00:00:00:00:00:00

FEC0 [PRIME]

Hit any key to stop autoboot:  0

## Booting kernel from Legacy Image at 10800000 ...

   Image Name:   Linux-3.0.35-2508-g54750ff

   Image Type:   ARM Linux Kernel Image (uncompressed)

   Data Size:    3161712 Bytes =  3 MB

   Load Address: 10008000

   Entry Point:  10008000

   Verifying Checksum ... OK

## Loading init Ramdisk from Legacy Image at 10c00000 ...

   Image Name:   uboot initramfs rootfs

   Image Type:   ARM Linux RAMDisk Image (gzip compressed)

   Data Size:    4545326 Bytes =  4.3 MB

   Load Address: 00000000

   Entry Point:  00000000

   Verifying Checksum ... OK

   Loading Kernel Image ... OK

OK

Starting kernel ...

Uncompressing Linux... done, booting the kernel.

Linux version 3.0.35-2508-g54750ff (eddy@eddy-virtual-machine) (gcc version 4.6.2 20110630 (prerelease) (Freescale MAD -- Linaro 2011.07 -- Built at 201

1/08/10 09:20) ) #1 SMP PREEMPT Fri Apr 4 01:20:23 EDT 2014

CPU: ARMv7 Processor [412fc09a] revision 10 (ARMv7), cr=10c53c7d

CPU: VIPT nonaliasing data cache, VIPT aliasing instruction cache

Machine: Freescale i.MX 6Quad/DualLite/Solo Sabre-SD Board

Memory policy: ECC disabled, Data cache writealloc

CPU identified as i.MX6DL/SOLO, silicon rev 1.1

PERCPU: Embedded 7 pages/cpu @8bc06000 s5184 r8192 d15296 u32768

Built 1 zonelists in Zone order, mobility grouping on.  Total pages: 130048

Kernel command line: console=ttymxc0,115200 rdinit=/linuxrc enable_wait_mode=off nosmp

PID hash table entries: 2048 (order: 1, 8192 bytes)

Dentry cache hash table entries: 65536 (order: 6, 262144 bytes)

Inode-cache hash table entries: 32768 (order: 5, 131072 bytes)

Memory: 512MB = 512MB total

Memory: 508996k/508996k available, 15292k reserved, 0K highmem

Virtual kernel memory layout:

    vector  : 0xffff0000 - 0xffff1000   (   4 kB)

    fixmap  : 0xfff00000 - 0xfffe0000   ( 896 kB)

    DMA     : 0xf4600000 - 0xffe00000   ( 184 MB)

    vmalloc : 0xa0800000 - 0xf2000000   (1304 MB)

    lowmem  : 0x80000000 - 0xa0000000   ( 512 MB)

    pkmap   : 0x7fe00000 - 0x80000000   (   2 MB)

    modules : 0x7f000000 - 0x7fe00000   (  14 MB)

      .init : 0x80008000 - 0x8003a000   ( 200 kB)

      .text : 0x8003a000 - 0x805aca0c   (5579 kB)

      .data : 0x805ae000 - 0x805fc700   ( 314 kB)

       .bss : 0x805fc724 - 0x80627674   ( 172 kB)

SLUB: Genslabs=13, HWalign=32, Order=0-3, MinObjects=0, CPUs=1, Nodes=1

Preemptible hierarchical RCU implementation.

NR_IRQS:624

MXC GPIO hardware

sched_clock: 32 bits at 3000kHz, resolution 333ns, wraps every 1431655ms

Set periph_clk's parent to pll2_pfd_400M!

arm_max_freq=800MHz

MXC_Early serial console at MMIO 0x2020000 (options '115200')

bootconsole [ttymxc0] enabled

Console: colour dummy device 80x30

Calibrating delay loop... 1581.05 BogoMIPS (lpj=7905280)

pid_max: default: 32768 minimum: 301

Mount-cache hash table entries: 512

CPU: Testing write buffer coherency: ok

hw perfevents: enabled with ARMv7 Cortex-A9 PMU driver, 7 counters available

Brought up 1 CPUs

SMP: Total of 1 processors activated (1581.05 BogoMIPS).

print_constraints: dummy:

NET: Registered protocol family 16

print_constraints: vddpu: 725 <--> 1300 mV at 700 mV fast normal

print_constraints: vddcore: 725 <--> 1300 mV at 1150 mV fast normal

print_constraints: vddsoc: 725 <--> 1300 mV at 1200 mV fast normal

print_constraints: vdd2p5: 2000 <--> 2775 mV at 2400 mV fast normal

print_constraints: vdd1p1: 800 <--> 1400 mV at 1100 mV fast normal

print_constraints: vdd3p0: 2625 <--> 3400 mV at 3000 mV fast normal

hw-breakpoint: found 6 breakpoint and 1 watchpoint registers.

hw-breakpoint: 1 breakpoint(s) reserved for watchpoint single-step.

hw-breakpoint: maximum watchpoint size is 4 bytes.

L310 cache controller enabled

l2x0: 16 ways, CACHE_ID 0x410000c8, AUX_CTRL 0x02050000, Cache size: 524288 B

bio: create slab <bio-0> at 0

mxs-dma mxs-dma-apbh: initialized

print_constraints: SPKVDD: 4200 mV

print_constraints: vmmc: 3300 mV

SCSI subsystem initialized

spi_imx imx6q-ecspi.0: probed

usbcore: registered new interface driver usbfs

usbcore: registered new interface driver hub

usbcore: registered new device driver usb

mc_pfuze 1-0008: recv failed!:-5,80

mc_pfuze: probe of 1-0008 failed with error -1

imx-ipuv3 imx-ipuv3.0: IPU DMFC NORMAL mode: 1(0~1), 5B(4,5), 5F(6,7)

Advanced Linux Sound Architecture Driver Version 1.0.24.

Bluetooth: Core ver 2.16

NET: Registered protocol family 31

Bluetooth: HCI device and connection manager initialized

Bluetooth: HCI socket layer initialized

Bluetooth: L2CAP socket layer initialized

Bluetooth: SCO socket layer initialized

max17135 2-0048: PMIC MAX17135 for eInk display

i2c-core: driver [max17135] using legacy suspend method

i2c-core: driver [max17135] using legacy resume method

Switching to clocksource mxc_timer1

NET: Registered protocol family 2

IP route cache hash table entries: 4096 (order: 2, 16384 bytes)

TCP established hash table entries: 16384 (order: 5, 131072 bytes)

TCP bind hash table entries: 16384 (order: 5, 196608 bytes)

TCP: Hash tables configured (established 16384 bind 16384)

TCP reno registered

UDP hash table entries: 256 (order: 1, 8192 bytes)

UDP-Lite hash table entries: 256 (order: 1, 8192 bytes)

NET: Registered protocol family 1

RPC: Registered named UNIX socket transport module.

RPC: Registered udp transport module.

RPC: Registered tcp transport module.

RPC: Registered tcp NFSv4.1 backchannel transport module.

Unpacking initramfs...

Freeing initrd memory: 4436K

PMU: registered new PMU device of type 0

Static Power Management for Freescale i.MX6

wait mode is disabled for i.MX6

cpaddr = a0820000 suspend_iram_base=a08b4000

PM driver module loaded

IMX usb wakeup probe

cpu regulator mode:ldo_enable

i.MXC CPU frequency driver

JFFS2 version 2.2. (NAND) ?? 2001-2006 Red Hat, Inc.

msgmni has been set to 1002

cryptodev: driver loaded.

io scheduler noop registered

io scheduler deadline registered

io scheduler cfq registered (default)

mxc_sdc_fb mxc_sdc_fb.0: register mxc display driver ldb

_regulator_get: get() with no identifier

imx-ipuv3 imx-ipuv3.0: IPU DMFC DP HIGH RESOLUTION: 1(0,1), 5B(2~5), 5F(6,7)

Console: switching to colour frame buffer device 128x48

mxc_sdc_fb mxc_sdc_fb.1: register mxc display driver ldb

imx-sdma imx-sdma: loaded firmware 1.1

imx-sdma imx-sdma: initialized

Serial: IMX driver

imx-uart.2: ttymxc2 at MMIO 0x21ec000 (irq = 60) is a IMX

imx-uart.0: ttymxc0 at MMIO 0x2020000 (irq = 58) is a IMX

console [ttymxc0] enabled, bootconsole disabled

console [ttymxc0] enabled, bootconsole disabled

loop: module loaded

m25p80 spi0.0: unrecognized JEDEC id ffffff

GPMI NAND driver registered. (IMX)

vcan: Virtual CAN interface driver

FEC Ethernet Driver

fec_enet_mii_bus: probed

Initializing USB Mass Storage driver...

usbcore: registered new interface driver usb-storage

USB Mass Storage support registered.

ARC USBOTG Device Controller driver (1 August 2005)

add wake up source irq 75

g_file_storage gadget: controller 'fsl-usb2-udc' not recognized

check_parameters:UTP settings are in place now, overriding defaults

g_file_storage gadget: No serial-number string provided!

g_file_storage gadget: File-backed Storage Gadget, version: 1 September 2010

g_file_storage gadget: Number of LUNs=1

fsl-usb2-udc: bind to driver g_file_storage

mousedev: PS/2 mouse device common for all mice

egalax_ts 1-0004: egalax_ts: failed to read firmware version

egalax_ts: probe of 1-0004 failed with error -5

egalax_ts 2-0004: egalax_ts: failed to read firmware version

egalax_ts: probe of 2-0004 failed with error -5

snvs_rtc snvs_rtc.0: rtc core: registered snvs_rtc as rtc0

i2c /dev entries driver

Linux video capture interface: v2.00

mxc_v4l2_output mxc_v4l2_output.0: V4L2 device registered as video16

mxc_v4l2_output mxc_v4l2_output.0: V4L2 device registered as video17

mxc_v4l2_output mxc_v4l2_output.0: V4L2 device registered as video18

imx2-wdt imx2-wdt.0: IMX2+ Watchdog Timer enabled. timeout=60s (nowayout=1)

Bluetooth: Virtual HCI driver ver 1.3

Bluetooth: Generic Bluetooth USB driver ver 0.6

usbcore: registered new interface driver btusb

sdhci: Secure Digital Host Controller Interface driver

sdhci: Copyright(c) Pierre Ossman

mmc0: SDHCI controller on platform [sdhci-esdhc-imx.3] using ADMA

mmc1: SDHCI controller on platform [sdhci-esdhc-imx.1] using ADMA

mmc2: SDHCI controller on platform [sdhci-esdhc-imx.2] using ADMA

mxc_vdoa mxc_vdoa: i.MX Video Data Order Adapter(VDOA) driver probed

VPU initialized

mxc_asrc registered

usbcore: registered new interface driver usbhid

usbhid: USB HID core driver

Cirrus Logic CS42888 ALSA SoC Codec Driver

i2c-core: driver [cs42888] using legacy suspend method

i2c-core: driver [cs42888] using legacy resume method

imx-hdmi-soc-dai imx-hdmi-soc-dai.0: Failed: Load HDMI-video first.

imx_3stack asoc driver

ALSA device list:

  No soundcards found.

TCP cubic registered

NET: Registered protocol family 17

can: controller area network core (rev 20090105 abi 8)

NET: Registered protocol family 29

can: raw protocol (rev 20090105)

can: broadcast manager protocol (rev 20090105 t)

Bluetooth: RFCOMM TTY layer initialized

Bluetooth: RFCOMM socket layer initialized

Bluetooth: RFCOMM ver 1.11

Bluetooth: BNEP (Ethernet Emulation) ver 1.3

Bluetooth: BNEP filters: protocol multicast

Bluetooth: HIDP (Human Interface Emulation) ver 1.2

VFP support v0.3: implementor 41 architecture 3 part 30 variant 9 rev 4

Bus freq driver module loaded

Bus freq driver Enabled

mxc_dvfs_core_probe

DVFS driver module loaded

regulator_init_complete: SPKVDD: incomplete constraints, leaving on

snvs_rtc snvs_rtc.0: setting system clock to 1970-01-01 00:00:00 UTC (0)

Freeing init memory: 200K

Starting UTP

ln: /etc/mtab: File exists

disable turn off display

Starting the hotplug events dispatcher udevd

Synthesizing initial hotplug events

udevd (2072): /proc/2072/oom_adj is deprecated, please use /proc/2072/oom_score_adj instead.

mmc2: new high speed DDR MMC card at address 0001

mmcblk0: mmc2:0001 MMC08G 7.32 GiB

mmcblk0boot0: mmc2:0001 MMC08G partition 1 2.00 MiB

mmcblk0boot1: mmc2:0001 MMC08G partition 2 2.00 MiB

mmcblk0: p1 p2

mmcblk0boot1: unknown partition table

g_file_storage gadget: high speed config #1

mmcblk0boot0: unknown partition table

uuc 0.4 [built Aug 16 2013 01:24:08]

UTP: Waiting for device to appear

UTP: file/device node /dev/utp already exists

cpu_id is 0

UTP: received command '$ ls /dev/'

UTP: executing "ls /dev/"

XOR                 ptyr7               tty23               ttyqf

apm_bios            ptyr8               tty24               ttyr0

console             ptyr9               tty25               ttyr1

cpu_dma_latency     ptyra               tty26               ttyr2

crypto              ptyrb               tty27               ttyr3

disk                ptyrc               tty28               ttyr4

fb                  ptyrd               tty29               ttyr5

fb0                 ptyre               tty3                ttyr6

fb1                 ptyrf               tty30               ttyr7

fb2                 ptys0               tty31               ttyr8

full                ptys1               tty32               ttyr9

i2c-0               ptys2               tty33               ttyra

i2c-1               ptys3               tty34               ttyrb

i2c-2               ptys4               tty35               ttyrc

input               ptys5               tty36               ttyrd

kmem                ptys6               tty37               ttyre

kmsg                ptys7               tty38               ttyrf

loop0               ptys8               tty39               ttys0

loop1               ptys9               tty4                ttys1

loop2               ptysa               tty40               ttys2

loop3               ptysb               tty41               ttys3

loop4               ptysc               tty42               ttys4

loop5               ptysd               tty43               ttys5

loop6               ptyse               tty44               ttys6

loop7               ptysf               tty45               ttys7

mem                 ptyt0               tty46               ttys8

mmcblk0             ptyt1               tty47               ttys9

mmcblk0boot0        ptyt2               tty48               ttysa

mmcblk0boot1        ptyt3               tty49               ttysb

mmcblk0p1           ptyt4               tty5                ttysc

mmcblk0p2           ptyt5               tty50               ttysd

mxc_asrc            ptyt6               tty51               ttyse

mxc_ipu             ptyt7               tty52               ttysf

mxc_mem             ptyt8               tty53               ttyt0

mxc_vpu             ptyt9               tty54               ttyt1

mxs_viim            ptyta               tty55               ttyt2

network_latency     ptytb               tty56               ttyt3

network_throughput  ptytc               tty57               ttyt4

null                ptytd               tty58               ttyt5

psaux               ptyte               tty59               ttyt6

ptmx                ptytf               tty6                ttyt7

pts                 ptyu0               tty60               ttyt8

ptya0               ptyu1               tty61               ttyt9

ptya1               ptyu2               tty62               ttyta

ptya2               ptyu3               tty63               ttytb

ptya3               ptyu4               tty7                ttytc

ptya4               ptyu5               tty8                ttytd

ptya5               ptyu6               tty9                ttyte

ptya6               ptyu7               ttya0               ttytf

ptya7               ptyu8               ttya1               ttyu0

ptya8               ptyu9               ttya2               ttyu1

ptya9               ptyua               ttya3               ttyu2

ptyaa               ptyub               ttya4               ttyu3

ptyab               ptyuc               ttya5               ttyu4

ptyac               ptyud               ttya6               ttyu5

ptyad               ptyue               ttya7               ttyu6

ptyae               ptyuf               ttya8               ttyu7

ptyaf               ptyv0               ttya9               ttyu8

ptyb0               ptyv1               ttyaa               ttyu9

ptyb1               ptyv2               ttyab               ttyua

ptyb2               ptyv3               ttyac               ttyub

ptyb3               ptyv4               ttyad               ttyuc

ptyb4               ptyv5               ttyae               ttyud

ptyb5               ptyv6               ttyaf               ttyue

ptyb6               ptyv7               ttyb0               ttyuf

ptyb7               ptyv8               ttyb1               ttyv0

ptyb8               ptyv9               ttyb2               ttyv1

ptyb9               ptyva               ttyb3               ttyv2

ptyba               ptyvb               ttyb4               ttyv3

ptybb               ptyvc               ttyb5               ttyv4

ptybc               ptyvd               ttyb6               ttyv5

ptybd               ptyve               ttyb7               ttyv6

ptybe               ptyvf               ttyb8               ttyv7

ptybf               ptyw0               ttyb9               ttyv8

ptyc0               ptyw1               ttyba               ttyv9

ptyc1               ptyw2               ttybb               ttyva

ptyc2               ptyw3               ttybc               ttyvb

ptyc3               ptyw4               ttybd               ttyvc

ptyc4               ptyw5               ttybe               ttyvd

ptyc5               ptyw6               ttybf               ttyve

ptyc6               ptyw7               ttyc0               ttyvf

ptyc7               ptyw8               ttyc1               ttyw0

ptyc8               ptyw9               ttyc2               ttyw1

ptyc9               ptywa               ttyc3               ttyw2

ptyca               ptywb               ttyc4               ttyw3

ptycb               ptywc               ttyc5               ttyw4

ptycc               ptywd               ttyc6               ttyw5

ptycd               ptywe               ttyc7               ttyw6

ptyce               ptywf               ttyc8               ttyw7

ptycf               ptyx0               ttyc9               ttyw8

ptyd0               ptyx1               ttyca               ttyw9

ptyd1               ptyx2               ttycb               ttywa

ptyd2               ptyx3               ttycc               ttywb

ptyd3               ptyx4               ttycd               ttywc

ptyd4               ptyx5               ttyce               ttywd

ptyd5               ptyx6               ttycf               ttywe

ptyd6               ptyx7               ttyd0               ttywf

ptyd7               ptyx8               ttyd1               ttyx0

ptyd8               ptyx9               ttyd2               ttyx1

ptyd9               ptyxa               ttyd3               ttyx2

ptyda               ptyxb               ttyd4               ttyx3

ptydb               ptyxc               ttyd5               ttyx4

ptydc               ptyxd               ttyd6               ttyx5

ptydd               ptyxe               ttyd7               ttyx6

ptyde               ptyxf               ttyd8               ttyx7

ptydf               ptyy0               ttyd9               ttyx8

ptye0               ptyy1               ttyda               ttyx9

ptye1               ptyy2               ttydb               ttyxa

ptye2               ptyy3               ttydc               ttyxb

ptye3               ptyy4               ttydd               ttyxc

ptye4               ptyy5               ttyde               ttyxd

ptye5               ptyy6               ttydf               ttyxe

ptye6               ptyy7               ttye0               ttyxf

ptye7               ptyy8               ttye1               ttyy0

ptye8               ptyy9               ttye2               ttyy1

ptye9               ptyya               ttye3               ttyy2

ptyea               ptyyb               ttye4               ttyy3

ptyeb               ptyyc               ttye5               ttyy4

ptyec               ptyyd               ttye6               ttyy5

ptyed               ptyye               ttye7               ttyy6

ptyee               ptyyf               ttye8               ttyy7

ptyef               ptyz0               ttye9               ttyy8

ptyp0               ptyz1               ttyea               ttyy9

ptyp1               ptyz2               ttyeb               ttyya

ptyp2               ptyz3               ttyec               ttyyb

ptyp3               ptyz4               ttyed               ttyyc

ptyp4               ptyz5               ttyee               ttyyd

utp_poll: pass returned.

ptyp5               ptyz6               ttyef               ttyye

ptyp6               ptyz7               ttymxc0             ttyyf

ptyp7               ptyz8               ttymxc2             ttyz0

ptyp8               ptyz9               ttyp0               ttyz1

ptyp9               ptyza               ttyp1               ttyz2

ptypa               ptyzb               ttyp2               ttyz3

ptypb               ptyzc               ttyp3               ttyz4

ptypc               ptyzd               ttyp4               ttyz5

ptypd               ptyze               ttyp5               ttyz6

ptype               ptyzf               ttyp6               ttyz7

ptypf               random              ttyp7               ttyz8

ptyq0               rfkill              ttyp8               ttyz9

ptyq1               rtc                 ttyp9               ttyza

ptyq2               rtc0                ttypa               ttyzb

ptyq3               shm                 ttypb               ttyzc

ptyq4               snd                 ttypc               ttyzd

ptyq5               tracebuf            ttypd               ttyze

ptyq6               tty                 ttype               ttyzf

ptyq7               tty0                ttypf               ubi_ctrl

ptyq8               tty1                ttyq0               urandom

ptyq9               tty10               ttyq1               utp

ptyqa               tty11               ttyq2               vcs

ptyqb               tty12               ttyq3               vcs1

ptyqc               tty13               ttyq4               vcsa

ptyqd               tty14               ttyq5               vcsa1

ptyqe               tty15               ttyq6               vhci

ptyqf               tty16               ttyq7               video16

ptyr0               tty17               ttyq8               video17

ptyr1               tty18               ttyq9               video18

ptyr2               tty19               ttyqa               watchdog

ptyr3               tty2                ttyqb               zero

ptyr4               tty20               ttyqc

ptyr5               tty21               ttyqd

ptyr6               tty22               ttyqe

Then I rebuilt linux kernel for eMMC with commands below:

Header 1

#make ARCH=arm CROSS_COMPILE=/opt/freescale/usr/local/gcc-4.6.2-glibc-2.13-linaro-multilib-2011.12/fsl-linaro-toolchain/bin/arm-none-linux-gnueabi- distclean

#make ARCH=arm CROSS_COMPILE=/opt/freescale/usr/local/gcc-4.6.2-glibc-2.13-linaro-multilib-2011.12/fsl-linaro-toolchain/bin/arm-none-linux-gnueabi- imx6_defconfig

#make ARCH=arm CROSS_COMPILE=/opt/freescale/usr/local/gcc-4.6.2-glibc-2.13-linaro-multilib-2011.12/fsl-linaro-toolchain/bin/arm-none-linux-gnueabi- uImage

and copied new generated uImage to directory "Mfgtools-Rel-4.1.0_130816_MX6DL_UPDATER\Profiles\MX6DL Linux Update\OS Firmware\files\" replacing the old uImage.

ucl2.xml configration is as below:

Header 1

<LIST name="i.MX6SOLO-SABRESD-SD" desc="Choose SD as media"> 

    <CMD state="BootStrap" type="boot" body="BootStrap" file ="u-boot-mx6solo-sabresd.bin" >Loading U-boot</CMD>

    <CMD state="BootStrap" type="load" file="uImage" address="0x10800000" 

        loadSection="OTH" setSection="OTH" HasFlashHeader="FALSE" >Loading Kernel.</CMD>

    <CMD state="BootStrap" type="load" file="initramfs.cpio.gz.uboot" address="0x10C00000"

        loadSection="OTH" setSection="OTH" HasFlashHeader="FALSE" >Loading Initramfs.</CMD>

    <CMD state="BootStrap" type="jump" > Jumping to OS image. </CMD>

   

    <CMD state="Updater" type="push" body="send" file="mksdcard.sh.tar">Sending partition shell</CMD>

    <CMD state="Updater" type="push" body="$ tar xf $FILE "> Partitioning...</CMD>

    <CMD state="Updater" type="push" body="$ sh mksdcard.sh /dev/mmcblk0"> Partitioning...</CMD>

    <CMD state="Updater" type="push" body="send" file="files/u-boot-mx6solo-sabresd.bin">Sending u-boot.bin</CMD>

    <CMD state="Updater" type="push" body="$ dd if=$FILE of=/dev/mmcblk0 bs=1k seek=1 skip=1 conv=fsync">write u-boot.bin to sd card</CMD>

    <CMD state="Updater" type="push" body="send" file="files/uImage">Sending kernel uImage</CMD>

    <CMD state="Updater" type="push" body="$ dd if=$FILE of=/dev/mmcblk0 bs=1M seek=1 conv=fsync">write kernel image to sd card</CMD>

   

    <CMD state="Updater" type="push" body="$ mkfs.ext3 -j /dev/mmcblk0p1">Formatting rootfs partition</CMD>

    <CMD state="Updater" type="push" body="$ mkdir -p /mnt/mmcblk0p1"/>

    <CMD state="Updater" type="push" body="$ mount -t ext3 /dev/mmcblk0p1 /mnt/mmcblk0p1"/>

    <CMD state="Updater" type="push" body="pipe tar -jxv -C /mnt/mmcblk0p1" file="files/rootfs.tar.bz2">Sending and writting rootfs</CMD>

    <CMD state="Updater" type="push" body="frf">Finishing rootfs write</CMD>

    <CMD state="Updater" type="push" body="$ umount /mnt/mmcblk0p1">Unmounting rootfs partition</CMD>

    <CMD state="Updater" type="push" body="$ echo Update Complete!">Done</CMD>

<!--

    The below commands will trigger reboot

    <CMD type="push" body="!3">Done</CMD>

-->

</LIST>

Downloading uboot and uImage process is as below:

Header 1

U-Boot 2009.08 (Aug 16 2013 - 15:02:51)

CPU: Freescale i.MX6 family TO1.1 at 792 MHz

Thermal sensor with ratio = 188

Temperature:   43 C, calibration data 0x5a34e87d

mx6q pll1: 792MHz

mx6q pll2: 528MHz

mx6q pll3: 480MHz

mx6q pll8: 50MHz

ipg clock     : 66000000Hz

ipg per clock : 66000000Hz

uart clock    : 80000000Hz

cspi clock    : 60000000Hz

ahb clock     : 132000000Hz

axi clock   : 198000000Hz

emi_slow clock: 99000000Hz

ddr clock     : 396000000Hz

usdhc1 clock  : 198000000Hz

usdhc2 clock  : 198000000Hz

usdhc3 clock  : 198000000Hz

usdhc4 clock  : 198000000Hz

nfc clock     : 24000000Hz

Board: i.MX6DL/Solo-SABRESD: unknown-board Board: 0x61011 [POR ]

Boot Device: MMC

I2C:   ready

DRAM:  512 MB

MMC:   FSL_USDHC: 0,FSL_USDHC: 1,FSL_USDHC: 2,FSL_USDHC: 3

Using default environment

In:    serial

Out:   serial

Err:   serial

Net:   got MAC address from IIM: 00:00:00:00:00:00

FEC0 [PRIME]

Hit any key to stop autoboot:  0

## Booting kernel from Legacy Image at 10800000 ...

   Image Name:   Linux-3.0.35-2508-g54750ff

   Image Type:   ARM Linux Kernel Image (uncompressed)

   Data Size:    3161712 Bytes =  3 MB

   Load Address: 10008000

   Entry Point:  10008000

   Verifying Checksum ... OK

## Loading init Ramdisk from Legacy Image at 10c00000 ...

   Image Name:   uboot initramfs rootfs

   Image Type:   ARM Linux RAMDisk Image (gzip compressed)

   Data Size:    4545326 Bytes =  4.3 MB

   Load Address: 00000000

   Entry Point:  00000000

   Verifying Checksum ... OK

   Loading Kernel Image ... OK

OK

Starting kernel ...

Uncompressing Linux... done, booting the kernel.

Linux version 3.0.35-2508-g54750ff (eddy@eddy-virtual-machine) (gcc version 4.6.2 20110630 (prerelease) (Freescale MAD -- Linaro 2011.07 -- Built at 2011/08/10 09:20) ) #1 SMP PREEMPT Fri Apr 4 01:20:23 EDT 2014

CPU: ARMv7 Processor [412fc09a] revision 10 (ARMv7), cr=10c53c7d

CPU: VIPT nonaliasing data cache, VIPT aliasing instruction cache

Machine: Freescale i.MX 6Quad/DualLite/Solo Sabre-SD Board

Memory policy: ECC disabled, Data cache writealloc

CPU identified as i.MX6DL/SOLO, silicon rev 1.1

PERCPU: Embedded 7 pages/cpu @8bc06000 s5184 r8192 d15296 u32768

Built 1 zonelists in Zone order, mobility grouping on.  Total pages: 130048

Kernel command line: console=ttymxc0,115200 rdinit=/linuxrc enable_wait_mode=off nosmp

PID hash table entries: 2048 (order: 1, 8192 bytes)

Dentry cache hash table entries: 65536 (order: 6, 262144 bytes)

Inode-cache hash table entries: 32768 (order: 5, 131072 bytes)

Memory: 512MB = 512MB total

Memory: 508996k/508996k available, 15292k reserved, 0K highmem

Virtual kernel memory layout:

    vector  : 0xffff0000 - 0xffff1000   (   4 kB)

    fixmap  : 0xfff00000 - 0xfffe0000   ( 896 kB)

    DMA     : 0xf4600000 - 0xffe00000   ( 184 MB)

    vmalloc : 0xa0800000 - 0xf2000000   (1304 MB)

    lowmem  : 0x80000000 - 0xa0000000   ( 512 MB)

    pkmap   : 0x7fe00000 - 0x80000000   (   2 MB)

    modules : 0x7f000000 - 0x7fe00000   (  14 MB)

      .init : 0x80008000 - 0x8003a000   ( 200 kB)

      .text : 0x8003a000 - 0x805aca0c   (5579 kB)

      .data : 0x805ae000 - 0x805fc700   ( 314 kB)

       .bss : 0x805fc724 - 0x80627674   ( 172 kB)

SLUB: Genslabs=13, HWalign=32, Order=0-3, MinObjects=0, CPUs=1, Nodes=1

Preemptible hierarchical RCU implementation.

NR_IRQS:624

MXC GPIO hardware

sched_clock: 32 bits at 3000kHz, resolution 333ns, wraps every 1431655ms

Set periph_clk's parent to pll2_pfd_400M!

arm_max_freq=800MHz

MXC_Early serial console at MMIO 0x2020000 (options '115200')

bootconsole [ttymxc0] enabled

Console: colour dummy device 80x30

Calibrating delay loop... 1581.05 BogoMIPS (lpj=7905280)

pid_max: default: 32768 minimum: 301

Mount-cache hash table entries: 512

CPU: Testing write buffer coherency: ok

hw perfevents: enabled with ARMv7 Cortex-A9 PMU driver, 7 counters available

Brought up 1 CPUs

SMP: Total of 1 processors activated (1581.05 BogoMIPS).

print_constraints: dummy:

NET: Registered protocol family 16

print_constraints: vddpu: 725 <--> 1300 mV at 700 mV fast normal

print_constraints: vddcore: 725 <--> 1300 mV at 1150 mV fast normal

print_constraints: vddsoc: 725 <--> 1300 mV at 1200 mV fast normal

print_constraints: vdd2p5: 2000 <--> 2775 mV at 2400 mV fast normal

print_constraints: vdd1p1: 800 <--> 1400 mV at 1100 mV fast normal

print_constraints: vdd3p0: 2625 <--> 3400 mV at 3000 mV fast normal

hw-breakpoint: found 6 breakpoint and 1 watchpoint registers.

hw-breakpoint: 1 breakpoint(s) reserved for watchpoint single-step.

hw-breakpoint: maximum watchpoint size is 4 bytes.

L310 cache controller enabled

l2x0: 16 ways, CACHE_ID 0x410000c8, AUX_CTRL 0x02050000, Cache size: 524288 B

bio: create slab <bio-0> at 0

mxs-dma mxs-dma-apbh: initialized

print_constraints: SPKVDD: 4200 mV

print_constraints: vmmc: 3300 mV

SCSI subsystem initialized

spi_imx imx6q-ecspi.0: probed

usbcore: registered new interface driver usbfs

usbcore: registered new interface driver hub

usbcore: registered new device driver usb

mc_pfuze 1-0008: recv failed!:-5,80

mc_pfuze: probe of 1-0008 failed with error -1

imx-ipuv3 imx-ipuv3.0: IPU DMFC NORMAL mode: 1(0~1), 5B(4,5), 5F(6,7)

Advanced Linux Sound Architecture Driver Version 1.0.24.

Bluetooth: Core ver 2.16

NET: Registered protocol family 31

Bluetooth: HCI device and connection manager initialized

Bluetooth: HCI socket layer initialized

Bluetooth: L2CAP socket layer initialized

Bluetooth: SCO socket layer initialized

max17135 2-0048: PMIC MAX17135 for eInk display

i2c-core: driver [max17135] using legacy suspend method

i2c-core: driver [max17135] using legacy resume method

Switching to clocksource mxc_timer1

NET: Registered protocol family 2

IP route cache hash table entries: 4096 (order: 2, 16384 bytes)

TCP established hash table entries: 16384 (order: 5, 131072 bytes)

TCP bind hash table entries: 16384 (order: 5, 196608 bytes)

TCP: Hash tables configured (established 16384 bind 16384)

TCP reno registered

UDP hash table entries: 256 (order: 1, 8192 bytes)

UDP-Lite hash table entries: 256 (order: 1, 8192 bytes)

NET: Registered protocol family 1

RPC: Registered named UNIX socket transport module.

RPC: Registered udp transport module.

RPC: Registered tcp transport module.

RPC: Registered tcp NFSv4.1 backchannel transport module.

Unpacking initramfs...

Freeing initrd memory: 4436K

PMU: registered new PMU device of type 0

Static Power Management for Freescale i.MX6

wait mode is disabled for i.MX6

cpaddr = a0820000 suspend_iram_base=a08b4000

PM driver module loaded

IMX usb wakeup probe

cpu regulator mode:ldo_enable

i.MXC CPU frequency driver

JFFS2 version 2.2. (NAND) © 2001-2006 Red Hat, Inc.

msgmni has been set to 1002

cryptodev: driver loaded.

io scheduler noop registered

io scheduler deadline registered

io scheduler cfq registered (default)

mxc_sdc_fb mxc_sdc_fb.0: register mxc display driver ldb

_regulator_get: get() with no identifier

imx-ipuv3 imx-ipuv3.0: IPU DMFC DP HIGH RESOLUTION: 1(0,1), 5B(2~5), 5F(6,7)

Console: switching to colour frame buffer device 128x48

mxc_sdc_fb mxc_sdc_fb.1: register mxc display driver ldb

imx-sdma imx-sdma: loaded firmware 1.1

imx-sdma imx-sdma: initialized

Serial: IMX driver

imx-uart.2: ttymxc2 at MMIO 0x21ec000 (irq = 60) is a IMX

imx-uart.0: ttymxc0 at MMIO 0x2020000 (irq = 58) is a IMX

console [ttymxc0] enabled, bootconsole disabled

console [ttymxc0] enabled, bootconsole disabled

loop: module loaded

m25p80 spi0.0: unrecognized JEDEC id ffffff

GPMI NAND driver registered. (IMX)

vcan: Virtual CAN interface driver

FEC Ethernet Driver

fec_enet_mii_bus: probed

Initializing USB Mass Storage driver...

usbcore: registered new interface driver usb-storage

USB Mass Storage support registered.

ARC USBOTG Device Controller driver (1 August 2005)

add wake up source irq 75

g_file_storage gadget: controller 'fsl-usb2-udc' not recognized

check_parameters:UTP settings are in place now, overriding defaults

g_file_storage gadget: No serial-number string provided!

g_file_storage gadget: File-backed Storage Gadget, version: 1 September 2010

g_file_storage gadget: Number of LUNs=1

fsl-usb2-udc: bind to driver g_file_storage

mousedev: PS/2 mouse device common for all mice

egalax_ts 1-0004: egalax_ts: failed to read firmware version

egalax_ts: probe of 1-0004 failed with error -5

egalax_ts 2-0004: egalax_ts: failed to read firmware version

egalax_ts: probe of 2-0004 failed with error -5

snvs_rtc snvs_rtc.0: rtc core: registered snvs_rtc as rtc0

i2c /dev entries driver

Linux video capture interface: v2.00

mxc_v4l2_output mxc_v4l2_output.0: V4L2 device registered as video16

mxc_v4l2_output mxc_v4l2_output.0: V4L2 device registered as video17

mxc_v4l2_output mxc_v4l2_output.0: V4L2 device registered as video18

imx2-wdt imx2-wdt.0: IMX2+ Watchdog Timer enabled. timeout=60s (nowayout=1)

Bluetooth: Virtual HCI driver ver 1.3

Bluetooth: Generic Bluetooth USB driver ver 0.6

usbcore: registered new interface driver btusb

sdhci: Secure Digital Host Controller Interface driver

sdhci: Copyright(c) Pierre Ossman

mmc0: SDHCI controller on platform [sdhci-esdhc-imx.3] using ADMA

mmc1: SDHCI controller on platform [sdhci-esdhc-imx.1] using ADMA

mmc2: SDHCI controller on platform [sdhci-esdhc-imx.2] using ADMA

mxc_vdoa mxc_vdoa: i.MX Video Data Order Adapter(VDOA) driver probed

VPU initialized

mxc_asrc registered

usbcore: registered new interface driver usbhid

usbhid: USB HID core driver

Cirrus Logic CS42888 ALSA SoC Codec Driver

i2c-core: driver [cs42888] using legacy suspend method

i2c-core: driver [cs42888] using legacy resume method

imx-hdmi-soc-dai imx-hdmi-soc-dai.0: Failed: Load HDMI-video first.

imx_3stack asoc driver

ALSA device list:

  No soundcards found.

TCP cubic registered

NET: Registered protocol family 17

can: controller area network core (rev 20090105 abi 8)

NET: Registered protocol family 29

can: raw protocol (rev 20090105)

can: broadcast manager protocol (rev 20090105 t)

Bluetooth: RFCOMM TTY layer initialized

Bluetooth: RFCOMM socket layer initialized

Bluetooth: RFCOMM ver 1.11

Bluetooth: BNEP (Ethernet Emulation) ver 1.3

Bluetooth: BNEP filters: protocol multicast

Bluetooth: HIDP (Human Interface Emulation) ver 1.2

VFP support v0.3: implementor 41 architecture 3 part 30 variant 9 rev 4

Bus freq driver module loaded

Bus freq driver Enabled

mxc_dvfs_core_probe

DVFS driver module loaded

regulator_init_complete: SPKVDD: incomplete constraints, leaving on

snvs_rtc snvs_rtc.0: setting system clock to 1970-01-01 00:00:00 UTC (0)

Freeing init memory: 200K

Starting UTP

ln: /etc/mtab: File exists

disable turn off display

Starting the hotplug events dispatcher udevd

Synthesizing initial hotplug events

udevd (2072): /proc/2072/oom_adj is deprecated, please use /proc/2072/oom_score_adj instead.

g_file_storage gadget: high speed config #1

mmc2: new high speed DDR MMC card at address 0001

mmcblk0: mmc2:0001 MMC08G 7.32 GiB

mmcblk0boot0: mmc2:0001 MMC08G partition 1 2.00 MiB

mmcblk0boot1: mmc2:0001 MMC08G partition 2 2.00 MiB

mmcblk0: p1

mmcblk0boot1: unknown partition table

mmcblk0boot0: unknown partition table

uuc 0.4 [built Aug 16 2013 01:24:08]

UTP: Waiting for device to appear

UTP: file/device node /dev/utp already exists

cpu_id is 0

UTP: received command 'send'

UTP: sending Success to kernel for command send.

UTP: received command '$ tar xf $FILE '

UTP: executing "tar xf $FILE "

UTP: sending Success to kernel for command $ tar xf $FILE .

utp_poll: pass returned.

UTP: received command '$ sh mksdcard.sh /dev/mmcblk0'

UTP: executing "sh mksdcard.sh /dev/mmcblk0"

1+0 records in

1+0 records out

1024 bytes (1.0KB) copied, 0.031571 seconds, 31.7KB/s

Checking that no-one is using this disk right now ...

mmcblk0: unknown partition table

OK

Disk /dev/mmcblk0: 240128 cylinders, 4 heads, 16 sectors/track

sfdisk: ERROR: sector 0 does not have an msdos signature

/dev/mmcblk0: unrecognized partition table type

Old situation:

No partitions found

New situation:

Units = mebibytes of 1048576 bytes, blocks of 1024 bytes, counting from 0

   Device Boot Start   End    MiB    #blocks   Id  System

/dev/mmcblk0p1        10   7503   7494    7673856   83  Linux

/dev/mmcblk0p2         0      -      0          0    0  Empty

/dev/mmcblk0p3         0      -      0          0    0  Empty

/dev/mmcblk0p4         0      -      0          0    0  Empty

Warning: no primary partition is marked bootable (active)

This does not matter for LILO, but the DOS MBR will not boot this disk.

Successfully wrote the new partition table

Re-reading the partition table ...

mmcblk0: p1

If you created or changed a DOS partition, /dev/foo7, say, then use dd(1)

to zero the first 512 bytes:  dd if=/dev/zero of=/dev/foo7 bs=512 count=1

(See fdisk(8).)

UTP: sending Success to kernel for command $ sh mksdcard.sh /dev/mmcblk0.

utp_poll: pass returned.

UTP: received command 'send'

UTP: sending Success to kernel for command send.

UTP: received command '$ dd if=$FILE of=/dev/mmcblk0 bs=1k seek=1 skip=1 conv=fsync'

UTP: executing "dd if=$FILE of=/dev/mmcblk0 bs=1k seek=1 skip=1 conv=fsync"

420+1 records in

420+1 records out

430248 bytes (420.2KB) copied, 1.197707 seconds, 350.8KB/s

UTP: sending Success to kernel for command $ dd if=$FILE of=/dev/mmcblk0 bs=1k seek=1 skip=1 conv=fsync.

utp_poll: pass returned.

UTP: received command 'send'

UTP: sending Success to kernel for command send.

UTP: received command '$ dd if=$FILE of=/dev/mmcblk0 bs=1M seek=1 conv=fsync'

UTP: executing "dd if=$FILE of=/dev/mmcblk0 bs=1M seek=1 conv=fsync"

3+1 records in

3+1 records out

3860944 bytes (3.7MB) copied, 1.452290 seconds, 2.5MB/s

UTP: sending Success to kernel for command $ dd if=$FILE of=/dev/mmcblk0 bs=1M seek=1 conv=fsync.

utp_poll: pass returned.

UTP: received command '$ mkfs.ext3 -j /dev/mmcblk0p1'

UTP: executing "mkfs.ext3 -j /dev/mmcblk0p1"

mke2fs 1.41.4 (27-Jan-2009)

Filesystem label=

OS type: Linux

Block size=4096 (log=2)

Fragment size=4096 (log=2)

480496 inodes, 1918464 blocks

95923 blocks (5.00%) reserved for the super user

First data block=0

Maximum filesystem blocks=1967128576

59 block groups

32768 blocks per group, 32768 fragments per group

8144 inodes per group

Superblock backups stored on blocks:

  32768, 98304, 163840, 229376, 294912, 819200, 884736, 1605632

Writing inode tables:  0/59      1/59      2/59      3/59      4/59      5/59      6/59      7/59      8/59      9/59     10/59     11/59     12/59     13/59     14/59     15/59     16/59     17/59     18/59     19/59     20/59     21/59     22/59     23/59     24/59     25/59     26/59     27/59     28/59     29/59     30/59     31/59     32/59     33/59     34/59     35/59     36/59     37/59     38/59     39/59     40/59     41/59     42/59     43/59     44/59     45/59     46/59     47/59     48/59     49/59     50/59     51/59     52/59     53/59     54/59     55/59     56/59     57/59     58/59     done                           

Creating journal (32768 blocks): done

Writing superblocks and filesystem accounting information: done

This filesystem will be automatically checked every 39 mounts or

180 days, whichever comes first.  Use tune2fs -c or -i to override.

UTP: sending Success to kernel for command $ mkfs.ext3 -j /dev/mmcblk0p1.

utp_poll: pass returned.

UTP: received command '$ mkdir -p /mnt/mmcblk0p1'

UTP: executing "mkdir -p /mnt/mmcblk0p1"

UTP: sending Success to kernel for command $ mkdir -p /mnt/mmcblk0p1.

utp_poll: pass returned.

UTP: received command '$ mount -t ext3 /dev/mmcblk0p1 /mnt/mmcblk0p1'

UTP: executing "mount -t ext3 /dev/mmcblk0p1 /mnt/mmcblk0p1"

EXT3-fs: barriers not enabled

kjournald starting.  Commit interval 5 seconds

EXT3-fs (mmcblk0p1): using internal journal

EXT3-fs (mmcblk0p1): mounted filesystem with writeback data mode

UTP: sending Success to kernel for command $ mount -t ext3 /dev/mmcblk0p1 /mnt/mmcblk0p1.

utp_poll: pass returned.

UTP: received command 'pipe tar -jxv -C /mnt/mmcblk0p1'

pid is 3106, UTP: executing "tar -jxv -C /mnt/mmcblk0p1"

UTP: sending Success to kernel for command pipe tar -jxv -C /mnt/mmcblk0p1.

bin/

bin/realpath

bin/mount

bin/dmesg

bin/rev

bin/traceroute

bin/login

bin/iprule

bin/lspci

bin/mesg

bin/iptunnel

bin/dumpleases

bin/delgroup

bin/ping

bin/fgrep

bin/vlock

bin/head

bin/diff

bin/catv

bin/whoami

bin/md5sum

bin/install

bin/zcat

bin/fgconsole

bin/smemcap

bin/uptime

bin/passwd

bin/taskset

bin/gzip

bin/mpstat

bin/more

bin/unix2dos

bin/env

bin/cut

bin/cp

bin/bzcat

bin/egrep

bin/top

bin/test

bin/sort

bin/find

bin/yes

bin/date

bin/tee

bin/unxz

bin/busybox

bin/chgrp

bin/bunzip2

bin/dnsdomainname

bin/rx

bin/stty

bin/iplink

bin/nc

bin/grep

bin/kill

bin/powertop

bin/true

bin/sha1sum

bin/false

bin/uname

bin/rmdir

bin/seq

bin/mktemp

bin/pmap

bin/clear

bin/resize

bin/dumpkmap

bin/deluser

bin/time

bin/getopt

bin/[

bin/dc

bin/which

bin/cksum

bin/su

bin/killall

bin/wget

bin/dirname

bin/xzcat

bin/tail

bin/tar

bin/nice

bin/gunzip

bin/ipaddr

bin/who

bin/expr

bin/unzip

bin/logger

bin/chmod

bin/tr

bin/df

bin/ftpput

bin/mkdir

bin/renice

bin/dd

bin/cat

bin/hostname

bin/adduser

bin/mknod

bin/sh

bin/length

bin/dos2unix

bin/patch

bin/iproute

bin/cmp

bin/openvt

bin/sleep

bin/hexdump

bin/uniq

bin/flock

bin/telnet

bin/ls

bin/rm

bin/ftpget

bin/od

bin/ps

bin/ln

bin/addgroup

bin/cal

bin/iostat

bin/bashbug

bin/base64

bin/chown

bin/run-parts

bin/hostid

bin/id

bin/[[

bin/usleep

bin/sync

bin/free

bin/reset

bin/pwd

bin/tftp

bin/lsusb

bin/netstat

bin/wc

bin/wall

bin/touch

bin/bash

bin/logname

bin/printf

bin/ash

bin/tty

bin/vi

bin/awk

bin/nslookup

bin/xargs

bin/umount

bin/basename

bin/mkfifo

bin/xz

bin/deallocvt

bin/readlink

bin/echo

bin/mv

bin/less

bin/sed

bin/chvt

bin/du

dev/

dev/null

dev/console

dev/mtab

dev/tty

etc/

etc/hosts.deny

etc/inputrc

etc/issue.net

etc/shadow

etc/profile

etc/passwd

etc/rc.d/

etc/rc.d/rc.serial

etc/rc.d/rc.modules

etc/rc.d/rcS

etc/rc.d/rc_mxc.S

etc/rc.d/init.d/

etc/rc.d/init.d/filesystems

etc/rc.d/init.d/udev

etc/rc.d/init.d/smb

etc/rc.d/init.d/mdev

etc/rc.d/init.d/modules

etc/rc.d/init.d/inetd

etc/rc.d/init.d/mount-proc-sys

etc/rc.d/init.d/portmap

etc/rc.d/init.d/dhcp

etc/rc.d/init.d/hostname

etc/rc.d/init.d/dropbear

etc/rc.d/init.d/syslog

etc/rc.d/init.d/settime

etc/rc.d/init.d/devfsd

etc/rc.d/init.d/network

etc/rc.d/init.d/hotplug

etc/rc.d/init.d/sshd

etc/rc.d/init.d/dhcpd

etc/rc.d/init.d/depmod

etc/rc.d/init.d/boa

etc/rc.d/rc.local

etc/rc.d/rc.conf

etc/printcap

etc/inittab

etc/udev/

etc/udev/udev.conf

etc/udev/rules.d/

etc/udev/rules.d/10-imx.rules

etc/udev/rules.d/60-persistent-storage.rules

etc/udev/rules.d/80-drivers.rules

etc/udev/rules.d/95-udev-late.rules

etc/udev/rules.d/60-persistent-input.rules

etc/udev/rules.d/60-persistent-storage-tape.rules

etc/udev/rules.d/05-udev-early.rules

etc/udev/rules.d/40-alsa.rules

etc/udev/rules.d/50-udev-default.rules

etc/hosts.allow

etc/resolv.conf

etc/protocols

etc/host.conf

etc/modprobe.conf

etc/devfsd.conf

etc/mime.types

etc/securetty.orig

etc/issue

etc/mdev.conf

etc/inetd.conf

etc/busybox.conf

etc/securetty

etc/fstab

etc/udhcpd.conf

etc/services

etc/hotplug/

etc/hotplug/pci/

etc/hotplug/hotplug.functions

etc/hotplug/dasd.agent

etc/hotplug/usb.handmap

etc/hotplug/tape.agent

etc/hotplug/usb/

etc/hotplug/input.rc

etc/hotplug/input.agent

etc/hotplug/usb.usermap

etc/hotplug/usb.rc

etc/hotplug/usb.agent

etc/hotplug/scsi.agent

etc/hotplug/ieee1394.agent

etc/hotplug/net.agent

etc/hotplug/pci.rc

etc/hotplug/firmware.agent

etc/hotplug/pci.agent

etc/hotplug/blacklist

etc/hotplug/usb.distmap

etc/exports

etc/group

etc/sysctl.conf

etc/ltib-release

etc/nsswitch.conf

etc/hosts

etc/profile.orig

etc/shells

etc/hotplug.d/

etc/hotplug.d/default/

etc/hotplug.d/default/default.hotplug

home/

home/user/

home/user/.rhosts

lib/

lib/libnss_dns.so.2

lib/libanl-2.11.1.so

lib/libutil.so.1

lib/libnss_nis.so.2

lib/libvolume_id.so.0

lib/libtermcap.so.2

lib/libutil-2.11.1.so

lib/ld-2.11.1.so

lib/libstdc++.so.6

lib/udev/

lib/udev/vol_id

lib/udev/path_id

lib/udev/firmware.sh

lib/udev/usb_id

lib/libnss_nisplus.so.2

lib/libBrokenLocale-2.11.1.so

lib/libdl-2.11.1.so

lib/libnss_hesiod-2.11.1.so

lib/libc-2.11.1.so

lib/libnss_hesiod.so.2

lib/libcrypt-2.11.1.so

lib/librt-2.11.1.so

lib/libc.so.6

lib/libgcc_s.so

lib/libtermcap.so.2.0.8

lib/modules/

lib/modules/2.6.38-1096-gc49343d/

lib/modules/2.6.38-1096-gc49343d/modules.order

lib/modules/2.6.38-1096-gc49343d/build

lib/modules/2.6.38-1096-gc49343d/modules.builtin

lib/modules/2.6.38-1096-gc49343d/source

lib/modules/2.6.38-1096-gc49343d/test/

lib/modules/2.6.38-1096-gc49343d/modules.dep

lib/modules/2.6.38-1096-gc49343d/kernel/

lib/modules/2.6.38-1096-gc49343d/kernel/crypto/

lib/modules/2.6.38-1096-gc49343d/kernel/crypto/tcrypt.ko

lib/modules/2.6.38-1096-gc49343d/kernel/drivers/

lib/modules/2.6.38-1096-gc49343d/kernel/drivers/scsi/

lib/modules/2.6.38-1096-gc49343d/kernel/drivers/scsi/scsi_wait_scan.ko

lib/modules/2.6.38-1096-gc49343d/kernel/drivers/usb/

lib/modules/2.6.38-1096-gc49343d/kernel/drivers/usb/gadget/

lib/modules/2.6.38-1096-gc49343d/kernel/drivers/usb/gadget/g_serial.ko

lib/modules/2.6.38-1096-gc49343d/kernel/drivers/usb/gadget/g_ether.ko

lib/modules/2.6.38-1096-gc49343d/kernel/drivers/usb/gadget/g_file_storage.ko

lib/modules/2.6.38-1096-gc49343d/kernel/drivers/usb/gadget/g_audio.ko

lib/modules/2.6.38-1096-gc49343d/kernel/drivers/misc/

lib/modules/2.6.38-1096-gc49343d/kernel/drivers/misc/mxs-perfmon.ko

lib/modules/2.6.38-1096-gc49343d/kernel/drivers/hid/

lib/modules/2.6.38-1096-gc49343d/kernel/drivers/hid/hid-cypress.ko

lib/modules/2.6.38-1096-gc49343d/kernel/drivers/hid/hid-a4tech.ko

lib/modules/2.6.38-1096-gc49343d/kernel/drivers/hid/hid-sunplus.ko

lib/modules/2.6.38-1096-gc49343d/kernel/drivers/hid/hid-petalynx.ko

lib/modules/2.6.38-1096-gc49343d/kernel/drivers/hid/hid-pl.ko

lib/modules/2.6.38-1096-gc49343d/kernel/drivers/hid/hid-sony.ko

lib/modules/2.6.38-1096-gc49343d/kernel/drivers/hid/hid-ezkey.ko

lib/modules/2.6.38-1096-gc49343d/kernel/drivers/hid/hid-monterey.ko

lib/modules/2.6.38-1096-gc49343d/kernel/drivers/hid/hid-belkin.ko

lib/modules/2.6.38-1096-gc49343d/kernel/drivers/hid/hid-samsung.ko

lib/modules/2.6.38-1096-gc49343d/kernel/drivers/hid/hid-gyration.ko

lib/modules/2.6.38-1096-gc49343d/kernel/drivers/hid/hid-microsoft.ko

lib/modules/2.6.38-1096-gc49343d/kernel/drivers/hid/hid-apple.ko

lib/modules/2.6.38-1096-gc49343d/kernel/drivers/hid/hid-cherry.ko

lib/modules/2.6.38-1096-gc49343d/kernel/drivers/hid/hid-chicony.ko

lib/modules/2.6.38-1096-gc49343d/kernel/drivers/hid/hid-logitech.ko

lib/modules/2.6.38-1096-gc49343d/kernel/drivers/mxc/

lib/modules/2.6.38-1096-gc49343d/kernel/drivers/mxc/gpu-viv/

lib/modules/2.6.38-1096-gc49343d/kernel/drivers/mxc/gpu-viv/galcore.ko

lib/modules/2.6.38-1096-gc49343d/kernel/drivers/mxc/mlb/

lib/modules/2.6.38-1096-gc49343d/kernel/drivers/mxc/mlb/mxc_mlb150.ko

lib/modules/2.6.38-1096-gc49343d/kernel/drivers/media/

lib/modules/2.6.38-1096-gc49343d/kernel/drivers/media/video/

lib/modules/2.6.38-1096-gc49343d/kernel/drivers/media/video/gspca/

lib/modules/2.6.38-1096-gc49343d/kernel/drivers/media/video/gspca/gspca_main.ko

lib/modules/2.6.38-1096-gc49343d/kernel/drivers/media/video/uvc/

lib/modules/2.6.38-1096-gc49343d/kernel/drivers/media/video/uvc/uvcvideo.ko

lib/modules/2.6.38-1096-gc49343d/kernel/drivers/media/video/mxc/

lib/modules/2.6.38-1096-gc49343d/kernel/drivers/media/video/mxc/capture/

lib/modules/2.6.38-1096-gc49343d/kernel/drivers/media/video/mxc/capture/ov5642_camera.ko

lib/modules/2.6.38-1096-gc49343d/kernel/drivers/media/video/mxc/capture/adv7180_tvin.ko

lib/modules/2.6.38-1096-gc49343d/kernel/drivers/media/video/mxc/capture/ipu_prp_enc.ko

lib/modules/2.6.38-1096-gc49343d/kernel/drivers/media/video/mxc/capture/ov5640_camera_mipi.ko

lib/modules/2.6.38-1096-gc49343d/kernel/drivers/media/video/mxc/capture/ipu_csi_enc.ko

lib/modules/2.6.38-1096-gc49343d/kernel/drivers/media/video/mxc/capture/mxc_v4l2_capture.ko

lib/modules/2.6.38-1096-gc49343d/kernel/drivers/media/video/mxc/capture/ipu_still.ko

lib/modules/2.6.38-1096-gc49343d/kernel/drivers/media/video/mxc/capture/ov3640_camera.ko

lib/modules/2.6.38-1096-gc49343d/kernel/drivers/media/video/mxc/capture/ov8820_camera_mipi.ko

lib/modules/2.6.38-1096-gc49343d/kernel/drivers/media/video/mxc/capture/ipu_prp_vf_sdc.ko

lib/modules/2.6.38-1096-gc49343d/kernel/drivers/media/video/mxc/capture/ipu_prp_vf_sdc_bg.ko

lib/modules/2.6.38-1096-gc49343d/kernel/drivers/media/video/mxc/capture/ov5640_camera.ko

lib/modules/2.6.38-1096-gc49343d/kernel/lib/

lib/modules/2.6.38-1096-gc49343d/kernel/lib/crc-ccitt.ko

lib/modules/2.6.38-1096-gc49343d/kernel/fs/

lib/modules/2.6.38-1096-gc49343d/kernel/fs/autofs4/

lib/modules/2.6.38-1096-gc49343d/kernel/fs/autofs4/autofs4.ko

lib/modules/2.6.38-1096-gc49343d/kernel/fs/nls/

lib/modules/2.6.38-1096-gc49343d/kernel/fs/nls/nls_ascii.ko

lib/modules/2.6.38-1096-gc49343d/kernel/fs/nls/nls_utf8.ko

lib/libssp.so.0

lib/ld-linux.so.3

lib/libanl.so.1

lib/libvolume_id.so.0.81.0

lib/libnss_compat.so.2

lib/libSegFault.so

lib/libthread_db-1.0.so

lib/libnss_files-2.11.1.so

lib/libnss_files.so.2

lib/libthread_db.so.1

lib/libresolv.so.2

lib/libnss_dns-2.11.1.so

lib/librt.so.1

lib/libnss_compat-2.11.1.so

lib/libnsl-2.11.1.so

lib/libpcprofile.so

lib/libtermcap.so

lib/libnss_nisplus-2.11.1.so

lib/libnsl.so.1

lib/libgcc_s.so.1

lib/libresolv-2.11.1.so

lib/libstdc++.so.6.0.13

lib/libmemusage.so

lib/libm.so.6

lib/libm-2.11.1.so

lib/libpthread.so.0

lib/libcrypt.so.1

lib/libnss_nis-2.11.1.so

lib/firmware/

lib/firmware/LICENCE.atheros_firmware

lib/firmware/sdma/

lib/firmware/sdma/sdma-imx35-to1.bin

lib/firmware/sdma/sdma-imx31-to2.bin

lib/firmware/sdma/sdma-imx51-to3.bin

lib/firmware/sdma/sdma-imx31-to1.bin

lib/firmware/sdma/sdma-imx35-to2.bin

lib/firmware/sdma/sdma-imx53-to1.bin

lib/firmware/sdma/sdma-imx25-to1.bin

lib/firmware/vpu/

lib/firmware/vpu/vpu_fw_imx6d.bin

lib/firmware/vpu/vpu_fw_imx51.bin

lib/firmware/vpu/vpu_fw_imx6q.bin

lib/firmware/vpu/vpu_fw_imx27_TO2.bin

lib/firmware/vpu/Android.mk

lib/firmware/vpu/vpu_fw_imx53.bin

lib/firmware/vpu/vpu_fw_imx27_TO1.bin

lib/firmware/ar3k/

lib/firmware/ar3k/Android.mk

lib/firmware/ar3k/30101/

lib/firmware/ar3k/30101/PS_ASIC.pst

lib/firmware/ar3k/30101/ar3kbdaddr.pst

lib/firmware/ar3k/30101/RamPatch.txt

lib/firmware/ar3k/30101/Readme.txt

lib/firmware/Android.mk

lib/firmware/README

lib/firmware/ath6k/

lib/firmware/ath6k/Android.mk

lib/firmware/ath6k/AR6102/

lib/firmware/ath6k/AR6102/eeprom.bin

lib/firmware/ath6k/AR6102/data.patch.hw2_0.bin

lib/firmware/ath6k/AR6102/calData_ar6102_15dBm.bin

lib/firmware/ath6k/AR6102/eeprom.data

lib/firmware/ath6k/AR6102/athwlan.bin.z77

lib/firmware/ath6k/AR6102/README.txt

lib/firmware/ath6k/AR6003/

lib/firmware/ath6k/AR6003/hw1.0/

lib/firmware/ath6k/AR6003/hw1.0/otp.bin.z77

lib/firmware/ath6k/AR6003/hw1.0/bdata.SD32.bin

lib/firmware/ath6k/AR6003/hw1.0/athwlan.bin.z77

lib/firmware/ath6k/AR6003/hw1.0/bdata.WB31.bin

lib/firmware/ath6k/AR6003/hw1.0/data.patch.bin

lib/firmware/ath6k/AR6003/hw1.0/bdata.SD31.bin

lib/firmware/ath6k/AR6003/PS_ASIC.pst

lib/firmware/ath6k/AR6003/PS_ASIC_aclLowPri.pst

lib/firmware/ath6k/AR6003/hw2.0/

lib/firmware/ath6k/AR6003/hw2.0/otp.bin.z77

lib/firmware/ath6k/AR6003/hw2.0/data.rom.bin

lib/firmware/ath6k/AR6003/hw2.0/regTest.bin

lib/firmware/ath6k/AR6003/hw2.0/perfcnt.bin

lib/firmware/ath6k/AR6003/hw2.0/bdata.SD32.bin

lib/firmware/ath6k/AR6003/hw2.0/memtest.bin

lib/firmware/ath6k/AR6003/hw2.0/data.patch.hw2_0.bin

lib/firmware/ath6k/AR6003/hw2.0/athwlan.bin

lib/firmware/ath6k/AR6003/hw2.0/otp_test.bin

lib/firmware/ath6k/AR6003/hw2.0/utf.bin

lib/firmware/ath6k/AR6003/hw2.0/fakeBoardData_AR6003_v2_0.bin

lib/firmware/ath6k/AR6003/hw2.0/apidemo.bin

lib/firmware/ath6k/AR6003/hw2.0/otp.bin

lib/firmware/ath6k/AR6003/hw2.0/regulatoryData_AG.bin

lib/firmware/ath6k/AR6003/hw2.0/endpointping.bin

lib/firmware/ath6k/AR6003/hw2.0/athwlan.bin.z77

lib/firmware/ath6k/AR6003/hw2.0/serialport.bin

lib/firmware/ath6k/AR6003/hw2.0/device.bin

lib/firmware/ath6k/AR6003/hw2.0/whaltest.bin

lib/firmware/ath6k/AR6003/hw2.0/bdata.WB31.bin

lib/firmware/ath6k/AR6003/hw2.0/athtcmd_ram.bin

lib/firmware/ath6k/AR6003/hw2.0/data.patch.bin

lib/firmware/ath6k/AR6003/hw2.0/bdata.SD31.bin

lib/firmware/ath6k/AR6003/RamPatch.txt

lib/firmware/ath6k/AR6003/hw2.1.1/

lib/firmware/ath6k/AR6003/hw2.1.1/athwlan.bin

lib/firmware/ath6k/AR6003/hw2.1.1/otp.bin

lib/firmware/ath6k/AR6003/hw2.1.1/data.patch.bin

lib/firmware/ath6k/AR6003/hw2.1.1/bdata.SD31.bin

lib/libBrokenLocale.so.1

lib/libssp.so.0.0.0

lib/libdl.so.2

lib/libpthread-2.11.1.so

lost+found/

mnt/

mnt/floppy/

mnt/rwfs/

mnt/src/

mnt/cdrom/

mnt/nfs/

opt/

proc/

root/

root/.kobs

rootfs.tar.bz2

sbin/

sbin/udevcontrol

sbin/halt

sbin/insmod

sbin/ifdown

sbin/telnetd

sbin/syslogd

sbin/chroot

sbin/dhcprelay

sbin/lsmod

sbin/udevsettle

sbin/udevadm

sbin/klogd

sbin/blockdev

sbin/ubidetach

sbin/ubiattach

sbin/rmmod

sbin/modinfo

sbin/modprobe

sbin/nbd-client

sbin/rdate

sbin/inetd

sbin/ifconfig

sbin/udevtrigger

sbin/hwclock

sbin/udevd

sbin/loadkmap

sbin/ip

sbin/fdisk

sbin/losetup

sbin/fsck.minix

sbin/adjtimex

sbin/logread

sbin/setlogcons

sbin/mkfs.minix

sbin/loadfont

sbin/fbset

sbin/swapoff

sbin/init

sbin/pivot_root

sbin/udhcpd

sbin/mke2fs

sbin/mkfs.ext2

sbin/httpd

sbin/sysctl

sbin/hotplug

sbin/watchdog

sbin/udhcpc

sbin/bootchartd

sbin/ntpd

sbin/mkswap

sbin/poweroff

sbin/reboot

sbin/ifup

sbin/arp

sbin/route

sbin/swapon

sbin/getty

sys/

tmp/

tmp/ltib/

unit_tests/

unit_tests/mxc_iim_test.out

unit_tests/autorun-mxc_uart.sh

unit_tests/scc_test

unit_tests/autorun-wdog.sh

unit_tests/config_encdec

unit_tests/mxc_v4l2_overlay.out

unit_tests/rtctest.out

unit_tests/mxc_keyb_test.sh

unit_tests/autorun-usb-gadget.sh

unit_tests/check_ioctls.out

unit_tests/autorun-scc2.sh

unit_tests/audio8k16S.wav

unit_tests/check_2w1r.out

unit_tests/ar3k-bt-start.sh

unit_tests/autorun-vpu.sh

unit_tests/check_recording.out

unit_tests/mxc_vpu_test.out

unit_tests/autorun-suite.txt

unit_tests/mxc_spi_test1.out

unit_tests/memtool

unit_tests/autorun-mmc.sh

unit_tests/autorun-owire.sh

unit_tests/mxc_v4l2_capture.out

unit_tests/autorun-rtc.sh

unit_tests/mxc_i2c_test_samsung_cam.out

unit_tests/mxc_uart_test.out

unit_tests/autorun-usb-host.sh

unit_tests/mxc_pf_test.out

unit_tests/encrypt_decrypt_tests.sh

unit_tests/autorun-v4l2.sh

unit_tests/fail_mode_tests.sh

unit_tests/mxc_l2switch_test.out

unit_tests/config_enc

unit_tests/wdt_driver_test.out

unit_tests/autorun-pf.sh

unit_tests/autorun-asrc.sh

unit_tests/check_mixer.out

unit_tests/mxc_tve_test.sh

unit_tests/mxc_sdma_test.out

unit_tests/key_slot_tests.sh

unit_tests/autorun-ata.sh

unit_tests/config_net

unit_tests/mxc_isl29023.out

unit_tests/check_synchronization.out

unit_tests/config_dec

unit_tests/autorun.sh

unit_tests/mxc_asrc_test.out

unit_tests/autorun-oprofile.sh

unit_tests/mxc_i2c_test.out

unit_tests/autorun-firi.sh

unit_tests/autorun-fb.sh

unit_tests/rtc_timesetnotification_test.out

unit_tests/autorun-scc.sh

unit_tests/ipudev_config_file

unit_tests/mxc_v4l2_tvin.out

unit_tests/hciattach-ar3k.bin

unit_tests/autorun-keypad.sh

unit_tests/mxc_irlan_test.sh

unit_tests/mxc_v4l2_still.out

unit_tests/rtcwakeup.out

unit_tests/check_volume2.out

unit_tests/dryice.sh

unit_tests/partition_tests.sh

unit_tests/mxc_v4l2_output.out

unit_tests/autorun-sound.sh

unit_tests/stefan_interlaced_320x240_5frames.yv12

unit_tests/check_audio.out

unit_tests/mxc_i2c_test_usb.out

unit_tests/test-utils.sh

unit_tests/mxc_fb_test.out

unit_tests/test_subs.sh

unit_tests/mxc_i2c_test_magna_cam.out

unit_tests/mxc_uart_xmit_test.out

unit_tests/scc2_test.out

unit_tests/check_minor_open.out

unit_tests/scc_setup.sh

unit_tests/mxc_ipudev_test.out

unit_tests/akiyo.mp4

unit_tests/scc2_setup.sh

unit_tests/mxc_i2c_slave_test.out

unit_tests/mxc_mlb_test.out

unit_tests/autorun-ipu.sh

usr/

usr/include/

usr/include/ipu.h

usr/include/termcap.h

usr/include/libvolume_id.h

usr/include/pxp_lib.h

usr/include/mxc_ipu_hl_lib.h

usr/include/vpu_io.h

usr/include/vpu_lib.h

usr/share/

usr/share/doc/

usr/share/doc/linux-firmware/

usr/share/doc/linux-firmware/licenses/

usr/share/doc/linux-firmware/licenses/vpu/

usr/share/doc/linux-firmware/licenses/vpu/EULA

usr/share/doc/linux-firmware/licenses/ar3k/

usr/share/doc/linux-firmware/licenses/ar3k/30101/

usr/share/doc/linux-firmware/licenses/ar3k/30101/LICENSE_Apache.txt

usr/share/doc/linux-firmware/licenses/COPYING

usr/share/doc/linux-firmware/licenses/ath6k/

usr/share/doc/linux-firmware/licenses/ath6k/AR6102/

usr/share/doc/linux-firmware/licenses/ath6k/AR6102/License.txt

usr/share/doc/linux-firmware/licenses/ath6k/AR6003/

usr/share/doc/linux-firmware/licenses/ath6k/AR6003/README.chromium

usr/share/doc/linux-firmware/licenses/ath6k/AR6003/License.txt

usr/share/udhcpc/

usr/share/udhcpc/default.script

usr/bin/

usr/bin/startx

usr/bin/kobs-ng

usr/bin/udevtest

usr/bin/udevinfo

usr/src/

usr/src/linux/

usr/src/linux/include/

usr/src/linux/include/scsi/

usr/src/linux/include/scsi/scsi_bsg_fc.h

usr/src/linux/include/scsi/.install

usr/src/linux/include/scsi/scsi_netlink.h

usr/src/linux/include/scsi/fc/

usr/src/linux/include/scsi/fc/fc_gs.h

usr/src/linux/include/scsi/fc/.install

usr/src/linux/include/scsi/fc/fc_fs.h

usr/src/linux/include/scsi/fc/fc_ns.h

usr/src/linux/include/scsi/fc/fc_els.h

usr/src/linux/include/scsi/fc/..install.cmd

usr/src/linux/include/scsi/..install.cmd

usr/src/linux/include/scsi/scsi_netlink_fc.h

usr/src/linux/include/video/

usr/src/linux/include/video/.install

usr/src/linux/include/video/edid.h

usr/src/linux/include/video/sisfb.h

usr/src/linux/include/video/..install.cmd

usr/src/linux/include/video/uvesafb.h

usr/src/linux/include/.install

usr/src/linux/include/xen/

usr/src/linux/include/xen/privcmd.h

usr/src/linux/include/xen/.install

usr/src/linux/include/xen/..install.cmd

usr/src/linux/include/xen/evtchn.h

usr/src/linux/include/asm-generic/

usr/src/linux/include/asm-generic/stat.h

usr/src/linux/include/asm-generic/posix_types.h

usr/src/linux/include/asm-generic/errno.h

usr/src/linux/include/asm-generic/fcntl.h

usr/src/linux/include/asm-generic/bitsperlong.h

usr/src/linux/include/asm-generic/auxvec.h

usr/src/linux/include/asm-generic/siginfo.h

usr/src/linux/include/asm-generic/setup.h

usr/src/linux/include/asm-generic/sockios.h

usr/src/linux/include/asm-generic/ipcbuf.h

usr/src/linux/include/asm-generic/.install

usr/src/linux/include/asm-generic/shmparam.h

usr/src/linux/include/asm-generic/ucontext.h

usr/src/linux/include/asm-generic/unistd.h

usr/src/linux/include/asm-generic/ioctls.h

usr/src/linux/include/asm-generic/swab.h

usr/src/linux/include/asm-generic/poll.h

usr/src/linux/include/asm-generic/resource.h

usr/src/linux/include/asm-generic/socket.h

usr/src/linux/include/asm-generic/mman.h

usr/src/linux/include/asm-generic/int-l64.h

usr/src/linux/include/asm-generic/types.h

usr/src/linux/include/asm-generic/ioctl.h

usr/src/linux/include/asm-generic/termbits.h

usr/src/linux/include/asm-generic/signal.h

usr/src/linux/include/asm-generic/msgbuf.h

usr/src/linux/include/asm-generic/errno-base.h

usr/src/linux/include/asm-generic/mman-common.h

usr/src/linux/include/asm-generic/param.h

usr/src/linux/include/asm-generic/statfs.h

usr/src/linux/include/asm-generic/termios.h

usr/src/linux/include/asm-generic/..install.cmd

usr/src/linux/include/asm-generic/shmbuf.h

usr/src/linux/include/asm-generic/sembuf.h

usr/src/linux/include/asm-generic/int-ll64.h

usr/src/linux/include/asm-generic/signal-defs.h

usr/src/linux/include/sound/

usr/src/linux/include/sound/hdspm.h

usr/src/linux/include/sound/asequencer.h

usr/src/linux/include/sound/hdsp.h

usr/src/linux/include/sound/asound_fm.h

usr/src/linux/include/sound/.install

usr/src/linux/include/sound/asound.h

usr/src/linux/include/sound/sfnt_info.h

usr/src/linux/include/sound/..install.cmd

usr/src/linux/include/sound/emu10k1.h

usr/src/linux/include/sound/sb16_csp.h

usr/src/linux/include/..install.cmd

usr/src/linux/include/mtd/

usr/src/linux/include/mtd/mtd-abi.h

usr/src/linux/include/mtd/.install

usr/src/linux/include/mtd/nftl-user.h

usr/src/linux/include/mtd/mtd-user.h

usr/src/linux/include/mtd/ubi-user.h

usr/src/linux/include/mtd/inftl-user.h

usr/src/linux/include/mtd/..install.cmd

usr/src/linux/include/linux/

usr/src/linux/include/linux/hid.h

usr/src/linux/include/linux/pps.h

usr/src/linux/include/linux/i2c.h

usr/src/linux/include/linux/connector.h

usr/src/linux/include/linux/ipu.h

usr/src/linux/include/linux/auto_fs4.h

usr/src/linux/include/linux/romfs_fs.h

usr/src/linux/include/linux/nubus.h

usr/src/linux/include/linux/cyclades.h

usr/src/linux/include/linux/ext2_fs.h

usr/src/linux/include/linux/can/

usr/src/linux/include/linux/can/.install

usr/src/linux/include/linux/can/netlink.h

usr/src/linux/include/linux/can/error.h

usr/src/linux/include/linux/can/raw.h

usr/src/linux/include/linux/can/bcm.h

usr/src/linux/include/linux/can/..install.cmd

usr/src/linux/include/linux/in6.h

usr/src/linux/include/linux/ip.h

usr/src/linux/include/linux/virtio_rng.h

usr/src/linux/include/linux/wait.h

usr/src/linux/include/linux/wimax.h

usr/src/linux/include/linux/stat.h

usr/src/linux/include/linux/rtc.h

usr/src/linux/include/linux/ipc.h

usr/src/linux/include/linux/pg.h

usr/src/linux/include/linux/quota.h

usr/src/linux/include/linux/dn.h

usr/src/linux/include/linux/posix_types.h

usr/src/linux/include/linux/dlm_device.h

usr/src/linux/include/linux/fib_rules.h

usr/src/linux/include/linux/keyboard.h

usr/src/linux/include/linux/tipc.h

usr/src/linux/include/linux/utsname.h

usr/src/linux/include/linux/atm_he.h

usr/src/linux/include/linux/virtio_net.h

usr/src/linux/include/linux/errno.h

usr/src/linux/include/linux/falloc.h

usr/src/linux/include/linux/arcfb.h

usr/src/linux/include/linux/dcbnl.h

usr/src/linux/include/linux/dlm.h

usr/src/linux/include/linux/fcntl.h

usr/src/linux/include/linux/tipc_config.h

usr/src/linux/include/linux/rose.h

usr/src/linux/include/linux/mempolicy.h

usr/src/linux/include/linux/efs_fs_sb.h

usr/src/linux/include/linux/major.h

usr/src/linux/include/linux/dvb/

usr/src/linux/include/linux/dvb/video.h

usr/src/linux/include/linux/dvb/version.h

usr/src/linux/include/linux/dvb/.install

usr/src/linux/include/linux/dvb/net.h

usr/src/linux/include/linux/dvb/frontend.h

usr/src/linux/include/linux/dvb/dmx.h

usr/src/linux/include/linux/dvb/osd.h

usr/src/linux/include/linux/dvb/ca.h

usr/src/linux/include/linux/dvb/..install.cmd

usr/src/linux/include/linux/dvb/audio.h

usr/src/linux/include/linux/nfs.h

usr/src/linux/include/linux/coda_psdev.h

usr/src/linux/include/linux/fiemap.h

usr/src/linux/include/linux/videodev2.h

usr/src/linux/include/linux/map_to_7segment.h

usr/src/linux/include/linux/errqueue.h

usr/src/linux/include/linux/virtio_blk.h

usr/src/linux/include/linux/xattr.h

usr/src/linux/include/linux/pktcdvd.h

usr/src/linux/include/linux/netfilter_ipv4.h

usr/src/linux/include/linux/chio.h

usr/src/linux/include/linux/bpqether.h

usr/src/linux/include/linux/auxvec.h

usr/src/linux/include/linux/nvram.h

usr/src/linux/include/linux/utime.h

usr/src/linux/include/linux/nfs2.h

usr/src/linux/include/linux/atmppp.h

usr/src/linux/include/linux/atm_tcp.h

usr/src/linux/include/linux/fd.h

usr/src/linux/include/linux/hiddev.h

usr/src/linux/include/linux/const.h

usr/src/linux/include/linux/omapfb.h

usr/src/linux/include/linux/rfkill.h

usr/src/linux/include/linux/fanotify.h

usr/src/linux/include/linux/ivtvfb.h

usr/src/linux/include/linux/icmp.h

usr/src/linux/include/linux/atmclip.h

usr/src/linux/include/linux/cn_proc.h

usr/src/linux/include/linux/coff.h

usr/src/linux/include/linux/hdlcdrv.h

usr/src/linux/include/linux/if_fc.h

usr/src/linux/include/linux/atmioc.h

usr/src/linux/include/linux/selinux_netlink.h

usr/src/linux/include/linux/cdrom.h

usr/src/linux/include/linux/veth.h

usr/src/linux/include/linux/udp.h

usr/src/linux/include/linux/gameport.h

usr/src/linux/include/linux/securebits.h

usr/src/linux/include/linux/times.h

usr/src/linux/include/linux/atmdev.h

usr/src/linux/include/linux/patchkey.h

usr/src/linux/include/linux/if_strip.h

usr/src/linux/include/linux/acct.h

usr/src/linux/include/linux/timex.h

usr/src/linux/include/linux/if_vlan.h

usr/src/linux/include/linux/random.h

usr/src/linux/include/linux/serial_core.h

usr/src/linux/include/linux/if_tr.h

usr/src/linux/include/linux/if_cablemodem.h

usr/src/linux/include/linux/stddef.h

usr/src/linux/include/linux/if_eql.h

usr/src/linux/include/linux/ncp_fs.h

usr/src/linux/include/linux/isdn_ppp.h

usr/src/linux/include/linux/elf-em.h

usr/src/linux/include/linux/sockios.h

usr/src/linux/include/linux/netfilter_decnet.h

usr/src/linux/include/linux/nfs_idmap.h

usr/src/linux/include/linux/jffs2.h

usr/src/linux/include/linux/ppp-comp.h

usr/src/linux/include/linux/blktrace_api.h

usr/src/linux/include/linux/telephony.h

usr/src/linux/include/linux/pkt_cls.h

usr/src/linux/include/linux/perf_event.h

usr/src/linux/include/linux/version.h

usr/src/linux/include/linux/usbdevice_fs.h

usr/src/linux/include/linux/pci.h

usr/src/linux/include/linux/if_frad.h

usr/src/linux/include/linux/if_fddi.h

usr/src/linux/include/linux/atalk.h

usr/src/linux/include/linux/hpet.h

usr/src/linux/include/linux/netfilter_bridge/

usr/src/linux/include/linux/netfilter_bridge/ebt_arp.h

usr/src/linux/include/linux/netfilter_bridge/ebt_limit.h

usr/src/linux/include/linux/netfilter_bridge/ebt_ulog.h

usr/src/linux/include/linux/netfilter_bridge/.install

usr/src/linux/include/linux/netfilter_bridge/ebt_802_3.h

usr/src/linux/include/linux/netfilter_bridge/ebt_vlan.h

usr/src/linux/include/linux/netfilter_bridge/ebt_pkttype.h

usr/src/linux/include/linux/netfilter_bridge/ebt_nflog.h

usr/src/linux/include/linux/netfilter_bridge/ebt_log.h

usr/src/linux/include/linux/netfilter_bridge/ebt_mark_m.h

usr/src/linux/include/linux/netfilter_bridge/ebt_among.h

usr/src/linux/include/linux/netfilter_bridge/ebtables.h

usr/src/linux/include/linux/netfilter_bridge/ebt_arpreply.h

usr/src/linux/include/linux/netfilter_bridge/ebt_mark_t.h

usr/src/linux/include/linux/netfilter_bridge/ebt_stp.h

usr/src/linux/include/linux/netfilter_bridge/ebt_ip6.h

usr/src/linux/include/linux/netfilter_bridge/..install.cmd

usr/src/linux/include/linux/netfilter_bridge/ebt_nat.h

usr/src/linux/include/linux/netfilter_bridge/ebt_ip.h

usr/src/linux/include/linux/netfilter_bridge/ebt_redirect.h

usr/src/linux/include/linux/mxc_sahara.h

usr/src/linux/include/linux/usb/

usr/src/linux/include/linux/usb/g_printer.h

usr/src/linux/include/linux/usb/.install

usr/src/linux/include/linux/usb/gadgetfs.h

usr/src/linux/include/linux/usb/ch9.h

usr/src/linux/include/linux/usb/midi.h

usr/src/linux/include/linux/usb/cdc.h

usr/src/linux/include/linux/usb/tmc.h

usr/src/linux/include/linux/usb/..install.cmd

usr/src/linux/include/linux/usb/audio.h

usr/src/linux/include/linux/usb/ch11.h

usr/src/linux/include/linux/tty.h

usr/src/linux/include/linux/synclink.h

usr/src/linux/include/linux/uio.h

usr/src/linux/include/linux/.install

usr/src/linux/include/linux/can.h

usr/src/linux/include/linux/ivtv.h

usr/src/linux/include/linux/mii.h

usr/src/linux/include/linux/prctl.h

usr/src/linux/include/linux/ipx.h

usr/src/linux/include/linux/nfs4.h

usr/src/linux/include/linux/virtio_pci.h

usr/src/linux/include/linux/atmsvc.h

usr/src/linux/include/linux/a.out.h

usr/src/linux/include/linux/kd.h

usr/src/linux/include/linux/personality.h

usr/src/linux/include/linux/fb.h

usr/src/linux/include/linux/serio.h

usr/src/linux/include/linux/tc_act/

usr/src/linux/include/linux/tc_act/tc_csum.h

usr/src/linux/include/linux/tc_act/tc_ipt.h

usr/src/linux/include/linux/tc_act/.install

usr/src/linux/include/linux/tc_act/tc_pedit.h

usr/src/linux/include/linux/tc_act/tc_skbedit.h

usr/src/linux/include/linux/tc_act/tc_nat.h

usr/src/linux/include/linux/tc_act/tc_mirred.h

usr/src/linux/include/linux/tc_act/..install.cmd

usr/src/linux/include/linux/tc_act/tc_gact.h

usr/src/linux/include/linux/nfs3.h

usr/src/linux/include/linux/keyctl.h

usr/src/linux/include/linux/tiocl.h

usr/src/linux/include/linux/scc.h

usr/src/linux/include/linux/isl29023.h

usr/src/linux/include/linux/sonet.h

usr/src/linux/include/linux/agpgart.h

usr/src/linux/include/linux/mxc_pf.h

usr/src/linux/include/linux/time.h

usr/src/linux/include/linux/sched.h

usr/src/linux/include/linux/if_alg.h

usr/src/linux/include/linux/wimax/

usr/src/linux/include/linux/wimax/i2400m.h

usr/src/linux/include/linux/wimax/.install

usr/src/linux/include/linux/wimax/..install.cmd

usr/src/linux/include/linux/aio_abi.h

usr/src/linux/include/linux/ultrasound.h

usr/src/linux/include/linux/netlink.h

usr/src/linux/include/linux/tcp.h

usr/src/linux/include/linux/un.h

usr/src/linux/include/linux/elf-fdpic.h

usr/src/linux/include/linux/parport.h

usr/src/linux/include/linux/ncp_no.h

usr/src/linux/include/linux/bsg.h

usr/src/linux/include/linux/in_route.h

usr/src/linux/include/linux/qnx4_fs.h

usr/src/linux/include/linux/sound.h

usr/src/linux/include/linux/pci_regs.h

usr/src/linux/include/linux/atm_nicstar.h

usr/src/linux/include/linux/blk_types.h

usr/src/linux/include/linux/mroute6.h

usr/src/linux/include/linux/i2o-dev.h

usr/src/linux/include/linux/unistd.h

usr/src/linux/include/linux/binfmts.h

usr/src/linux/include/linux/affs_hardblocks.h

usr/src/linux/include/linux/lp.h

usr/src/linux/include/linux/fs.h

usr/src/linux/include/linux/pmic_external.h

usr/src/linux/include/linux/pxp_dma.h

usr/src/linux/include/linux/net_dropmon.h

usr/src/linux/include/linux/genetlink.h

usr/src/linux/include/linux/elf.h

usr/src/linux/include/linux/qnxtypes.h

usr/src/linux/include/linux/meye.h

usr/src/linux/include/linux/hdreg.h

usr/src/linux/include/linux/mxc_scc_driver.h

usr/src/linux/include/linux/pmic_adc.h

usr/src/linux/include/linux/neighbour.h

usr/src/linux/include/linux/sysctl.h

usr/src/linux/include/linux/swab.h

usr/src/linux/include/linux/poll.h

usr/src/linux/include/linux/netfilter_arp.h

usr/src/linux/include/linux/x25.h

usr/src/linux/include/linux/loop.h

usr/src/linux/include/linux/sem.h

usr/src/linux/include/linux/if_plip.h

usr/src/linux/include/linux/uinput.h

usr/src/linux/include/linux/ethtool.h

usr/src/linux/include/linux/resource.h

usr/src/linux/include/linux/net.h

usr/src/linux/include/linux/hidraw.h

usr/src/linux/include/linux/atmarp.h

usr/src/linux/include/linux/i8k.h

usr/src/linux/include/linux/mqueue.h

usr/src/linux/include/linux/gigaset_dev.h

usr/src/linux/include/linux/pmic_battery.h

usr/src/linux/include/linux/phantom.h

usr/src/linux/include/linux/virtio_console.h

usr/src/linux/include/linux/mroute.h

usr/src/linux/include/linux/ncp.h

usr/src/linux/include/linux/virtio_9p.h

usr/src/linux/include/linux/signalfd.h

usr/src/linux/include/linux/mxc_v4l2.h

usr/src/linux/include/linux/in.h

usr/src/linux/include/linux/nfsacl.h

usr/src/linux/include/linux/socket.h

usr/src/linux/include/linux/taskstats.h

usr/src/linux/include/linux/igmp.h

usr/src/linux/include/linux/netfilter_bridge.h

usr/src/linux/include/linux/icmpv6.h

usr/src/linux/include/linux/atm_idt77105.h

usr/src/linux/include/linux/sunrpc/

usr/src/linux/include/linux/sunrpc/.install

usr/src/linux/include/linux/sunrpc/debug.h

usr/src/linux/include/linux/sunrpc/..install.cmd

usr/src/linux/include/linux/cdk.h

usr/src/linux/include/linux/mman.h

usr/src/linux/include/linux/eventpoll.h

usr/src/linux/include/linux/pfkeyv2.h

usr/src/linux/include/linux/nfs_fs.h

usr/src/linux/include/linux/netfilter_ipv6.h

usr/src/linux/include/linux/atmsap.h

usr/src/linux/include/linux/dlm_netlink.h

usr/src/linux/include/linux/phonet.h

usr/src/linux/include/linux/raid/

usr/src/linux/include/linux/raid/.install

usr/src/linux/include/linux/raid/md_p.h

usr/src/linux/include/linux/raid/md_u.h

usr/src/linux/include/linux/raid/..install.cmd

usr/src/linux/include/linux/msg.h

usr/src/linux/include/linux/vhost.h

usr/src/linux/include/linux/reiserfs_xattr.h

usr/src/linux/include/linux/dccp.h

usr/src/linux/include/linux/vt.h

usr/src/linux/include/linux/nbd.h

usr/src/linux/include/linux/reiserfs_fs.h

usr/src/linux/include/linux/if.h

usr/src/linux/include/linux/ncp_mount.h

usr/src/linux/include/linux/serial.h

usr/src/linux/include/linux/if_infiniband.h

usr/src/linux/include/linux/toshiba.h

usr/src/linux/include/linux/if_ltalk.h

usr/src/linux/include/linux/netfilter_ipv4/

usr/src/linux/include/linux/netfilter_ipv4/ipt_REJECT.h

usr/src/linux/include/linux/netfilter_ipv4/ip_tables.h

usr/src/linux/include/linux/netfilter_ipv4/ipt_realm.h

usr/src/linux/include/linux/netfilter_ipv4/.install

usr/src/linux/include/linux/netfilter_ipv4/ipt_ECN.h

usr/src/linux/include/linux/netfilter_ipv4/ipt_ttl.h

usr/src/linux/include/linux/netfilter_ipv4/ipt_CLUSTERIP.h

usr/src/linux/include/linux/netfilter_ipv4/ipt_addrtype.h

usr/src/linux/include/linux/netfilter_ipv4/ipt_ULOG.h

usr/src/linux/include/linux/netfilter_ipv4/ipt_TTL.h

usr/src/linux/include/linux/netfilter_ipv4/ipt_SAME.h

usr/src/linux/include/linux/netfilter_ipv4/ipt_LOG.h

usr/src/linux/include/linux/netfilter_ipv4/ipt_ah.h

usr/src/linux/include/linux/netfilter_ipv4/..install.cmd

usr/src/linux/include/linux/netfilter_ipv4/ip_queue.h

usr/src/linux/include/linux/netfilter_ipv4/ipt_ecn.h

usr/src/linux/include/linux/mxcfb.h

usr/src/linux/include/linux/flat.h

usr/src/linux/include/linux/joystick.h

usr/src/linux/include/linux/byteorder/

usr/src/linux/include/linux/byteorder/little_endian.h

usr/src/linux/include/linux/byteorder/.install

usr/src/linux/include/linux/byteorder/big_endian.h

usr/src/linux/include/linux/byteorder/..install.cmd

usr/src/linux/include/linux/firewire-cdev.h

usr/src/linux/include/linux/apm_bios.h

usr/src/linux/include/linux/kernel.h

usr/src/linux/include/linux/futex.h

usr/src/linux/include/linux/if_tun.h

usr/src/linux/include/linux/if_tunnel.h

usr/src/linux/include/linux/limits.h

usr/src/linux/include/linux/raw.h

usr/src/linux/include/linux/generic_serial.h

usr/src/linux/include/linux/filter.h

usr/src/linux/include/linux/som.h

usr/src/linux/include/linux/capi.h

usr/src/linux/include/linux/cramfs_fs.h

usr/src/linux/include/linux/tc_ematch/

usr/src/linux/include/linux/tc_ematch/tc_em_cmp.h

usr/src/linux/include/linux/tc_ematch/tc_em_nbyte.h

usr/src/linux/include/linux/tc_ematch/.install

usr/src/linux/include/linux/tc_ematch/tc_em_meta.h

usr/src/linux/include/linux/tc_ematch/..install.cmd

usr/src/linux/include/linux/tc_ematch/tc_em_text.h

usr/src/linux/include/linux/dm-ioctl.h

usr/src/linux/include/linux/bfs_fs.h

usr/src/linux/include/linux/blkpg.h

usr/src/linux/include/linux/types.h

usr/src/linux/include/linux/i2c-dev.h

usr/src/linux/include/linux/ixjuser.h

usr/src/linux/include/linux/if_addrlabel.h

usr/src/linux/include/linux/l2tp.h

usr/src/linux/include/linux/nfs_mount.h

usr/src/linux/include/linux/if_arcnet.h

usr/src/linux/include/linux/atmbr2684.h

usr/src/linux/include/linux/ipv6_route.h

usr/src/linux/include/linux/virtio_ring.h

usr/src/linux/include/linux/if_addr.h

usr/src/linux/include/linux/if_bridge.h

usr/src/linux/include/linux/fdreg.h

usr/src/linux/include/linux/ioctl.h

usr/src/linux/include/linux/ipmi_msgdefs.h

usr/src/linux/include/linux/adb.h

usr/src/linux/include/linux/if_slip.h

usr/src/linux/include/linux/mxc_asrc.h

usr/src/linux/include/linux/suspend_ioctls.h

usr/src/linux/include/linux/if_pppol2tp.h

usr/src/linux/include/linux/net_tstamp.h

usr/src/linux/include/linux/shm.h

usr/src/linux/include/linux/cciss_ioctl.h

usr/src/linux/include/linux/atm_eni.h

usr/src/linux/include/linux/rds.h

usr/src/linux/include/linux/hdlc/

usr/src/linux/include/linux/hdlc/.install

usr/src/linux/include/linux/hdlc/ioctl.h

usr/src/linux/include/linux/hdlc/..install.cmd

usr/src/linux/include/linux/pmic_rtc.h

usr/src/linux/include/linux/mtio.h

usr/src/linux/include/linux/ip_vs.h

usr/src/linux/include/linux/signal.h

usr/src/linux/include/linux/nl80211.h

usr/src/linux/include/linux/minix_fs.h

usr/src/linux/include/linux/netfilter.h

usr/src/linux/include/linux/elfcore.h

usr/src/linux/include/linux/if_pppox.h

usr/src/linux/include/linux/ip6_tunnel.h

usr/src/linux/include/linux/gen_stats.h

usr/src/linux/include/linux/nfsd/

usr/src/linux/include/linux/nfsd/syscall.h

usr/src/linux/include/linux/nfsd/stats.h

usr/src/linux/include/linux/nfsd/const.h

usr/src/linux/include/linux/nfsd/.install

usr/src/linux/include/linux/nfsd/debug.h

usr/src/linux/include/linux/nfsd/..install.cmd

usr/src/linux/include/linux/nfsd/nfsfh.h

usr/src/linux/include/linux/nfsd/export.h

usr/src/linux/include/linux/isdn_divertif.h

usr/src/linux/include/linux/ipv6.h

usr/src/linux/include/linux/magic.h

usr/src/linux/include/linux/netrom.h

usr/src/linux/include/linux/oom.h

usr/src/linux/include/linux/fsl_devices.h

usr/src/linux/include/linux/pmu.h

usr/src/linux/include/linux/udf_fs_i.h

usr/src/linux/include/linux/n_r3964.h

usr/src/linux/include/linux/param.h

usr/src/linux/include/linux/mxc_si4702.h

usr/src/linux/include/linux/if_arp.h

usr/src/linux/include/linux/ptrace.h

usr/src/linux/include/linux/if_hippi.h

usr/src/linux/include/linux/iso_fs.h

usr/src/linux/include/linux/reboot.h

usr/src/linux/include/linux/if_packet.h

usr/src/linux/include/linux/if_bonding.h

usr/src/linux/include/linux/cgroupstats.h

usr/src/linux/include/linux/termios.h

usr/src/linux/include/linux/imx_adc.h

usr/src/linux/include/linux/cciss_defs.h

usr/src/linux/include/linux/kdev_t.h

usr/src/linux/include/linux/gfs2_ondisk.h

usr/src/linux/include/linux/ppp_defs.h

usr/src/linux/include/linux/netfilter_ipv6/

usr/src/linux/include/linux/netfilter_ipv6/ip6t_mh.h

usr/src/linux/include/linux/netfilter_ipv6/ip6t_LOG.h

usr/src/linux/include/linux/netfilter_ipv6/ip6t_hl.h

usr/src/linux/include/linux/netfilter_ipv6/ip6_tables.h

usr/src/linux/include/linux/netfilter_ipv6/ip6t_HL.h

usr/src/linux/include/linux/netfilter_ipv6/ip6t_ipv6header.h

usr/src/linux/include/linux/netfilter_ipv6/.install

usr/src/linux/include/linux/netfilter_ipv6/ip6t_rt.h

usr/src/linux/include/linux/netfilter_ipv6/ip6t_opts.h

usr/src/linux/include/linux/netfilter_ipv6/ip6t_REJECT.h

usr/src/linux/include/linux/netfilter_ipv6/ip6t_ah.h

usr/src/linux/include/linux/netfilter_ipv6/ip6t_frag.h

usr/src/linux/include/linux/netfilter_ipv6/..install.cmd

usr/src/linux/include/linux/..install.cmd

usr/src/linux/include/linux/irqnr.h

usr/src/linux/include/linux/snmp.h

usr/src/linux/include/linux/sonypi.h

usr/src/linux/include/linux/cm4000_cs.h

usr/src/linux/include/linux/mxc_srtc.h

usr/src/linux/include/linux/ppdev.h

usr/src/linux/include/linux/virtio_ids.h

usr/src/linux/include/linux/wanrouter.h

usr/src/linux/include/linux/if_ec.h

usr/src/linux/include/linux/inet_diag.h

usr/src/linux/include/linux/isdn/

usr/src/linux/include/linux/isdn/capicmd.h

usr/src/linux/include/linux/isdn/.install

usr/src/linux/include/linux/isdn/..install.cmd

usr/src/linux/include/linux/virtio_balloon.h

usr/src/linux/include/linux/mmtimer.h

usr/src/linux/include/linux/wireless.h

usr/src/linux/include/linux/capability.h

usr/src/linux/include/linux/atm.h

usr/src/linux/include/linux/msdos_fs.h

usr/src/linux/include/linux/fadvise.h

usr/src/linux/include/linux/mxc_mlb.h

usr/src/linux/include/linux/pmic_status.h

usr/src/linux/include/linux/cryptodev.h

usr/src/linux/include/linux/ipsec.h

usr/src/linux/include/linux/rtnetlink.h

usr/src/linux/include/linux/netfilter_arp/

usr/src/linux/include/linux/netfilter_arp/arp_tables.h

usr/src/linux/include/linux/netfilter_arp/.install

usr/src/linux/include/linux/netfilter_arp/..install.cmd

usr/src/linux/include/linux/netfilter_arp/arpt_mangle.h

usr/src/linux/include/linux/watchdog.h

usr/src/linux/include/linux/sdla.h

usr/src/linux/include/linux/radeonfb.h

usr/src/linux/include/linux/isdnif.h

usr/src/linux/include/linux/baycom.h

usr/src/linux/include/linux/dlm_plock.h

usr/src/linux/include/linux/coda.h

usr/src/linux/include/linux/hysdn_if.h

usr/src/linux/include/linux/screen_info.h

usr/src/linux/include/linux/xfrm.h

usr/src/linux/include/linux/soundcard.h

usr/src/linux/include/linux/auto_fs.h

usr/src/linux/include/linux/virtio_config.h

usr/src/linux/include/linux/kernelcapi.h

usr/src/linux/include/linux/mxc_scc2_driver.h

usr/src/linux/include/linux/irda.h

usr/src/linux/include/linux/if_ppp.h

usr/src/linux/include/linux/if_phonet.h

usr/src/linux/include/linux/pmic_light.h

usr/src/linux/include/linux/matroxfb.h

usr/src/linux/include/linux/if_x25.h

usr/src/linux/include/linux/b1lli.h

usr/src/linux/include/linux/ax25.h

usr/src/linux/include/linux/isdn.h

usr/src/linux/include/linux/string.h

usr/src/linux/include/linux/comstats.h

usr/src/linux/include/linux/atmlec.h

usr/src/linux/include/linux/dlmconstants.h

usr/src/linux/include/linux/input.h

usr/src/linux/include/linux/atmapi.h

usr/src/linux/include/linux/spi/

usr/src/linux/include/linux/spi/spidev.h

usr/src/linux/include/linux/spi/.install

usr/src/linux/include/linux/spi/..install.cmd

usr/src/linux/include/linux/adfs_fs.h

usr/src/linux/include/linux/dm-log-userspace.h

usr/src/linux/include/linux/cycx_cfm.h

usr/src/linux/include/linux/route.h

usr/src/linux/include/linux/fuse.h

usr/src/linux/include/linux/llc.h

usr/src/linux/include/linux/caif/

usr/src/linux/include/linux/caif/.install

usr/src/linux/include/linux/caif/caif_socket.h

usr/src/linux/include/linux/caif/if_caif.h

usr/src/linux/include/linux/caif/..install.cmd

usr/src/linux/include/linux/inotify.h

usr/src/linux/include/linux/if_ether.h

usr/src/linux/include/linux/serial_reg.h

usr/src/linux/include/linux/atm_zatm.h

usr/src/linux/include/linux/audit.h

usr/src/linux/include/linux/nfs4_mount.h

usr/src/linux/include/linux/cuda.h

usr/src/linux/include/linux/dqblk_xfs.h

usr/src/linux/include/linux/mxc_sim_interface.h

usr/src/linux/include/linux/hdlc.h

usr/src/linux/include/linux/ipmi.h

usr/src/linux/include/linux/netfilter/

usr/src/linux/include/linux/netfilter/nf_conntrack_tuple_common.h

usr/src/linux/include/linux/netfilter/xt_dscp.h

usr/src/linux/include/linux/netfilter/xt_esp.h

usr/src/linux/include/linux/netfilter/xt_physdev.h

usr/src/linux/include/linux/netfilter/xt_pkttype.h

usr/src/linux/include/linux/netfilter/nfnetlink_compat.h

usr/src/linux/include/linux/netfilter/xt_CT.h

usr/src/linux/include/linux/netfilter/xt_LED.h

usr/src/linux/include/linux/netfilter/xt_u32.h

usr/src/linux/include/linux/netfilter/xt_quota.h

usr/src/linux/include/linux/netfilter/x_tables.h

usr/src/linux/include/linux/netfilter/xt_string.h

usr/src/linux/include/linux/netfilter/xt_realm.h

usr/src/linux/include/linux/netfilter/xt_connmark.h

usr/src/linux/include/linux/netfilter/xt_limit.h

usr/src/linux/include/linux/netfilter/xt_tcpudp.h

usr/src/linux/include/linux/netfilter/xt_NFLOG.h

usr/src/linux/include/linux/netfilter/xt_DSCP.h

usr/src/linux/include/linux/netfilter/xt_CONNMARK.h

usr/src/linux/include/linux/netfilter/.install

usr/src/linux/include/linux/netfilter/nfnetlink_log.h

usr/src/linux/include/linux/netfilter/xt_cpu.h

usr/src/linux/include/linux/netfilter/nfnetlink.h

usr/src/linux/include/linux/netfilter/xt_tcpmss.h

usr/src/linux/include/linux/netfilter/xt_state.h

usr/src/linux/include/linux/netfilter/xt_mac.h

usr/src/linux/include/linux/netfilter/xt_NFQUEUE.h

usr/src/linux/include/linux/netfilter/xt_sctp.h

usr/src/linux/include/linux/netfilter/xt_IDLETIMER.h

usr/src/linux/include/linux/netfilter/xt_conntrack.h

usr/src/linux/include/linux/netfilter/xt_recent.h

usr/src/linux/include/linux/netfilter/xt_rateest.h

usr/src/linux/include/linux/netfilter/xt_TCPOPTSTRIP.h

usr/src/linux/include/linux/netfilter/nf_conntrack_sctp.h

usr/src/linux/include/linux/netfilter/xt_connlimit.h

usr/src/linux/include/linux/netfilter/xt_ipvs.h

usr/src/linux/include/linux/netfilter/xt_connbytes.h

usr/src/linux/include/linux/netfilter/xt_RATEEST.h

usr/src/linux/include/linux/netfilter/xt_comment.h

usr/src/linux/include/linux/netfilter/nf_conntrack_tcp.h

usr/src/linux/include/linux/netfilter/nfnetlink_conntrack.h

usr/src/linux/include/linux/netfilter/xt_mark.h

usr/src/linux/include/linux/netfilter/xt_multiport.h

usr/src/linux/include/linux/netfilter/xt_policy.h

usr/src/linux/include/linux/netfilter/xt_CHECKSUM.h

usr/src/linux/include/linux/netfilter/xt_TEE.h

usr/src/linux/include/linux/netfilter/xt_helper.h

usr/src/linux/include/linux/netfilter/xt_owner.h

usr/src/linux/include/linux/netfilter/xt_TCPMSS.h

usr/src/linux/include/linux/netfilter/xt_iprange.h

usr/src/linux/include/linux/netfilter/xt_statistic.h

usr/src/linux/include/linux/netfilter/xt_hashlimit.h

usr/src/linux/include/linux/netfilter/..install.cmd

usr/src/linux/include/linux/netfilter/xt_osf.h

usr/src/linux/include/linux/netfilter/xt_SECMARK.h

UTP: received command 'frf'

usr/src/linux/include/linux/netfilter/xt_cluster.h

usr/src/linux/include/linux/netfilter/xt_time.h

usr/src/linux/include/linux/netfilter/xt_TPROXY.h

usr/src/linux/include/linux/netfilter/nfnetlink_queue.h

usr/src/linux/include/linux/netfilter/xt_dccp.h

usr/src/linux/include/linux/netfilter/xt_CONNSECMARK.h

usr/src/linux/include/linux/netfilter/nf_conntrack_ftp.h

usr/src/linux/include/linux/netfilter/xt_MARK.h

usr/src/linux/include/linux/netfilter/xt_length.h

usr/src/linux/include/linux/netfilter/xt_CLASSIFY.h

usr/src/linux/include/linux/netfilter/nf_conntrack_common.h

usr/src/linux/include/linux/pkt_sched.h

usr/src/linux/include/linux/firewire-constants.h

usr/src/linux/include/linux/netdevice.h

usr/src/linux/include/linux/if_link.h

usr/src/linux/include/linux/edd.h

usr/src/linux/include/linux/atmmpc.h

usr/src/linux/include/drm/

usr/src/linux/include/drm/sis_drm.h

usr/src/linux/include/drm/radeon_drm.h

usr/src/linux/include/drm/r128_drm.h

usr/src/linux/include/drm/drm_sarea.h

usr/src/linux/include/drm/i830_drm.h

usr/src/linux/include/drm/.install

usr/src/linux/include/drm/nouveau_drm.h

usr/src/linux/include/drm/via_drm.h

usr/src/linux/include/drm/mga_drm.h

usr/src/linux/include/drm/i915_drm.h

usr/src/linux/include/drm/..install.cmd

usr/src/linux/include/drm/drm_mode.h

usr/src/linux/include/drm/i810_drm.h

usr/src/linux/include/drm/vmwgfx_drm.h

usr/src/linux/include/drm/drm.h

usr/src/linux/include/drm/savage_drm.h

usr/src/linux/include/asm/

usr/src/linux/include/asm/stat.h

usr/src/linux/include/asm/posix_types.h

usr/src/linux/include/asm/errno.h

usr/src/linux/include/asm/fcntl.h

usr/src/linux/include/asm/sigcontext.h

usr/src/linux/include/asm/bitsperlong.h

usr/src/linux/include/asm/auxvec.h

usr/src/linux/include/asm/siginfo.h

usr/src/linux/include/asm/setup.h

usr/src/linux/include/asm/sockios.h

usr/src/linux/include/asm/ipcbuf.h

usr/src/linux/include/asm/hwcap.h

usr/src/linux/include/asm/.install

usr/src/linux/include/asm/a.out.h

usr/src/linux/include/asm/unistd.h

usr/src/linux/include/asm/ioctls.h

usr/src/linux/include/asm/swab.h

usr/src/linux/include/asm/poll.h

usr/src/linux/include/asm/resource.h

usr/src/linux/include/asm/socket.h

usr/src/linux/include/asm/mman.h

usr/src/linux/include/asm/types.h

usr/src/linux/include/asm/ioctl.h

usr/src/linux/include/asm/termbits.h

usr/src/linux/include/asm/signal.h

usr/src/linux/include/asm/msgbuf.h

usr/src/linux/include/asm/param.h

usr/src/linux/include/asm/ptrace.h

usr/src/linux/include/asm/statfs.h

usr/src/linux/include/asm/termios.h

usr/src/linux/include/asm/..install.cmd

usr/src/linux/include/asm/shmbuf.h

usr/src/linux/include/asm/sembuf.h

usr/src/linux/include/asm/byteorder.h

usr/src/linux/include/rdma/

usr/src/linux/include/rdma/ib_user_mad.h

usr/src/linux/include/rdma/.install

usr/src/linux/include/rdma/..install.cmd

usr/sbin/

usr/sbin/udevmonitor

usr/local/

usr/lib/

usr/lib/libfsl_shw.so.0

usr/lib/libthread_db.so

usr/lib/libpthread.so.bak

usr/lib/libpthread.so

usr/lib/libnss_compat.so

usr/lib/libnss_nis.so

usr/lib/libcrypt.so

usr/lib/libpxp.so.0

usr/lib/libc.so.bak

usr/lib/libBrokenLocale.so

usr/lib/libvpu.so.4

usr/lib/libutil.so

usr/lib/libipu.so.0

usr/lib/libnsl.so

usr/lib/libm.so

usr/lib/libnss_hesiod.so

usr/lib/libpxp.so

usr/lib/libipu.so

usr/lib/libstdc++.so

usr/lib/libc.so

usr/lib/libtermcap.so

usr/lib/librt.so

usr/lib/libssp.so

usr/lib/libvolume_id.so

usr/lib/libnss_nisplus.so

usr/lib/pkgconfig/

usr/lib/pkgconfig/libvolume_id.pc

usr/lib/libfsl_shw.so

usr/lib/libvpu.so

usr/lib/libnss_files.so

usr/lib/libresolv.so

usr/lib/libanl.so

usr/lib/libdl.so

usr/lib/libnss_dns.so

var/

var/lock/

var/spool/

var/spool/lpd/

var/spool/mail/

var/tmp/

var/log/

var/log/wtmp

var/log/hotplug/

var/log/lastlog

var/www/

var/www/icons/

var/www/cgi-bin/

var/www/cgi-bin/test_cgi

var/www/html/

var/www/html/index.html

var/lib/

var/ftp/

var/ftp/etc/

var/ftp/pub/

var/ftp/bin/

var/ftp/lib/

var/run/

var/run/utmputp_poll: pass returned.

var/run/usb/

var/mail/

UTP: closing the file

UTP: sending Success to kernel for command frf.

UTP: received command '$ umount /mnt/mmcblk0p1'

UTP: executing "umount /mnt/mmcblk0p1"

UTP: sending Success to kernel for command $ umount /mnt/mmcblk0p1.

utp_poll: pass returned.

UTP: received command '$ echo Update Complete!'

UTP: executing "echo Update Complete!"

Update Complete!

UTP: sending Success to kernel for command $ echo Update Complete!.

utp_poll: pass returned.

But after hardware board reset, uboot can not load linux kernel correctly:

Header 1

U-Boot 2009.08 (Aug 16 2013 - 12:53:32)

CPU: Freescale i.MX6 family TO1.1 at 792 MHz

Thermal sensor with ratio = 188

Temperature:   42 C, calibration data 0x5a34e87d

mx6q pll1: 792MHz

mx6q pll2: 528MHz

mx6q pll3: 480MHz

mx6q pll8: 50MHz

ipg clock     : 66000000Hz

ipg per clock : 66000000Hz

uart clock    : 80000000Hz

cspi clock    : 60000000Hz

ahb clock     : 132000000Hz

axi clock   : 198000000Hz

emi_slow clock: 99000000Hz

ddr clock     : 396000000Hz

usdhc1 clock  : 198000000Hz

usdhc2 clock  : 198000000Hz

usdhc3 clock  : 198000000Hz

usdhc4 clock  : 198000000Hz

nfc clock     : 24000000Hz

Board: i.MX6DL/Solo-SABRESD: unknown-board Board: 0x61011 [POR ]

Boot Device: MMC

I2C:   ready

DRAM:  512 MB

MMC:   FSL_USDHC: 0,FSL_USDHC: 1,FSL_USDHC: 2,FSL_USDHC: 3

*** Warning - bad CRC or MMC, using default environment

In:    serial

Out:   serial

Err:   serial

Net:   got MAC address from IIM: 00:00:00:00:00:00

FEC0 [PRIME]

Hit any key to stop autoboot:  0

FEC: Link is down 0

*** ERROR: `ethaddr' not set

FEC: Link is down 0

Wrong Image Format for bootm command

ERROR: can't get kernel image!

MX6Solo SABRESD U-Boot >

uboot can not load uImage. I guess I need to modify uboot code as linux code, but where should I begin to deal with ?

0 件の賞賛
返信