After starting using kernel6.6 we are unable to detect anything connected to the usb1 pins. Our board based on i.MX8MP has 2 hosts. One on usb1 and other on usb2.

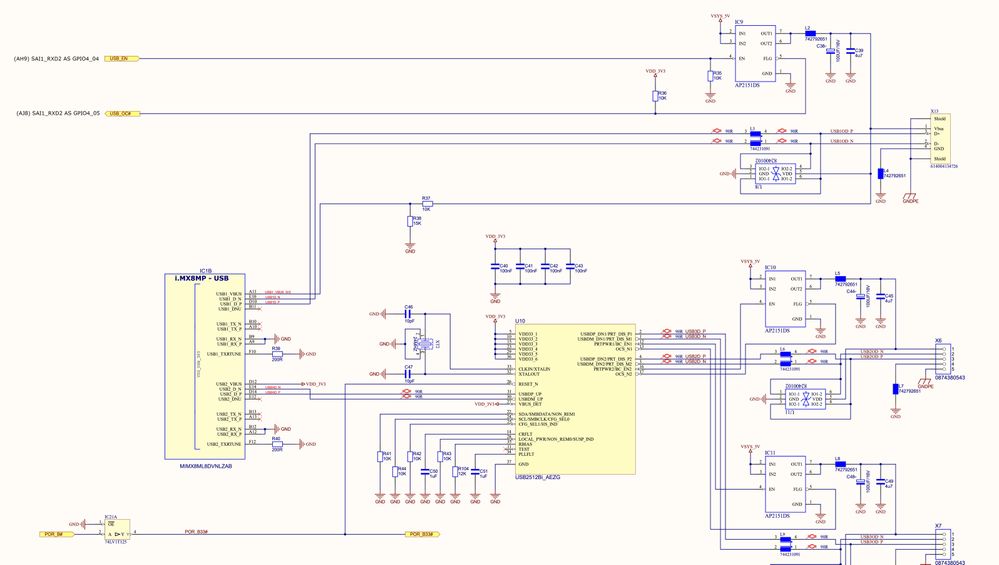
Short description about attached scheme:
- usb1 pins directly connected to the usb "A" female connector (x13)
- usb2 pins connected to the hub ic (u10 usb2512) and then to the 2 more usb "a" female connectors (x6, x7)
- usb1_vbus comes from the power regulator (ap2151), the enable signal of the regulator drives by SAI1_RXD2__GPIO4_IO04 pin
- usb2_vbus always connected to the 3.3v
The device tree uses imx8mp.dtsi include. Bindings for the usb0(1) are:
reg_usb_vbus: regulator-vbus {
compatible = "regulator-fixed";
pinctrl-names = "default";
pinctrl-0 = <&pinctrl_usb0_vbus>;
regulator-name = "USB_VBUS";
regulator-min-microvolt = <5000000>;
regulator-max-microvolt = <5000000>;
gpio = <&gpio4 04 GPIO_ACTIVE_HIGH>;
enable-active-high;
};
&usb3_phy0 {
status = "okay";
};
&usb3_0 {
status = "okay";
};
&usb_dwc3_0 {
vbus-supply = <®_usb_vbus>;
dr_mode = "host";
status = "okay";
};
pinctrl_usb0_vbus: usb0grp {
fsl,pins = <
MX8MP_IOMUXC_SAI1_RXD2__GPIO4_IO04 0x19
>;
};Bindings for the usb1(2) are:
&usb3_phy1 {
fsl,phy-tx-preemp-amp-tune = <3>;
fsl,phy-tx-vref-tune = <0xb>;
status = "okay";
};
&usb3_1 {
fsl,permanently-attached;
fsl,disable-port-power-control;
status = "okay";
};
&usb_dwc3_1 {
pinctrl-names = "default";
pinctrl-0 = <&pinctrl_usb1_vbus>;
dr_mode = "host";
status = "okay";
};
pinctrl_usb1_vbus: usb1grp {
fsl,pins = <
MX8MP_IOMUXC_GPIO1_IO14__USB2_PWR 0x19
>;
};The gpio pin GPIO1_IO14 physically is not connected, is not used.
Kernel configuration is default, coming from yocto build.
CONFIG_USB_OTG=y
CONFIG_USB_DWC3=y
CONFIG_USB_DWC3_DUAL_ROLE=y
CONFIG_USB_DWC2=y
CONFIG_USB_DWC2_DUAL_ROLE=y
CONFIG_USB_STORAGE=y
CONFIG_USB_MUSB_HDRC=y
CONFIG_USB_MUSB_DUAL_ROLE=y
...and others CONFIG_USB_xxx from default imx8 config from kernel lf-6.6.y
The main problem:
Nothing detects on X13 (usb1), but the any devices (usb flashes, mouses, keyboards, touchscreens) connected to the X6 or X7 detects well and always.
Dmesg output (after kernel boot) is:
root@TFT:~# dmesg | grep usb
[ 0.085599] usbcore: registered new interface driver usbfs
[ 0.085625] usbcore: registered new interface driver hub
[ 0.085653] usbcore: registered new device driver usb
[ 1.678933] usbcore: registered new device driver r8152-cfgselector
[ 1.685237] usbcore: registered new interface driver r8152
[ 1.703256] usbcore: registered new interface driver uas
[ 1.708617] usbcore: registered new interface driver usb-storage
[ 1.714697] usbcore: registered new interface driver usbserial_generic
[ 1.721255] usbserial: USB Serial support registered for generic
[ 1.727292] usbcore: registered new interface driver ftdi_sio
[ 1.733068] usbserial: USB Serial support registered for FTDI USB Serial Device
[ 1.740405] usbcore: registered new interface driver usb_serial_simple
[ 1.746961] usbserial: USB Serial support registered for carelink
[ 1.753080] usbserial: USB Serial support registered for flashloader
[ 1.759461] usbserial: USB Serial support registered for funsoft
[ 1.765493] usbserial: USB Serial support registered for google
[ 1.771438] usbserial: USB Serial support registered for hp4x
[ 1.777210] usbserial: USB Serial support registered for kaufmann
[ 1.783328] usbserial: USB Serial support registered for libtransistor
[ 1.789880] usbserial: USB Serial support registered for moto_modem
[ 1.796177] usbserial: USB Serial support registered for motorola_tetra
[ 1.802818] usbserial: USB Serial support registered for nokia
[ 1.808679] usbserial: USB Serial support registered for novatel_gps
[ 1.815066] usbserial: USB Serial support registered for siemens_mpi
[ 1.821453] usbserial: USB Serial support registered for suunto
[ 1.827402] usbserial: USB Serial support registered for vivopay
[ 1.833437] usbserial: USB Serial support registered for zio
[ 1.839134] usbcore: registered new interface driver usb_ehset_test
[ 1.980707] usbcore: registered new interface driver usbhid
[ 1.986291] usbhid: USB HID core driver
[ 3.422531] imx8mq-usb-phy 382f0040.usb-phy: supply vbus not found, using dummy regulator
[ 3.847365] usb usb2: We don't know the algorithms for LPM for this host, disabling LPM.
[ 3.927856] usb usb4: We don't know the algorithms for LPM for this host, disabling LPM.
[ 4.185756] usb 3-1: new high-speed USB device number 2 using xhci-hcd
The same things works well with kernel 5.15.
What i have to change to get the host on usb1 up and running and able to detect connected usb mass storage device/usb flash?