imx53----CKIL float

cancel
Showing results for 
Show  only  | Search instead for 
Did you mean: 

imx53----CKIL float

2,370 Views
xswyzao
Contributor II

float.png
 
 
  hi, all

                 i read datasheep and find CKIL can use internal clock, if i can float CKIL? and how to useinternal clock for CKIL?

The CKIL is used for low-frequency
functions. It supplies the clock for wake-up circuit, power-down real

time clock operation, and slow system and
watch-dog counters. The clock input can be connected to either

external oscillator or a crystal using
internal oscillator amplifier.


 
 
 
 
 
 
 




Labels (1)
0 Kudos
Reply
6 Replies

2,233 Views
Yuri
NXP Employee
NXP Employee

Hello,

CKIL of i.MX53 is designed to use 32.768 kHz crystal as the external low frequency

source. This clock source should be active all the time the i.MX53 is powered on (that

is, this clock is mandatory).

As for “generated internally” – this means using external crystal.


Have a great day,
Yuri

-----------------------------------------------------------------------------------------------------------------------
Note: If this post answers your question, please click the Correct Answer button. Thank you!
-----------------------------------------------------------------------------------------------------------------------

2,233 Views
xswyzao
Contributor II

hi, yuri

                  if i don't connect ECKIL and set EPIT source to CKIL_SYNC_CLK_ROOT, the EPIT also can work, i want to know, if don't connect ECKIL,

                  how CKIL_SYNC_CLK_ROOT produced, by SYNC from IPG_CLK_ROOT??

0 Kudos
Reply

2,233 Views
Yuri
NXP Employee
NXP Employee

CKIL_SYNC_CLK_ROOT is CKIL synchronized with / by IPG_CLK_ROOT.
It is not described how CKIL_SYNC_CLK_ROOT produced, I expect phase syncronization

is implemented : edges of CKIL_SYNC_CLK_ROOT and  IPG_CLK_ROOT are aligned.

Regards,

Yuri.

0 Kudos
Reply

2,233 Views
唯唯胡
Contributor I

i don't want to receive your emails, how can i cancel it?

0 Kudos
Reply

2,233 Views
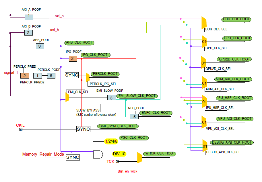
xswyzao
Contributor II

CKIL_SYNC_CLK_ROOT - ckil clock is synchronized to IPG_CLK_ROOT and

balanced with it, when not in stop mode. Synchronizer is bypassed, when in stop mode.

bbb.png

hi, Yuri Muhin

                   1、if above description mean IPG_CLK_ROOT using CKIL input?

a1.png

       

cc.png


dd.png

a1.png

2、 if using above circuit,  imx53 could work normally?

thanks

0 Kudos
Reply

2,233 Views
Yuri
NXP Employee
NXP Employee

Hi,

1.

> if above description mean IPG_CLK_ROOT using CKIL input?

No.

2.
> if using above circuit,  imx53 could work normally?

Yes.

0 Kudos
Reply