SAI1 MCLK1 source select

cancel
Showing results for 
Show  only  | Search instead for 
Did you mean: 

SAI1 MCLK1 source select

1,364 Views
nickolas_at_whisper
Contributor I

In the reference manual for the IMX RT1060, register IOMUXC_GPR_GPR1 can select the SAI1_MCLK_SRC.

 

As possible sources it lists:

 

nickolas_at_whisper_3-1648503674165.png

 

I can't find any reference to the ssi1_clk_root in the reference manual, however.
 
Is this a typo and instead it means sai1_clk_root, as indicated under the clock tree diagram here?
nickolas_at_whisper_4-1648503834538.png

 

If not, can you please direct me to information regarding the SSI_clk_root?

 


 


 

 

Labels (1)
0 Kudos
Reply
3 Replies

1,359 Views
kerryzhou
NXP TechSupport
NXP TechSupport

Hi @nickolas_at_whisper ,

   You didn't find the correct place, your clock diagram still needs to scroll down.

   Then you can find the correct place:

kerryzhou_0-1648540771582.png

This matches the register.

 

Wish it helps you!

Best Regards,

kerry

 

 

 

0 Kudos
Reply

1,354 Views
nickolas_at_whisper
Contributor I

Hi Kerry, I can't find that diagram in the document (IMXRT1060RM Rev. 3, 07/2021) could you help me figure out where to find it?

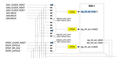
I do see on page: 1982 this diagram which shows which inputs can be connected to the ipg_clk_sai_mclk, but it's not clear to me what is meant by SAI1.MCLK in that picture (is that the mclk connected to the external SAI1 mclk pin when configured as an input? Or something else)

nickolas_at_whisper_0-1648566414590.png

 

In general, I'm finding that the documentation on connecting clocks, as well as differentiating between peripheral and m-clk clocks a bit lacking in the discussion of the SAI peripheral here

 

0 Kudos
Reply

1,350 Views
kerryzhou
NXP TechSupport
NXP TechSupport

Hi @nickolas_at_whisper ,

   Your picture is correct!

   In fact, it is very easy,  SAI1.MCLK  is the external MCLK pin input.

   My picture in the above reply is very clear:

  MCLK1 can use the SAIn_CLK_ROOT or the MCLK pin input.

   As you know, bit clock is from the MCLK.

 

Wish it helps you!

Best Regards,

Kerry

0 Kudos
Reply