PTN3366 Reference Design Available?

キャンセル
次の結果を表示 
表示  限定  | 次の代わりに検索 
もしかして: 

PTN3366 Reference Design Available?

1,213件の閲覧回数
andy_kulikyan
Contributor I

Hello Community,

I wanted to use PTN3366 chip for DP++ to HDMI level shifting and was wandering if there are any reference design schematics I could use.

Any help and direction is appreciated.

0 件の賞賛
返信
1 返信

1,152件の閲覧回数
weidong_sun
NXP TechSupport
NXP TechSupport

Hi Andy,

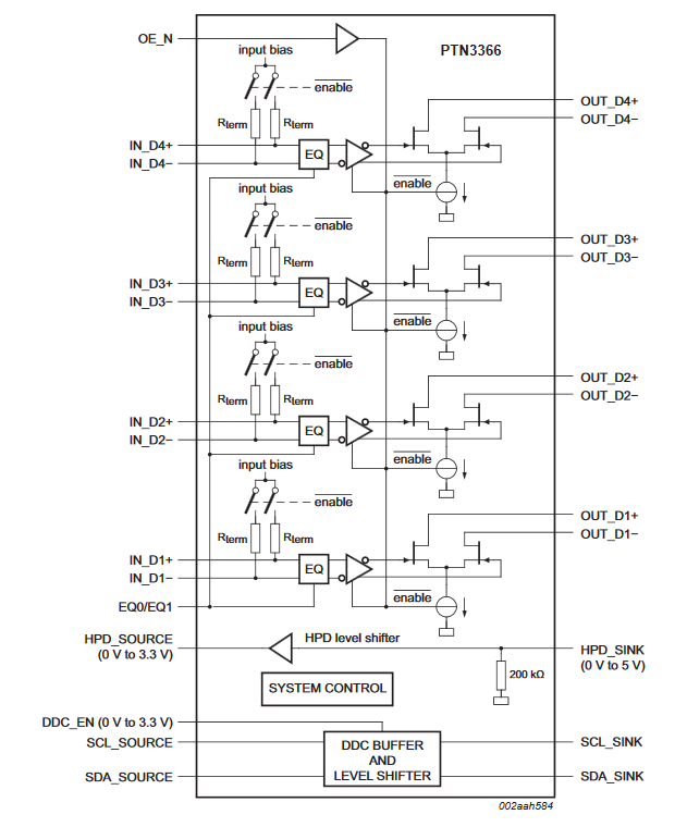
    We don't have it's schematic, actually you can refer to diagram and pins' description for you application.

pastedImage_1.png

pastedImage_2.png

You can get all information from it's datasheet. It is just a level shifter for HDMI signals. it's usage is not difficult.

Here is datasheet:https://www.nxp.com/docs/en/data-sheet/PTN3366.pdf 

Have a nice day!

BR,

Weidong

0 件の賞賛
返信