PMIC

キャンセル
次の結果を表示 
表示  限定  | 次の代わりに検索 
もしかして: 

PMIC

1,305件の閲覧回数
mahanand
Contributor I

Hai Community,

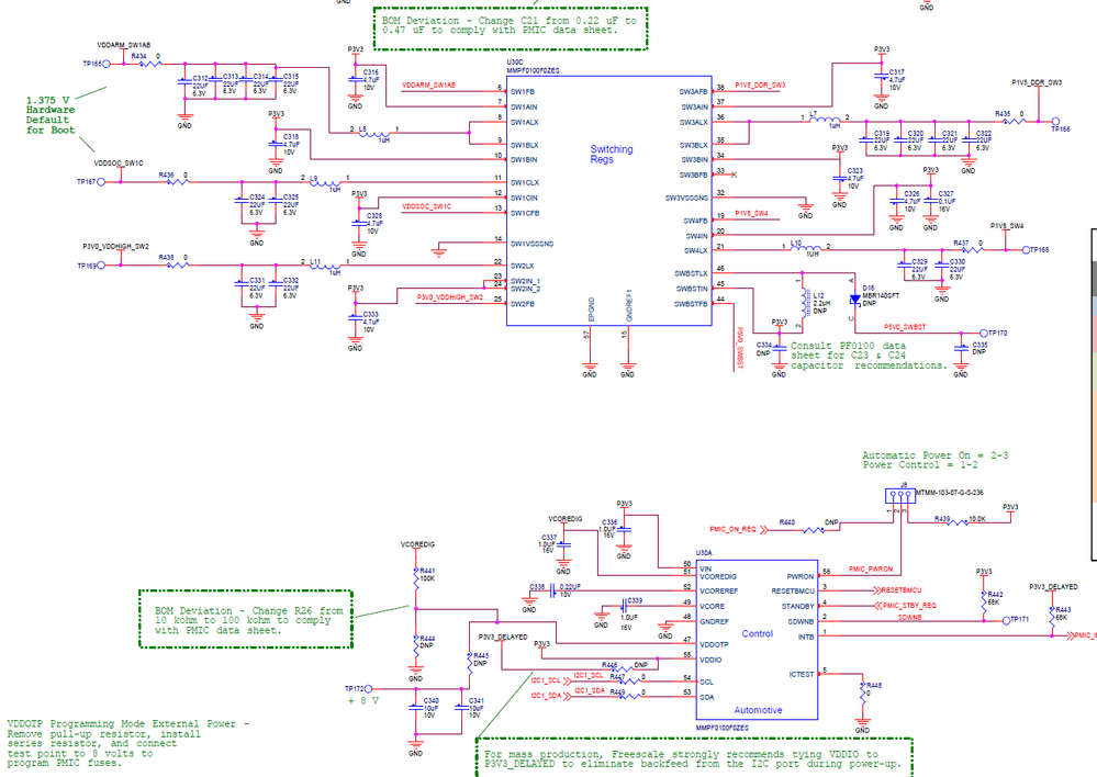
We have used MMPF0100Z in our design, in one board the I could not able to get the voltage of P1V5_DDR_SW3 & P0V75_REFDDR, rest all the voltages are fine.

Pl find the enclosed schematics, in that only TP163 & TP164 are not getting voltage's

Can any one help me out to address this issue.

pastedImage_0.png

pastedImage_1.png

ラベル(1)
0 件の賞賛
返信
1 返信

1,232件の閲覧回数
Yuri
NXP Employee
NXP Employee

Hello,

  You wrote " ... in one board the I could not able to get the voltage ... ".

So, is it just a single board (assuming other boards are working) ?

Perhaps it makes sense to check PCB design and parts soldering.

Schematic looks OK.

Have a great day,
Yuri

-----------------------------------------------------------------------------------------------------------------------
Note: If this post answers your question, please click the Correct Answer button. Thank you!
-----------------------------------------------------------------------------------------------------------------------

0 件の賞賛
返信