Hi jparrish88
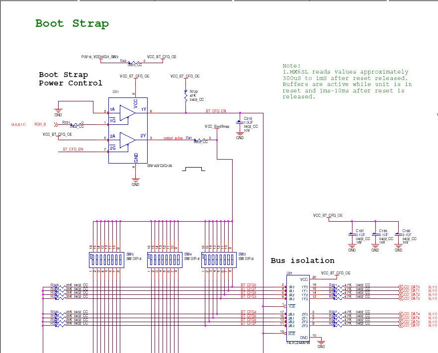
one can look at comments in attached image from i.MX6SL EVK schematic
spf-27452.pdf p.13

Best regards
igor
-----------------------------------------------------------------------------------------------------------------------
Note: If this post answers your question, please click the Correct Answer button. Thank you!
-----------------------------------------------------------------------------------------------------------------------