Dear Sir,
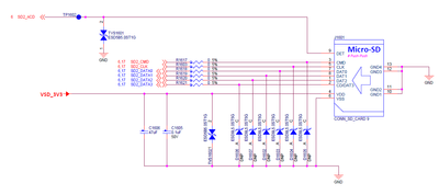
We want to bring up Wifi module by using SD/MMC (SDIO interface) and the name of interface is mmc1.
I have tried to implement "imx8mm-evk.dts" but it seem is not work.
Attached file is modified file.(imx8mm-evk.dts).
Is my understanding correct for imx8mm-evk.dts?
Would you mind checking it,thank you.
Below is our target setting.

B.R.
Bill