Update 2 Nov 2016: The work begun with this current sensor board has been superseded by this 4-channel solution. The ribbon cables used below, although easier to solder, were very stiff and tended to lift the sensors off the double sticky foam tape, which endangered the target application board.
This post remains for historical purposes.
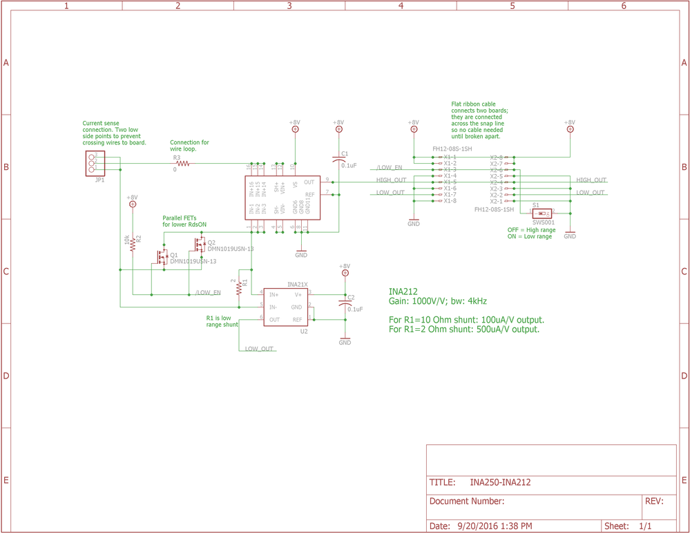
This little board set was put together quickly to measure run current as well as sleep current. The sensor board is intended to be affixed with double sided tape to the board under test. A flat ribbon cable connects to the connection board where the power and current sensor connections may be made. The holes accommodate banana jacks. The current range is selected via the dip switch on the connection board. Below is an image of the schematic. The attached PDF contains the schematic, layout and partial Digikey parts lists along with embedded source files (look for the thumb-tacks).
The DMN1019USN FETs have a Vgs of 8V, which limits the maximum current which may be measured (currents above will starve the output of the current sensor amplifiers since the output cannot swing high enough). With a supply of ~7.5V, a maximum high current of ~3A is possible with the 2V/A gain (A4) version of the INA250. With a 2 Ohm shunt for the low current range, the maximum current with an INA212 (1000V/V gain) is ~3mA. Two FETs in parallel were used to decrease the series resistance when shorting the low current shunt.
[NOTE: The voltage applied to the gates of the FETs assumes that the ground on the both board under test and the current sense board combo are in common. An isolated supply could have been used but was not for simplicity.]
The high current range is intended for normal operation, i.e., measuring run currents.The low current range should only be selected once the board is configured for a low power mode. Once in that mode, the low power mode may be selected.
To use an instrumented target board without having to have the connection board hooked up and powered, jump the two vias (spaced 0.1", labeled "Jump" by the current input connections). These vias short the 2 Ohm low current shunt resistor.
The target board is connected via the 3-pin header. The outer two points are the negative input connection; the center is the positive. Two negative connections are provided to avoid having to cross the connection wires. These wires should be kept as short as possible. The series resistance at the input in the high range (dip switch off) was under 25mOhms, so the connections wires only add to that.
The board set may be used as-is before snapping apart since connections between the boars runs through the row of snap-vias. A ribbon cable needs be used after snapping them apart. Finer pitch ribbon could have been used but it'd be much less friendly for hand soldering.
Board sets in multiples of 3 may be ordered here.

Here are some photos of the prototype board (some silk screen errors and the banana jack holes were drilled too small). Before snapping apart on the left and after with the ribbon cable and connectors added on the right.


Here is a photo of the i.MX6SL on the EVK instrumented for low-power sleep-mode current measurement on VDD_HIGH_IN:

SENSOR CALIBRATION CHECK:
The calibration of three sensor boards was checked by forcing an accurate, known current with a Keysight B2902A Source Measure Unit (SMU). The average sensor output was measured for each forced current in the high and low range. The data was plotted and best fit lines were applied:

The data for each sensor was very linear. The coefficients and offsets of all 6 best fit lines were very similar as can be seen above. The data can be perused in the attached Excel file (HiLo-sensors-1-3-calib.xlsx).
The three sets of coefficients for the high range sensor (the INA250A4) were averaged. For each sensor's output, the current was calculated using these averaged coefficients and tabulated next to the forced current (the brown data). All of the calculated currents were within at most 20mA of the actual current forced by the SMU.
TO DO:
Two outputs are somewhat cumbersome; it'd be handier to just switch which sensor is outputting to the measurement device. It'd also be really handy to have a 4 channel distribution board and 4 sensor boards, which would allow the use of a 4 channel oscilloscope. Some LEDs on the distribution board indicating which measurement range is in use would also be nice...
UPDATE 7 OCT 2016:
Working now on a Kinetis-based, data-logging capable, 4-channel power profiler for run and sleep. The Kinetis ADCs will be used to measure the sensor outputs and power supply rail voltages, which should be fine given the level of accuracy that is required. Data is sent up the line in real time via a USB serial port, which opens the possibility of the target board profiling it's own power consumption, including low power modes (a wake-up line for the target board is provided for just that purpose).
For more information on current measurements in general, see this tutorial series:
A Current Sensing Tutorial--Part 1: Fundamentals | EE Times
A Current Sensing Tutorial-Part II: Devices | EE Times
A Current Sensing Tutorial--Part III: Accuracy | EE Times
A Current Sensing Tutorial-Part IV: Layout and Troubleshooting Guidelines | EE Times